вконтакте

Контактный телефон: +7 (981) 121-46-93, +7 (800) 200-90-76 , Email: parts-katalog@yandex.ru, где купить

 
 

  Логин:

Пароль:

Регистрация

www.partskatalog.ru Все каталоги Запчасти Mercury Запчасти Suzuki Запчасти Tohatsu Запчасти Honda Контакты



УВАЖАЕМЫЕ КЛИЕНТЫ!
C 19 ДЕКАБРЯ 2025 ПО 02 МАРТА 2026 ГОДА ОТДЕЛ ЗАПЧАСТЕЙ И СЕРВИС РАБОТАТЬ НЕ БУДУТ
ПРОДАЖА ЛОДОЧНЫХ МОТОРОВ В ШТАТНОМ РЕЖИМЕ
ОБ ИЗМЕНЕНИЯХ В ГРАФИКЕ РАБОТЫ ЧИТАЙТЕ НА САЙТА




Выбрать другую модель

назад Раздел:   вперёд

вернуться к списку узлов и деталей

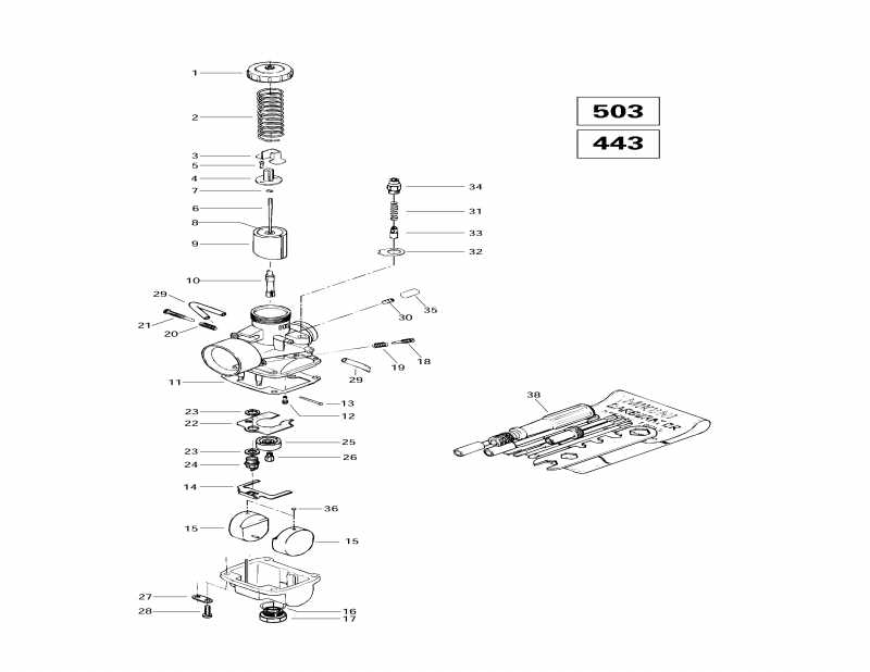
ДЕТАЛИРОВКА ДЛЯ МОДЕЛИ: SKIDOO Touring LE, 1997

Раздел: Карбюраторs (503, 443) | Carburetors (503, 443)


Touring LE, 1997 - Carburetors (503, 443)

Номер на
рисунке
АртикулНаименованиеКол-во
на складе
Цена
1 403123500

Карбюратор VM 34 -467. Includes 1 - 35. TouКольцо LE. (Carburetor VM 34 -467. Includes 1 - 35. Touring LE.)

под заказпо запросу
1 403127400

Карбюратор VM 34 -481 (PTO) Includes 1 - 35. TouКольцо SLE. (Carburetor VM 34 -481 (PTO). Includes 1 - 35. Touring SLE.)

под заказпо запросу
403127500

Карбюратор VM 34 -482 (MAG) TouКольцо SLE. (Carburetor VM 34 -482 (MAG). Touring SLE.)

под заказпо запросу
1 404103700

Крышка. TouКольцо LE. TouКольцо SLE. (Cover. Touring LE. Touring SLE.)

под заказ2360 руб.
2 404154800

Дроссель Vale Пружина. TouКольцо LE. TouКольцо SLE. (Throttle Vale Spring. Touring LE. Touring SLE.)

под заказ1850 руб.
3 404122100

Fitting Коннектор. TouКольцо LE. TouКольцо SLE. (Fitting Connector. Touring LE. Touring SLE.)

под заказ1400 руб.
4 404122900

Коннектор. TouКольцо LE. TouКольцо SLE. (Connector. Touring LE. Touring SLE.)

под заказ946 руб.
4 404160800

CONNECTEUR *CONNECTOR

под заказ1210 руб.
5 404121300

Винт with Шайба с блокировкой. TouКольцо LE. TouКольцо SLE. (Screw with Lock Washer. Touring LE. Touring SLE.)

под заказ428 руб.
5 404128200

SCREW-WITH LOCK WASHER

под заказ340 руб.
6 404110400

Игла жиклёра J8 6DH2. TouКольцо LE. TouКольцо SLE. (Jet Needle J8 6DH2. Touring LE. Touring SLE.)

под заказ1400 руб.
6 1471002

NEEDLE 6DH2 (USE 404110400)

под заказ1110 руб.
7 404152400

Уплотнительное кольцо. TouКольцо LE. TouКольцо SLE. (E-Ring. Touring LE. Touring SLE.)

под заказ572 руб.
8 404117000

Прокладка. TouКольцо LE. TouКольцо SLE. (Packing. Touring LE. Touring SLE.)

под заказ284 руб.
9 404128400

Клапан дросселя CA 2.5. TouКольцо LE. TouКольцо SLE. (Throttle Valve CA 2.5. Touring LE. Touring SLE.)

под заказ9300 руб.
10404157100

Игла распылителя NJ 159. TouКольцо LE. (Needle Jet NJ 159. Touring LE.)

под заказ1240 руб.
404107000

Игла распылителя NJ 159. TouКольцо SLE. (Needle Jet NJ 159. Touring SLE.)

под заказ1400 руб.
963953

SEOSPUTKI 159/P-O

под заказ1140 руб.
11404104200

Прокладка Pan. TouКольцо LE. TouКольцо SLE. (Gasket Pan. Touring LE. Touring SLE.)

под заказ481 руб.
11420831895

GASKET

под заказпо запросу
12404109100

Pilot Jet PJ 40. TouКольцо LE. TouКольцо SLE. (Pilot Jet PJ 40. Touring LE. Touring SLE.)

под заказ396 руб.
12963825

TYHJAKAYNTISUUTIN 40

под заказ240 руб.
13404103300

Стопор рычага поплавка. TouКольцо LE. TouКольцо SLE. (Float Arm Pin. Touring LE. Touring SLE.)

под заказ428 руб.
14404107600

Поплавок Рычаг. TouКольцо LE. TouКольцо SLE. (Float Arm. Touring LE. Touring SLE.)

под заказ1780 руб.
15404107100

Поплавок. TouКольцо LE. TouКольцо SLE. (Float. Touring LE. Touring SLE.)

под заказ2140 руб.
15SM-07243

     (не оригинальная запчасть) Поплавок карбюратора BRP SM-07243

под заказ830 руб.
16404107300

Уплотнительное кольцо. TouКольцо LE. TouКольцо SLE. (O-Ring. Touring LE. Touring SLE.)

под заказ588 руб.
17404107400

Заглушка винта. TouКольцо LE. TouКольцо SLE. (Plug Screw. Touring LE. Touring SLE.)

под заказ1780 руб.
18404149000

Idle Регулировочный винт. TouКольцо LE. TouКольцо SLE. (Idle Adjusting Screw. Touring LE. Touring SLE.)

под заказ2320 руб.
19404139800

Idle Регулировочный винт Пружина. TouКольцо LE. TouКольцо SLE. (Idle Adjusting Screw Spring. Touring LE. Touring SLE.)

под заказ588 руб.
20404101700

Дроссель Стопорный винт Пружина. TouКольцо LE. TouКольцо SLE. (Throttle Stop Screw Spring. Touring LE. Touring SLE.)

под заказ295 руб.
20420938940

SPRING

под заказ240 руб.
21404125200

Дроссель Стопорный винт. TouКольцо LE. TouКольцо SLE. (Throttle Stop Screw. Touring LE. Touring SLE.)

под заказ1060 руб.
22404109600

Baffle Пластина. TouКольцо LE. TouКольцо SLE. (Baffle Plate. Touring LE. Touring SLE.)

под заказпо запросу
23404101600

Шайба-Седло. TouКольцо LE. TouКольцо SLE. (Washer-Seat. Touring LE. Touring SLE.)

под заказ237 руб.
24404103200

Игольчатый клапан 1.5. TouКольцо LE. TouКольцо SLE. (Needle Valve 1.5. Touring LE. Touring SLE.)

под заказ4140 руб.
24963848

NEULAVENTTIILI 1,5 VM34

под заказ2760 руб.
25404110900

BafflУплотнительное кольцо. TouКольцо LE. TouКольцо SLE. (Baffle Ring. Touring LE. Touring SLE.)

под заказ3260 руб.
26404112200

Главный жиклёр MJ 180. TouКольцо LE. (Main Jet MJ 180. Touring LE.)

под заказ396 руб.
404112200

Главный жиклёр MJ 180 (PTO) TouКольцо SLE. (Main Jet MJ 180 (PTO). Touring SLE.)

под заказ396 руб.
404123800

Главный жиклёр MJ 170 (MAG) TouКольцо SLE. (Main Jet MJ 170 (MAG). Touring SLE.)

под заказ396 руб.
27404103000

Трубка Фиксатор Пластина. TouКольцо LE. TouКольцо SLE. (Tube Retainer Plate. Touring LE. Touring SLE.)

под заказ792 руб.
28404102000

Винт и Шайба с блокировкой. TouКольцо LE. TouКольцо SLE. (Screw and Lock Washer. Touring LE. Touring SLE.)

под заказ237 руб.
29404109800

Vent Трубка. TouКольцо LE. TouКольцо SLE. (Vent Tube. Touring LE. Touring SLE.)

под заказпо запросу
30404153400

Ниппель. TouКольцо LE. (Nipple. Touring LE.)

под заказ859 руб.
30404159100

RACCORD *NIPPLE

под заказ680 руб.
404127600

Ниппель. TouКольцо SLE. (Nipple. Touring SLE.)

под заказ691 руб.
420961030

PRIMER ADAPTER

под заказпо запросу
31404127400

Пружина. TouКольцо LE. TouКольцо SLE. (Spring. Touring LE. Touring SLE.)

под заказ792 руб.
32404156400

Пластина. TouКольцо LE. TouКольцо SLE. (Plate. Touring LE. Touring SLE.)

под заказпо запросу
32420963800

PLATE

под заказпо запросу
33404127500

Плунжер в сборе. TouКольцо LE. TouКольцо SLE. (Plunger Assy. Touring LE. Touring SLE.)

под заказпо запросу
34404127200

Sвышеport-Направляющая. TouКольцо LE. TouКольцо SLE. (Support-Guide. Touring LE. Touring SLE.)

под заказпо запросу
35404156600

Колпачок. TouКольцо LE. TouКольцо SLE. (Cap. Touring LE. Touring SLE.)

под заказ1170 руб.
36404105800

Колпачок. TouКольцо LE. TouКольцо SLE. (Cap. Touring LE. Touring SLE.)

под заказ481 руб.
36420960990

FOAT FIXATION CAP

под заказпо запросу
36SM-07243

     (не оригинальная запчасть) Поплавок карбюратора BRP SM-07243

под заказ830 руб.
37861757600

High Altitude Kit (Not Shown) TouКольцо LE. (High Altitude Kit (Not Shown). Touring LE.)

под заказпо запросу
861757500

High Altitude Kit (Not Shown) TouКольцо SLE. (High Altitude Kit (Not Shown). Touring SLE.)

под заказпо запросу
38404112000

Набор инструмента. TouКольцо LE. TouКольцо SLE. (Tool Kit. Touring LE. Touring SLE.)

под заказ7330 руб.
38876960

SPECIAL TOOL KIT

под заказ5730 руб.
ski-doo

Время выполнения запроса 1.9947400093079 сек.


 
 

данный сайт носит информационный характер и не является публичной офертой

склад запчастей для водомоторной техники