вконтакте

Контактный телефон: +7 (981) 121-46-93, +7 (800) 200-90-76 , Email: parts-katalog@yandex.ru, где купить

 
 
Главная Как заказать Каталоги Контакты

  Логин:

Пароль:

Регистрация

Узнать наличие и цену запчасти:

Лодочные моторы :: Honda :: Четырехтактные :: Honda BF-225-A6 XU


ЗАПЧАСТИ НА МОТОР HONDA BF225-A6 XU
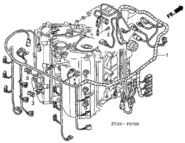
ГЛАВНЫЙ ЖГУТ ПРОВОДОВ (MAIN WIRE HARNESS) F-7

главный жгут проводов Honda BF225 A6 XU

Чтобы узнать цену, наличие запасной части на складе или купить, нажмите ссылку "запросить цену". Чтобы посмотреть подробную информацию и фотографии, нажмите на код запчасти. Для запчастей со статусом "не поставляется" можете попробовать уточнить возможность поставки.

все блоки

Номер
на чертеже
Код по каталогуНазвание (eng)Название (rus)Цена
00132100-ZY3-A00

-

ЖГУТ В СБОРЕ, ГЛАВН. ПРОВОД

по запросу
00290013-ZW9-000

-

БОЛТ, ФЛАНЕЦ, 6x12

по запросу
00390654-ZY3-003

-

ФИКСАТОР A, ЖГУТ ПРОВОДОВ

по запросу

Продажа запчастей Honda BF225 A6 XU


 
 

данный сайт носит информационный характер и не является публичной офертой

склад запчастей для водомоторной техники