вконтакте

Контактный телефон: +7 (981) 121-46-93, +7 (800) 200-90-76 , Email: parts-katalog@yandex.ru, где купить

 
 

  Логин:

Пароль:

Регистрация

www.partskatalog.ru Все каталоги Запчасти Mercury Запчасти Suzuki Запчасти Tohatsu Запчасти Honda Контакты



УВАЖАЕМЫЕ КЛИЕНТЫ!
C 19 ДЕКАБРЯ 2025 ПО 02 МАРТА 2026 ГОДА ОТДЕЛ ЗАПЧАСТЕЙ И СЕРВИС РАБОТАТЬ НЕ БУДУТ
ПРОДАЖА ЛОДОЧНЫХ МОТОРОВ В ШТАТНОМ РЕЖИМЕ
ОБ ИЗМЕНЕНИЯХ В ГРАФИКЕ РАБОТЫ ЧИТАЙТЕ НА САЙТА




Вернуться к началу выбора


Мощность Вашего двигателя: 15 л.с.

Год выпуска: 1997 год

Тип двигателя: 1389

Модификация двигателя: Evinrude BE15FDLEUA 1997

   Выберите раздел

найти расходники на лодочные моторы Evinrude


Выберите раздел

Карбюратор - 15 H.p. (Carburetor - 15 H.p.)

Карбюратор - 15 H.p. (Carburetor - 15 H.p.)

Карбюратор - 9.9 H.p. (Carburetor - 9.9 H.p.)

Карбюратор - 9.9 H.p. (Carburetor - 9.9 H.p.)

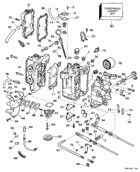
Цилиндр & Картер двигателя (Cylinder & Crankcase)

Цилиндр & Картер двигателя (Cylinder & Crankcase)

Головка блока цилиндра & Коленвал (Cylinder Head & Crankshaft)

Головка блока цилиндра & Коленвал (Cylinder Head & Crankshaft)

Electric Primer System (Electric Primer System)

Electric Primer System (Electric Primer System)

Крышка двигателя (капот) - Evinrude (Engine Cover - Evinrude)

Крышка двигателя (капот) - Evinrude (Engine Cover - Evinrude)

Крышка двигателя (капот) - Johnson (Engine Cover - Johnson)

Крышка двигателя (капот) - Johnson (Engine Cover - Johnson)

Удлинитель корпуса (Exhaust Housing)

Удлинитель корпуса (Exhaust Housing)

Топливный шланг & Топливная груша 5 / 16 дюйм I.d. (Fuel Hose & Primer Bulb 5/16 In. I.d.)

Топливный шланг & Топливная груша 5 / 16 дюйм I.d. (Fuel Hose & Primer Bulb 5/16 In. I.d.)

Топливный насос (Fuel Pump)

Топливный насос (Fuel Pump)

Топливный бак - 6 галлон (Fuel Tank - 6 Gallon)

Топливный бак - 6 галлон (Fuel Tank - 6 Gallon)

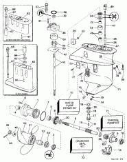
Редуктор (Gearcase)

Редуктор (Gearcase)

Ignition - Electric (Ignition - Electric)

Ignition - Electric (Ignition - Electric)

Ignition - Шнур (Ignition - Rope)

Ignition - Шнур (Ignition - Rope)

Ignition Переключатель & Кабели - 9.9 (Ignition Switch & Cable - 9.9)

Ignition Переключатель & Кабели - 9.9 (Ignition Switch & Cable - 9.9)

Нижняя крышка двигателя (Lower Engine Cover)

Нижняя крышка двигателя (Lower Engine Cover)

Midsection (Midsection)

Midsection (Midsection)

Motor Кабели - Remote Electric (Motor Cable - Remote Electric)

Motor Кабели - Remote Electric (Motor Cable - Remote Electric)

Motor Кабели - Te Models (Motor Cable - Te Models)

Motor Кабели - Te Models (Motor Cable - Te Models)

Краска (Paint)

Краска (Paint)

Rewind Стартер (Rewind Starter)

Rewind Стартер (Rewind Starter)

Двигатель стартера & Solenoid (Starter Motor & Solenoid)

Двигатель стартера & Solenoid (Starter Motor & Solenoid)

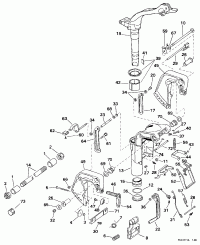
Рулевая система & Переключатель Handle (Steering & Shift Handle)

Рулевая система & Переключатель Handle (Steering & Shift Handle)

Рулевая система Соединитель Kit - Fr, Fd Models Only (Steering Link Kit - Fr, Fd Models Only)

Рулевая система Соединитель Kit - Fr, Fd Models Only (Steering Link Kit - Fr, Fd Models Only)

evinrude

Время выполнения запроса 0.25364089012146 сек.


 
 

данный сайт носит информационный характер и не является публичной офертой

склад запчастей для водомоторной техники