| |
Вернуться к началу выбора
|
Выберите раздел
|

|
Выберите раздел
 Accessory Transom Пластина (Accessory Transom Plate) |
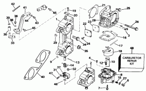
 Карбюратор & Подъемный механизм - 185, 200 Suffix "f" Models (Carburetor & Linkage - 185, 200 Suffix "f" Models) |
 Карбюратор & Подъемный механизм - 225 Suffix "a, C, D, S" Models (Carburetor & Linkage - 225 Suffix "a, C, D, S" Models) |
 Карбюратор & Подъемный механизм - 185, 200 Suffix "a, C, D, S" Models (Carburetor & Linkage - 185, 200 Suffix "a, C, D, S" Models) |
 Карбюратор и Подъемный механизм - 225 Suffix "f" Models (Carburetor And Linkage - 225 Suffix "f" Models) |
 Коленвал & Поршень (Crankshaft & Piston) |
 Цилиндр Клапан Assembly (Cylinder Valve Assembly) |
 Цилиндр & Картер двигателя (Cylinder & Crankcase) |
 Dual Рулевая система Коннектор Kit - 200stl, 225stl Only (Dual Steering Connector Kit - 200stl, 225stl Only) |
 Крышка двигателя (капот) - Evinrude - 200 Stl, Ve200sl, 225stl (Engine Cover - Evinrude - 200 Stl, Ve200sl, 225stl) |
 Крышка двигателя (капот) - Johnson - 200 Stl, Vj200sl, 225stll (Engine Cover - Johnson - 200 Stl, Vj200sl, 225stll) |
 Крышка двигателя (капот) - Evinrude - 200tx, 200cx, 225 (Engine Cover - Evinrude - 200tx, 200cx, 225) |
 Крышка двигателя (капот) - 185 (Engine Cover - 185) |
 Крышка двигателя (капот) - Johnson - 200tx, 200cx, 225 (Engine Cover - Johnson - 200tx, 200cx, 225) |
 Удлинитель корпуса (Exhaust Housing) |
 Топливный насос (Fuel Pump) |
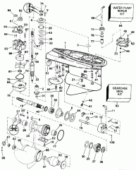
 Редуктор - обратное вращение (Gearcase - Counter Rotation) |
 Редуктор - стандарт Rotation - 20 дюйм Models (Gearcase - Standard Rotation - 20 In. Models) |
 Редуктор - стандарт Rotation - 25 дюйм & 30 дюйм Models (Gearcase - Standard Rotation - 25 In. & 30 In. Models) |
 Ignition System & Двигатель стартера (Ignition System & Starter Motor) |
 Впускной коллектор - "f" Suffix Models (Intake Manifold - "f" Suffix Models) |
 Впускной коллектор - Suffix "a, C, D, S" Models (Intake Manifold - Suffix "a, C, D, S" Models) |
 Литература (Literature) |
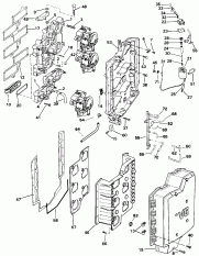
 Нижняя крышка двигателя (Lower Engine Cover) |
 Midsection (Midsection) |
 Масляный бак Kit - 1.8 галлон (Oil Tank Kit - 1.8 Gallon) |
 Масляный бак Kit - 3.0 галлон (Oil Tank Kit - 3.0 Gallon) |
 Краска (Paint) |
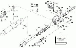
 Power Рулевая система Groвыше (Power Steering Group) |
 Power Рулевая система Помпа (Power Steering Pump) |
 Механизированный дифферент наклона Электрика (Power Trim/tilt Electrical) |
 Механизированный дифферент наклона Hydraulic Assembly (Power Trim/tilt Hydraulic Assembly) |
 Рулевая система Соединитель Kit - 185esx, 200 / 225stl, 200tx, tz, 225tl, tx, tz (Steering Link Kit - 185esx,200/225stl,200tx,tz,225tl,tx,tz) |

Время выполнения запроса 0.44371104240417 сек.
|
|