вконтакте

Контактный телефон: +7 (981) 121-46-93, +7 (800) 200-90-76 , Email: parts-katalog@yandex.ru, где купить

 
 

  Логин:

Пароль:

Регистрация

www.partskatalog.ru Все каталоги Запчасти Mercury Запчасти Suzuki Запчасти Tohatsu Запчасти Honda Контакты

назад Раздел:   вперёд

Модификация Вашего двигателя:   Honda BF6D6 SU
Модели с серийным номером двигателя от BEAYJ-1000001 до BEAYJ-9999999
Модели с серийным номером рамы от BAYJ-1000001 до BAYJ-9999999

Вернуться к выбору узлов мотора

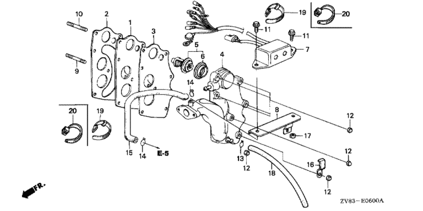
   Впускной коллектор (bf6b / bx / d6,bf8ax / b / bx)
Intake Manifold (bf6b / Bx / D6,bf8ax / B / Bx)      


ДЕТАЛИРОВКА ДЛЯ МОДЕЛИ: HONDA BF6D6

Подвесной  лодочный мотор BF6D6 - Впускной коллектор (bf6b / bx / d6,bf8ax / b / bx) / Intake Manifold (bf6b / Bx / D6,bf8ax / B / Bx)
Номер на
рисунке
АртикулНаименованиеКол-во
на складе
Цена
112515-881-000

Пластина выхлопной камеры (Plate, ex. chamber)

под заказ3520 руб. 
212516-881-850

Прокладка выхлопной камеры (Gasket, ex. chamber)

под заказ3010 руб. 
212516-881-003

(последний код) GASKET, EX. CHAMBER

под заказ3010 руб. 
312517-881-850

Прокладка, ex. chamber (Packing, ex. chamber)

под заказ920 руб. 
312517-881-003

(последний код) PACKING, EX. CHAMBER

под заказ920 руб. 
417100-881-740ZA

Впускной коллектор *nh8 * (Manifold comp., intake *nh8 *)

под заказпо запросу 
519300-881-741

Термостат в сборе. (Thermostat assy.)

под заказ8850 руб. 
619302-921-003

Резинка термостата (Rubber, thermostat)

1 шт1010 руб. 
730580-881-A01

Блок управления C.D.I. (C.d.i. unit)

под заказ47560 руб. 
830586-881-010

Остановка, Блок управления C.D.I. (Stay, c.d.i. unit)

под заказпо запросу 
990005-881-742

Болт под шпильку, 6x48 (Bolt, stud, 6x48)

под заказпо запросу 
1090007-881-742

Болт под шпильку, 6x36 (Bolt, stud, 6x36)

под заказпо запросу 
1190056-ZY3-000

Фланцевый болт, 6x12 (Bolt, flange, 6x12)

под заказ430 руб. 
1290202-ZV0-000

Гайка с колпачком, 6 мм (Nut, cap, 6mm)

под заказ630 руб. 
1390602-921-000

Зажим трубки (b8) (Clip, tube (b8))

под заказ270 руб. 
1490604-ZV0-000

Зажим трубки (b12) (Clip, tube (b12))

под заказ150 руб. 
1590807-881-000

Трубка, bypass (Tube, bypass)

под заказ1370 руб. 
1691403-881-000

Зажим тросика B (Clip b, cord)

под заказ960 руб. 
1790302-ZW4-000

Шестигранная гайка, 6 мм (Nut, hex., 6mm)

под заказ170 руб. 
1895005-502-503-0

Трубка, 5x250 (95005-50001-30m) (Tube, 5x250 (95005-50001-30m))

под заказпо запросу 
2090650-ZY1-003

Хомут кабеля (Tie, cable)

под заказ790 руб. 

Время выполнения запроса 4.1840431690216 сек.

 
 

данный сайт носит информационный характер и не является публичной офертой

склад запчастей для водомоторной техники