вконтакте

Контактный телефон: +7 (981) 121-46-93, +7 (800) 200-90-76 , Email: parts-katalog@yandex.ru, где купить

 
 

  Логин:

Пароль:

Регистрация

www.partskatalog.ru Все каталоги Запчасти Mercury Запчасти Suzuki Запчасти Tohatsu Запчасти Honda Контакты

назад Раздел:   вперёд

Модификация Вашего двигателя:   Honda BF6D6 SU
Модели с серийным номером двигателя от BEAYJ-1000001 до BEAYJ-9999999
Модели с серийным номером рамы от BAYJ-1000001 до BAYJ-9999999

Вернуться к выбору узлов мотора

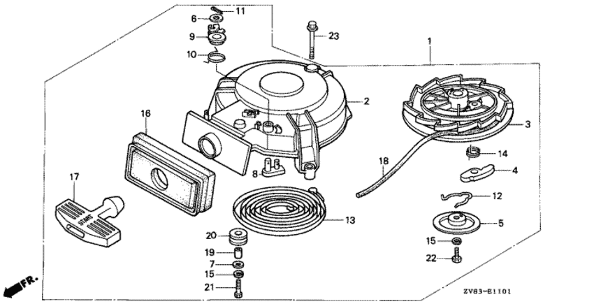
   Барабанный стартер (bf8c / cx)
Recoil Starter (bf8c / Cx)      


ДЕТАЛИРОВКА ДЛЯ МОДЕЛИ: HONDA BF6D6

Подвесной 4x-тактный двигатель BF6D6 - Барабанный стартер (bf8c / cx) - Recoil Starter (bf8c / Cx)

Время выполнения запроса 0.16952204704285 сек.

 
 

данный сайт носит информационный характер и не является публичной офертой

склад запчастей для водомоторной техники