вконтакте

Контактный телефон: +7 (981) 121-46-93, +7 (800) 200-90-76 , Email: parts-katalog@yandex.ru, где купить

 
 

  Логин:

Пароль:

Регистрация

www.partskatalog.ru Все каталоги Запчасти Mercury Запчасти Suzuki Запчасти Tohatsu Запчасти Honda Контакты

назад Раздел:   вперёд

Модификация Вашего двигателя:   Honda BF6D6 LU
Модели с серийным номером двигателя от BEAYJ-1000001 до BEAYJ-9999999
Модели с серийным номером рамы от BAYJ-1000001 до BAYJ-9999999

Вернуться к выбору узлов мотора

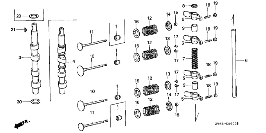
   Распределительный вал / Клапан
Camshaft / Valve      


ДЕТАЛИРОВКА ДЛЯ МОДЕЛИ: HONDA BF6D6

Подвесной  лодочный двигатель BF6D6 - Camshaft / Valve / Распределительный вал / Клапан
Номер на
рисунке
АртикулНаименованиеКол-во
на складе
Цена
112209-422-005

Сальник штока клапана (Seal, valve stem)

17 шт2530 руб. 
314110-ZV8-G00

Распределительный вал, комплект (Camshaft comp.)

под заказ17250 руб. 
514431-881-000

Плечо коромысла клапана (Arm, valve rocker)

под заказ3310 руб. 
614451-881-000

Вал коромысла клапана (Shaft, valve rocker arm)

под заказпо запросу 
714481-881-000

Пружина клапана Коромысло (Spring, valve rocker arm)

под заказпо запросу 
814482-881-000

Воротник a, Клапан Коромысло (Collar a, valve rocker arm)

под заказ450 руб. 
914483-881-000

Воротник b, Клапан Коромысло (Collar b, valve rocker arm)

под заказпо запросу 
1014711-881-C40

Клапан, впускной (Valve, in)

под заказ2580 руб. 
1114721-881-000

Клапан, выпускной (Valve, ex)

под заказ3830 руб. 
1214753-921-010

Пружина клапана (Spring, valve)

под заказ360 руб. 
1314771-881-000

Держатель пружину клапана (Retainer, valve spring)

под заказ710 руб. 
1414771-935-810

Держатель пружину клапана (Retainer, valve spring)

под заказ1140 руб. 
1514772-881-000

Ротор клапана (Rotator, valve)

под заказ600 руб. 
1614775-921-000

Седло пружины клапана (Seat, valve spring)

под заказ640 руб. 
1714781-001-004

Шпонка клапана (Cotter, valve)

под заказ150 руб. 
1890012-333-000

Винт регулировки толкателя клапана (Screw, tappet adjusting)

1 шт360 руб. 
1990206-001-000

Гайка регулировки толкателя клапана (Nut, tappet adjusting)

1 шт110 руб. 
2090453-235-000

Упорная шайба, 16 мм (Washer, thrust, 16mm)

под заказ210 руб. 
2190741-921-000

Ключ, Шкив, 12x16x3 (Key, cam pulley, 12x16x3)

под заказпо запросу 

Время выполнения запроса 0.51955914497375 сек.

 
 

данный сайт носит информационный характер и не является публичной офертой

склад запчастей для водомоторной техники