вконтакте

Контактный телефон: +7 (981) 121-46-93, +7 (800) 200-90-76 , Email: parts-katalog@yandex.ru, где купить

 
 

  Логин:

Пароль:

Регистрация

www.partskatalog.ru Все каталоги Запчасти Mercury Запчасти Suzuki Запчасти Tohatsu Запчасти Honda Контакты

назад Раздел:   вперёд

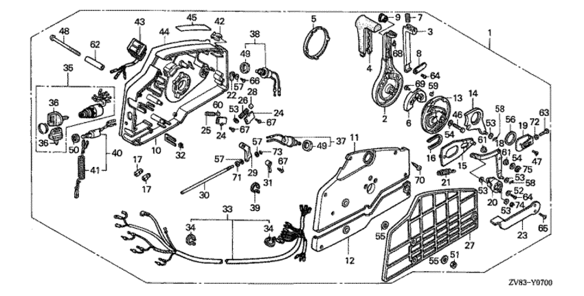
Модификация Вашего двигателя:   Honda BF8AX LD
Модели с серийным номером двигателя от BACE-1200001 до BACE-9999999
Модели с серийным номером рамы от BACL-1400001 до BACL-1499999

Вернуться к выбору узлов мотора

   Дистанционное управление в сборе (bf8cx)
Remote Control Box (bf8cx)      


ДЕТАЛИРОВКА ДЛЯ МОДЕЛИ: HONDA BF8AX

Подвесной четырёх тактный лодочный двигатель BF8AX - Remote Control Box (bf8cx) - Дистанционное управление в сборе (bf8cx)

Время выполнения запроса 0.22811079025269 сек.

 
 

данный сайт носит информационный характер и не является публичной офертой

склад запчастей для водомоторной техники