вконтакте

Контактный телефон: +7 (981) 121-46-93, +7 (800) 200-90-76 , Email: parts-katalog@yandex.ru, где купить

 
 

  Логин:

Пароль:

Регистрация

www.partskatalog.ru Все каталоги Запчасти Mercury Запчасти Suzuki Запчасти Tohatsu Запчасти Honda Контакты

назад Раздел:   вперёд

Модификация Вашего двигателя:   Honda BF8AX SE
Модели с серийным номером двигателя от BACE-1200001 до BACE-9999999
Модели с серийным номером рамы от BACS-1400001 до BACS-1402896

Вернуться к выбору узлов мотора

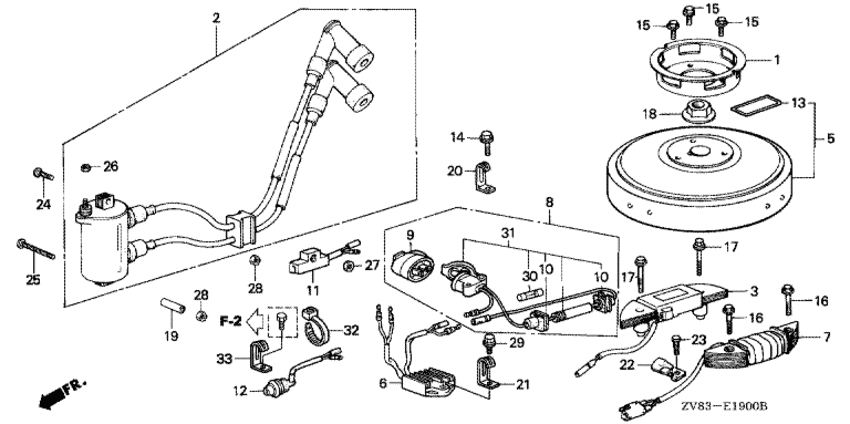
   Катушка зажигания / Маховик (bf6b / bx / d6,bf8ax / b / bx)
Ignition Coil / Flywheel (bf6b / Bx / D6,bf8ax / B / Bx)      


ДЕТАЛИРОВКА ДЛЯ МОДЕЛИ: HONDA BF8AX

Лодочный  мотор BF8AX - Катушка зажигания / Маховик (bf6b / bx / d6,bf8ax / b / bx)
Номер на
рисунке
АртикулНаименованиеКол-во
на складе
Цена
128571-881-000

Шкив стартера (Pulley, starter)

под заказпо запросу 
230500-881-732

Катушка зажигания c.d.i. (Coil assy., c.d.i. ignition)

под заказ13100 руб. 
230500-ZV8-G01

(последний код) COIL ASSY., C.D.I. IGNITI

под заказ13100 руб. 
330540-881-732

Катушка возбуждения (Coil assy., exciter)

под заказ13510 руб. 
531100-881-010ZC

Маховик, комплект *чёрный * (Flywheel comp. *tblack *)

под заказпо запросу 
731630-881-A01

Зарядная катушка (dc12v / 55w) (Coil assy., charge (dc12v/55w))

под заказ7400 руб. 
1590016-920-000

Фланцевый болт, 6x12 (Bolt, flange, 6x12)

под заказ430 руб. 
1690123-881-000

Фланцевый болт, 6x28 (Bolt, flange, 6x28)

под заказпо запросу 
1790124-881-000

Фланцевый болт, 6x35 (Bolt, flange, 6x35)

под заказпо запросу 
1890201-881-000

Специальная гайка, 14 мм (Nut, special, 14mm)

под заказ1190 руб. 
1990742-881-000

Промежуточный воротник (Collar, distance)

под заказпо запросу 
2291404-881-000

Зажим, Провод (Clip, wire)

под заказпо запросу 
2393500-060120B

Винт с чашечкой, 6x12 (Screw, pan, 6x12)

под заказпо запросу 
2493500-060-280-B

Винт с чашечкой, 6x28 (Screw, pan, 6x28)

под заказпо запросу 
2593500-060-500-B

Винт с чашечкой, 6x50 (Screw, pan, 6x50)

под заказпо запросу 
2694001-053-300-S

Шестигранная гайка, 5 мм (Nut, hex., 5mm)

под заказпо запросу 
2894001-060200S

Шестигранная гайка, 6 мм (Nut, hex., 6mm)

под заказ110 руб. 
3391401-ZV4-000

Зажим трубки (Clip, tube)

под заказпо запросу 

Время выполнения запроса 0.70708298683167 сек.

 
 

данный сайт носит информационный характер и не является публичной офертой

склад запчастей для водомоторной техники