вконтакте

Контактный телефон: +7 (981) 121-46-93, +7 (800) 200-90-76 , Email: parts-katalog@yandex.ru, где купить

 
 

  Логин:

Пароль:

Регистрация

www.partskatalog.ru Все каталоги Запчасти Mercury Запчасти Suzuki Запчасти Tohatsu Запчасти Honda Контакты

назад Раздел:   вперёд

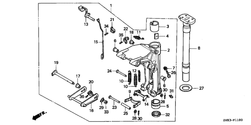
Модификация Вашего двигателя:   Honda BF8CX LGDS
Модели с серийным номером двигателя от BABE-1200001 до BABE-9999999
Модели с серийным номером рамы от BAVL-1400001 до BAVL-1400145

Вернуться к выбору узлов мотора

   Поворотный корпус / Поворотный вал (bf6b / bx / d6,bf8ax / b / bx)
Swivel Case / Swivel Shaft (bf6b / Bx / D6,bf8ax / B / Bx)      


ДЕТАЛИРОВКА ДЛЯ МОДЕЛИ: HONDA BF8CX

Двигатель HONDA BF8CX - Swivel Case / Swivel Shaft (bf6b / Bx / D6,bf8ax / B / Bx) / Поворотный корпус / Поворотный вал (bf6b / bx / d6,bf8ax / b / bx)

Время выполнения запроса 0.19353699684143 сек.

 
 

данный сайт носит информационный характер и не является публичной офертой

склад запчастей для водомоторной техники