Контактный телефон: +7 (981) 121-46-93, +7 (800) 200-90-76 , Email: parts-katalog@yandex.ru, где купить |
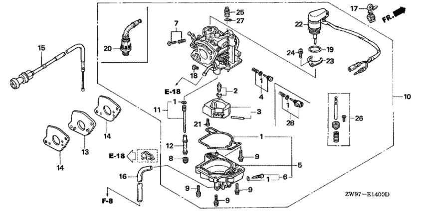
Модификация Вашего двигателя: Honda BF10B2 LRG Вернуться к выбору узлов мотора Карбюратор |
|||||||||||||||||||||||||||||||||||||||||||||||||||||||||||||||||||||||||||||||||||||||||||||||||||||||||||||||||||||||||||||||||||||||||||||||||||||||||||||||||||||||||||||||
| Номер на рисунке | Артикул | Наименование | Кол-во на складе | Цена | |
| 1 | 16010-ZW9-003 | Комплект прокладок (Gasket set) | 3 шт | 1650 руб. | |
| 2 | 16011-ZV4-005 | Клапан поплавка, набор (Valve set, float) | 1 шт | 6940 руб. | |
| 3 | 16013-ZW9-003 | Поплавок, набор (Float set) | под заказ | 4700 руб. | |
| 4 | 16016-ZW9-721 | Набор винтов (Screw set) | под заказ | 1820 руб. | |
| 5 | 16023-ZW9-803 | Поплавковая камера, набор (Chamber set, float) | под заказ | по запросу | |
| 6 | 16024-ZV4-650 | Дренажный винт, комплект (Screw set, drain) | под заказ | 2400 руб. | |
| 7 | 16028-ZV4-650 | Набор винтов (Screw set) | под заказ | 1680 руб. | |
| 8 | 16071-ZV4-005 | Винт заглушки (Screw, plug) | 3 шт | 970 руб. | |
| 9 | 16081-ZV4-650 | Винт с шайбой (Screw-washer) | под заказ | 380 руб. | |
| 10 | 16100-ZW9-823 | Карбюратор в сборе. (bj03b c) (Carburetor assy. (bj03b c)) | под заказ | по запросу | |
| 10 | 16100-ZW9-825 | Карбюратор в сборе. (bj03b c) (Carburetor assy. (bj03b c)) | под заказ | по запросу | |
| 11 | 16150-ZW9-003 | Форсунка, #45 (Jet set, #45) | под заказ | 5360 руб. | |
| 12 | 16166-ZW9-003 | Главная форсунка (Nozzle, main) | под заказ | 3940 руб. | |
| 13 | 16211-ZW9-700 | Изолятор карбюратора (Insulator, carburetor) | 2 шт | 1380 руб. | |
| 14 | 16221-ZW9-000 | Прокладка карбюратора (Packing, carburetor) | 5 шт | 520 руб. | |
| 16 | 95003-070-203-1 | Трубка (Tube) | под заказ | 110 руб. | |
| 17 | 91558-SM4-003 | Зажим (Clip) | под заказ | 530 руб. | |
| 18 | 99101-ZV5-0980 | Главная форсунка, #98 (Jet, main, #98) | под заказ | 1080 руб. | |
| 19 | 16077-KG8-901 | Уплотнительное кольцо стартера (O-ring, bystarter) | 1 шт | 610 руб. | |
| 21 | 16121-ZW9-003 | Винт с чашечкой (Screw, pan) | под заказ | 170 руб. | |
| 22 | 16130-ZW9-801 | ByСтартер в сборе., авто (Bystarter assy., auto) | под заказ | 10710 руб. | |
| 23 | 16131-ZW9-801 | Установочная пластина (Plate, setting) | 1 шт | 660 руб. | |
| 24 | 16132-ZW9-801 | Винт с шайбой (Screw-washer) | 1 шт | 270 руб. | |
| 25 | 16119-ZW9-013 | Колпачок (Cap) | 4 шт | 1400 руб. | |
| 26 | 16123-ZW9-013 | Плунжер, акселератор помпы (комплект) (Plunger set, accelerator pump) | под заказ | 2910 руб. | |
| 27 | 16163-GHB-600 | Зажим трубки (Clip, tube) | 1 шт | 230 руб. | |
Время выполнения запроса 0.64402008056641 сек.
склад запчастей для водомоторной техники