вконтакте

Контактный телефон: +7 (981) 121-46-93, +7 (800) 200-90-76 , Email: parts-katalog@yandex.ru, где купить

 
 

  Логин:

Пароль:

Регистрация

www.partskatalog.ru Все каталоги Запчасти Mercury Запчасти Suzuki Запчасти Tohatsu Запчасти Honda Контакты

назад Раздел:   вперёд

Модификация Вашего двигателя:   Honda BF15B SGDS
Модели с серийным номером двигателя от BAAE-1200001 до BAAE-1299999
Модели с серийным номером рамы от BATS-1000001 до BATS-1399999

Вернуться к выбору узлов мотора

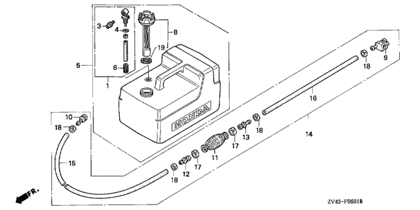
   Топливный бак (пластиковый)
Fuel Tank (plastics)      


ДЕТАЛИРОВКА ДЛЯ МОДЕЛИ: HONDA BF15B

Лодочный четырёхтактный мотор BF15B - Fuel Tank (plastics) - Топливный бак (пластиковый)

Время выполнения запроса 0.18679404258728 сек.

 
 

данный сайт носит информационный характер и не является публичной офертой

склад запчастей для водомоторной техники