вконтакте

Контактный телефон: +7 (981) 121-46-93, +7 (800) 200-90-76 , Email: parts-katalog@yandex.ru, где купить

 
 

  Логин:

Пароль:

Регистрация

www.partskatalog.ru Все каталоги Запчасти Mercury Запчасти Suzuki Запчасти Tohatsu Запчасти Honda Контакты

назад Раздел:   вперёд

Модификация Вашего двигателя:   Honda BF25A2 LRSC
Модели с серийным номером двигателя от BAJE-2000001 до BAJE-9999999
Модели с серийным номером рамы от BAJS-3220001 до BAJS-3299999

Вернуться к выбору узлов мотора

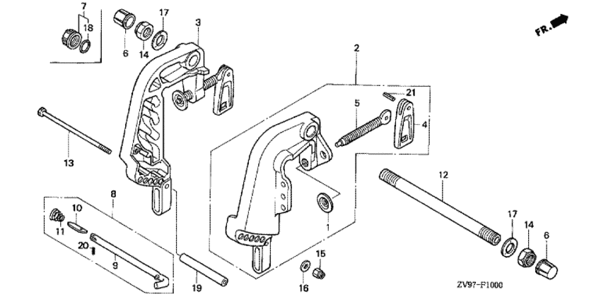
   Кронштейн транца
Stern Bracket      


ДЕТАЛИРОВКА ДЛЯ МОДЕЛИ: HONDA BF25A2

Подвесной  лодочный двигатель Honda BF25A2 - Кронштейн транца - Stern Bracket
Номер на
рисунке
АртикулНаименованиеКол-во
на складе
Цена
150122-935-010

Нажимная пластина (Plate, push)

1 шт840 руб. 
250300-ZV7-010ZA

Правый кормовой кронштейн *nh282mu * (Bracket comp., r. stern *nh282mu *)

под заказ47830 руб. 
350310-ZV7-000ZA

Левый кормовой кронштейн *nh282mu * (Bracket comp., l. stern *nh282mu *)

под заказ49280 руб. 
350310-ZW2-F30ZA

(последний код) BRACKET COMP., L. STERN *

под заказ46220 руб. 
450323-ZV4-310ZB

Рукоятка зажима *nh282mu * (Grip, clamp *nh282mu *)

под заказ2730 руб. 
550325-881-310

Винт зажима (Screw, clamp)

под заказ2500 руб. 
550325-881-505

(последний код) SCREW/PLAT.SET

под заказ2500 руб. 
650331-ZV5-000

Колпачок болта опрокидывания (Cap, tilting bolt)

под заказ1010 руб. 
750335-ZV5-000

Колпачок в сборе (Cap assy.)

под заказ1760 руб. 
850340-ZV7-000

Регулировочная штанга, комплект (Rod comp., adjusting)

под заказ8530 руб. 
850340-ZV7-010

(последний код) ROD COMP., ADJUSTING

6 шт8530 руб. 
950341-ZV7-300

Регулировочная штанга (Rod, adjusting)

под заказпо запросу 
1050342-ZV5-300

Стопор тяги (Stopper, rod)

под заказ1100 руб. 
1150343-ZV7-300

Пружина регулировки тяги (Spring, adjusting rod)

под заказ430 руб. 
1250381-ZV5-000

Вал наклона (Shaft, tilting)

под заказ19840 руб. 
1250381-ZZ5-000

(последний код) SHAFT, TILTING

под заказ19840 руб. 
1390108-ZV7-000

Болт под шестигранник., 8x163 (Bolt, hex., 8x163)

под заказ1400 руб. 
1490304-ZV5-003

Гайка с замком (7 / 8-14unf) (Nut, self-lock (7/8-14unf))

под заказ2950 руб. 
1490304-ZV5-013

(последний код) NUT, SELF-LOCK (7/8-14UNF

под заказ2950 руб. 
1590305-ZV4-000

Гайка с замком, 8 мм (Nut, self-lock, 8mm)

под заказ550 руб. 
1690507-ZV4-000

Плоская шайба, 8 мм (Washer, plain, 8mm)

под заказ360 руб. 
1790517-ZV5-000

Волнистая шайба, 22 мм (Washer, wave, 22mm)

под заказ1070 руб. 
1891352-ZV5-000

Уплотнительное кольцо, 15.54x2.26 (O-ring, 15.54x2.26)

3 шт290 руб. 
1991501-ZV7-000

Промежуточный воротник (8 мм) (Collar, distance (8mm))

под заказ5080 руб. 
2094305-25083

Стопор пружины, 2.5x8 (Pin, spring, 2.5x8)

под заказ70 руб. 
2194305-40143

Стопор пружины, 4x14 (Pin, spring, 4x14)

под заказ90 руб. 

Время выполнения запроса 0.49758195877075 сек.

 
 

данный сайт носит информационный характер и не является публичной офертой

склад запчастей для водомоторной техники