вконтакте

Контактный телефон: +7 (981) 121-46-93, +7 (800) 200-90-76 , Email: parts-katalog@yandex.ru, где купить

 
 

  Логин:

Пароль:

Регистрация

www.partskatalog.ru Все каталоги Запчасти Mercury Запчасти Suzuki Запчасти Tohatsu Запчасти Honda Контакты

назад Раздел:   вперёд

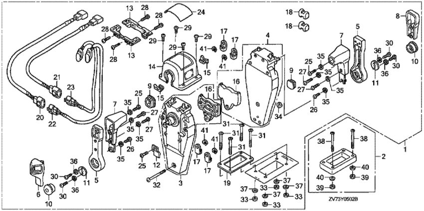
Модификация Вашего двигателя:   Honda BF30D4 LHGU
Модели с серийным номером двигателя от BEAUJ-1000001 до BEAUJ-
Модели с серийным номером рамы от BAUJ-1000001 до BAUJ-

Вернуться к выбору узлов мотора

   Дистанционное управление (двойное, правое, монтаж сверху)
Remote Control (top Mount Dual Type) (right)      


ДЕТАЛИРОВКА ДЛЯ МОДЕЛИ: HONDA BF30D4

Подвесной лодочный четырёхтактный двигатель BF30D4 - Remote Control (top Mount Dual Type) (right) / Дистанционное управление (двойное, правое, монтаж сверху)

Время выполнения запроса 0.21383023262024 сек.

 
 

данный сайт носит информационный характер и не является публичной офертой

склад запчастей для водомоторной техники