вконтакте

Контактный телефон: +7 (981) 121-46-93, +7 (800) 200-90-76 , Email: parts-katalog@yandex.ru, где купить

 
 

  Логин:

Пароль:

Регистрация

www.partskatalog.ru Все каталоги Запчасти Mercury Запчасти Suzuki Запчасти Tohatsu Запчасти Honda Контакты

назад Раздел:   вперёд

Модификация Вашего двигателя:   Honda BF30A LRSD
Модели с серийным номером двигателя от BAWE-1000001 до BAWE-1999999
Модели с серийным номером рамы от BAWL-1000001 до BAWL-2999999

Вернуться к выбору узлов мотора

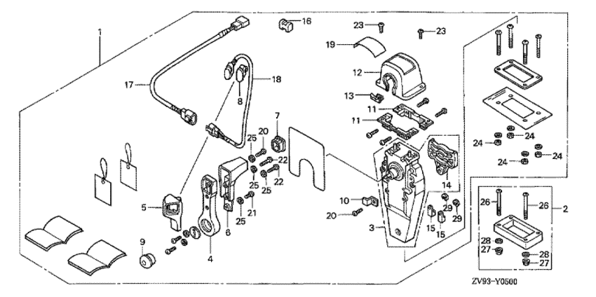
   Дистанционное управление (одинарное, правое, монтаж сверху)
Remote Control (top Mount Single Type) (right)      


ДЕТАЛИРОВКА ДЛЯ МОДЕЛИ: HONDA BF30A

Подвесной 4-тактный лодочный двигатель HONDA BF30A - Дистанционное управление (одинарное, правое, монтаж сверху) / Remote Control (top Mount Single Type) (right)

Время выполнения запроса 0.17027497291565 сек.

 
 

данный сайт носит информационный характер и не является публичной офертой

склад запчастей для водомоторной техники