вконтакте

Контактный телефон: +7 (981) 121-46-93, +7 (800) 200-90-76 , Email: parts-katalog@yandex.ru, где купить

 
 

  Логин:

Пароль:

Регистрация

www.partskatalog.ru Все каталоги Запчасти Mercury Запчасти Suzuki Запчасти Tohatsu Запчасти Honda Контакты

назад Раздел:   вперёд

Модификация Вашего двигателя:   Honda BF30A2 SHC
Модели с серийным номером двигателя от BAWE-2000001 до BAWE-9999999
Модели с серийным номером рамы от BAWS-3220001 до BAWS-3299999

Вернуться к выбору узлов мотора

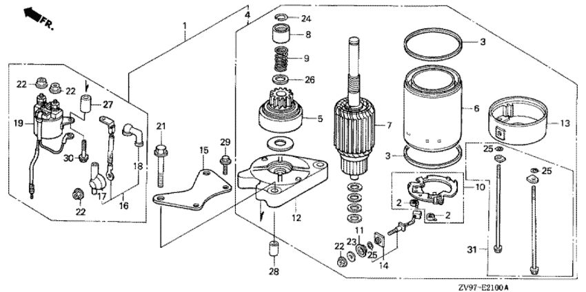
   Двигатель стартера
Starter Motor      


ДЕТАЛИРОВКА ДЛЯ МОДЕЛИ: HONDA BF30A2

Подвесной  лодочный мотор Honda BF30A2 - Двигатель стартера - Starter Motor

Время выполнения запроса 0.1861469745636 сек.

 
 

данный сайт носит информационный характер и не является публичной офертой

склад запчастей для водомоторной техники