вконтакте

Контактный телефон: +7 (981) 121-46-93, +7 (800) 200-90-76 , Email: parts-katalog@yandex.ru, где купить

 
 

  Логин:

Пароль:

Регистрация

www.partskatalog.ru Все каталоги Запчасти Mercury Запчасти Suzuki Запчасти Tohatsu Запчасти Honda Контакты

назад Раздел:   вперёд

Модификация Вашего двигателя:   Honda BF40A4 LRE
Модели с серийным номером двигателя от BAYE-3000001 до BAYE-9999999
Модели с серийным номером рамы от BAYL-3400001 до BAYL-3999999

Вернуться к выбору узлов мотора

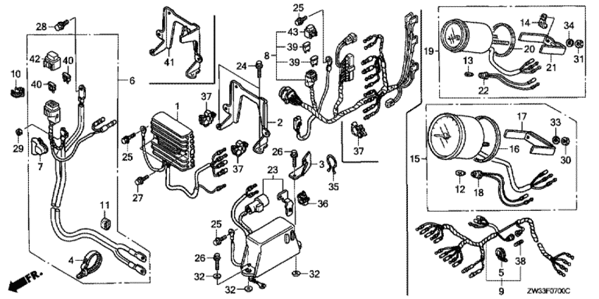
   Регулятор
Regulator      


ДЕТАЛИРОВКА ДЛЯ МОДЕЛИ: HONDA BF40A4

Лодочный  мотор BF40A4 - Regulator - Регулятор
Номер на
рисунке
АртикулНаименованиеКол-во
на складе
Цена
131600-ZV5-003

Выпрямитель-регулятор, в сборе (12a) (Rectifier assy., regulator (12a))

под заказ31620 руб. 
131750-ZW4-003

Выпрямитель-регулятор, в сборе (12a) (Rectifier assy., regulator (12a))

под заказ33500 руб. 
231604-ZW4-H00

Кронштейн регулятора (Bracket, regulator)

под заказпо запросу 
432121-HA0-003

Ремешок шнура (Band, cord)

под заказ840 руб. 
532161-404-000

Ремешок провода B1 (Band b1, wire)

под заказ420 руб. 
632410-ZW4-H00

Кабель стартера, в сборе (Cable assy., starter)

под заказ34570 руб. 
732411-ZV5-003

Колпачок свечи зажигания (Cover, terminal)

под заказпо запросу 
832520-ZW4-H00

Кабель для дистанционного управления (a) (Cable assy., remote control (a))

под заказпо запросу 
832520-ZW4-H01

Кабель для дистанционного управления (a) (Cable assy., remote control (a))

под заказпо запросу 
932540-ZV5-911

Жгут проводов для подключения приборов (a) (Harness assy., meter (a))

1 шт14660 руб. 
1032660-MJ6-710

Фиксатор провода (Clamper, cord)

под заказ600 руб. 
1132903-701-000

Фиксатор высоковольтного провода (Clamper, high tension cord)

под заказ140 руб. 
2490013-ZV0-010

Фланцевый болт, 6x12 (Bolt, flange, 6x12)

под заказ350 руб. 
2590013-ZW4-000

Фланцевый болт, 6x12 (ct200) (Bolt, flange, 6x12 (ct200))

под заказ490 руб. 
2790018-ZW5-000

Фланцевый болт, 6x20 (Bolt, flange, 6x20)

под заказ290 руб. 
2890107-ZW4-000

Фланцевый болт, 8x12 (Bolt, flange, 8x12)

под заказпо запросу 
2990203-ZV5-000

Шестигранная гайка, 6 мм (Nut, hex., 6mm)

под заказ0 руб. 
3690659-735-921

Зажим провода (Clip, cord)

под заказпо запросу 
3790682-ZV5-003

Зажим под жгут проводов (Clip, wire harness)

под заказ300 руб. 
38 9820011000

Предохранитель A (10a) (Fuse a (10a))

под заказ70 руб. 
3998200-31000

Предохранитель (Fuse)

под заказ70 руб. 
4098200-31500

Предохранитель (Fuse)

под заказ70 руб. 
4238216-ZV5-003

Крышка предохранителя (15a) (Cover assy., fuse (15a))

под заказ960 руб. 
4338218-ZW5-004

Крышка предохранителя (10a) (Cover assy., fuse (10a))

под заказ1560 руб. 

Время выполнения запроса 0.75696086883545 сек.

 
 

данный сайт носит информационный характер и не является публичной офертой

склад запчастей для водомоторной техники