Контактный телефон: +7 (981) 121-46-93, +7 (800) 200-90-76 , Email: parts-katalog@yandex.ru, где купить |
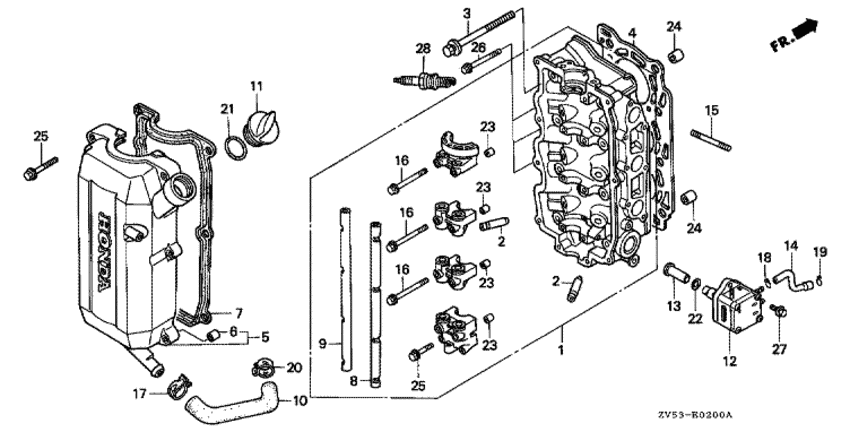
Модификация Вашего двигателя: Honda BF45AM LRTB Вернуться к выбору узлов мотора Головка блока цилиндра |
|||||||||||||||||||||||||||||||||||||||||||||||||||||||||||||||||||||||||||||||||||||||||||||||||||||||||||||||||||||||||||||||||||||||||||||||||||||||||||||||||||||||||||||||||||||||||||||||||||||||||||||||||||||||||||||||||||||||||||||||||||||||||||||
| Номер на рисунке | Артикул | Наименование | Кол-во на складе | Цена | |
| 1 | 12010-ZV5-000ZA | Head в сборе., Цилиндр *nh8 * (Head assy., cylinder *nh8 *) | под заказ | по запросу | |
| 1 | 12010-ZV5-010ZA | Head в сборе., Цилиндр *nh8 * (Head assy., cylinder *nh8 *) | под заказ | 178500 руб. | |
| 2 | 12205-ZV5-305 | Направляющая клапана (0.s.) (Guide, valve (0.s.)) | под заказ | по запросу | |
| 2 | 12205-ZV5-315 | Направляющая клапана (0.s.) (Guide, valve (0.s.)) | под заказ | по запросу | |
| 2 | 12205-ZV5-325 | Направляющая клапана (o.s.) (Guide, valve (o.s.)) | под заказ | 2240 руб. | |
| 3 | 12228-ZV5-004 | Болт с шайбой, 10x85 (Bolt-washer, 10x85) | под заказ | 950 руб. | |
| 4 | 12251-ZV5-000 | Прокладка головки блока цилиндра (Gasket, cylinder head) | под заказ | 9710 руб. | |
| 4 | 12251-ZW4-H01 | (последний код) GASKET, CYLINDER HEAD | 1 шт | 5750 руб. | |
| 5 | 12310-ZV5-000 | Крышка головки цилиндра (Cover comp., cylinder head) | под заказ | 34320 руб. | |
| 5 | 12310-ZZ5-M00 | (последний код) COVER COMP., CYLINDER HEA | под заказ | 29380 руб. | |
| 6 | 12314-ZV5-300 | Воротник крышки головки цилиндра (Collar, head cover) | под заказ | 840 руб. | |
| 7 | 12391-ZV5-000 | Прокладка крышки головки цилиндра (Packing, head cover) | под заказ | 5110 руб. | |
| 7 | 12391-ZV5-010 | (последний код) PACKING, HEAD COVER | 3 шт | 4500 руб. | |
| 8 | 14631-ZV5-000 | Вал входного коромысла (Shaft, in. rocker arm) | под заказ | 0 руб. | |
| 9 | 14632-ZV5-000 | Вал выходного коромысла (Shaft, ex. rocker arm) | под заказ | 8830 руб. | |
| 10 | 15422-ZV5-000 | Масляная трубка (Tube, oil) | под заказ | 4690 руб. | |
| 10 | 06154-ZV5-000 | (последний код) TUBE SET, OIL | под заказ | 4690 руб. | |
| 11 | 15611-921-000 | Крышка заливной горловины масла (жёлтый) (Cap, oil (yellow)) | под заказ | 1030 руб. | |
| 12 | 16700-ZV5-000 | Топливный насос, в сборе (Pump assy., fuel) | под заказ | 15140 руб. | |
| 12 | 16700-ZW1-004 | (последний код) PUMP ASSY., FUEL | 1 шт | 20900 руб. | |
| 12 | 16700-ZV5-003 | Топливный насос, в сборе (Pump assy., fuel) | под заказ | 22730 руб. | |
| 13 | 16716-ZV5-000 | Лифтер топливного насоса (Lifter, fuel pump) | под заказ | 1170 руб. | |
| 14 | 16861-ZV5-000 | Топливная трубка B (Tube b, fuel) | под заказ | 970 руб. | |
| 15 | 90006-ZV5-000 | Болт под шпильку, 6x28 (Bolt, stud, 6x28) | под заказ | по запросу | |
| 16 | 90018-ZV5-000 | Фланцевый болт, 6x70 (Bolt, flange, 6x70) | под заказ | 0 руб. | |
| 17 | 90602-ZV5-013 | Струбцина трубки (d22) (Clamp, tube (d22)) | под заказ | по запросу | |
| 18 | 90603-ZV4-000 | Зажим трубки (b10) (Clip, tube (b10)) | под заказ | 270 руб. | |
| 19 | 90604-881-000 | Зажим трубки (b12) (Clip, tube (b12)) | под заказ | 220 руб. | |
| 20 | 90602-ZV3-000 | Струбцина трубки (d18.8) (Clamp, tube (d18.8)) | под заказ | по запросу | |
| 21 | 91301-805-000 | Уплотнительное кольцо, 26x2.7 (O-ring, 26x2.7) | под заказ | 380 руб. | |
| 22 | 91306-921-000 | Уплотнительное кольцо, 20.8x2.4 (O-ring, 20.8x2.4) | под заказ | 440 руб. | |
| 22 | 91351-MG7-003 | (последний код) O-RING 20.6X2.4 | 4 шт | 440 руб. | |
| 23 | 94301-08140 | Шпонка (Dowel pin) | 4 шт | 150 руб. | |
| 24 | 94303-06100 | Шпонка (Dowel pin) | под заказ | 230 руб. | |
| 25 | 95701-0603502 | Фланцевый болт, 6x35 (Bolt, flange, 6x35) | под заказ | 120 руб. | |
| 26 | 95701-0804002 | Фланцевый болт, 8x40 (Bolt, flange, 8x40) | под заказ | 150 руб. | |
| 27 | 96001-0602002 | Фланцевый болт, 6x20 (Bolt, flange, 6x20) | под заказ | 150 руб. | |
| 28 | 98069-5771P | Свеча зажигания (dr7ea) (ngk) (Plug, spark (dr7ea) (ngk)) | под заказ | 650 руб. | |
| 28 | 9806957726 | Свеча зажигания (x22esr-u) (denso) (Plug, spark (x22esr-u) (denso)) | 1 шт | 650 руб. | |
Время выполнения запроса 0.72496604919434 сек.
склад запчастей для водомоторной техники