вконтакте

Контактный телефон: +7 (981) 121-46-93, +7 (800) 200-90-76 , Email: parts-katalog@yandex.ru, где купить

 
 

  Логин:

Пароль:

Регистрация

www.partskatalog.ru Все каталоги Запчасти Mercury Запчасти Suzuki Запчасти Tohatsu Запчасти Honda Контакты

назад Раздел:   вперёд

Модификация Вашего двигателя:   Honda BF50A LRTB
Модели с серийным номером двигателя от BAZE-1000001 до BAZE-9999999
Модели с серийным номером рамы от BAZL-1000001 до BAZL-1999999

Вернуться к выбору узлов мотора

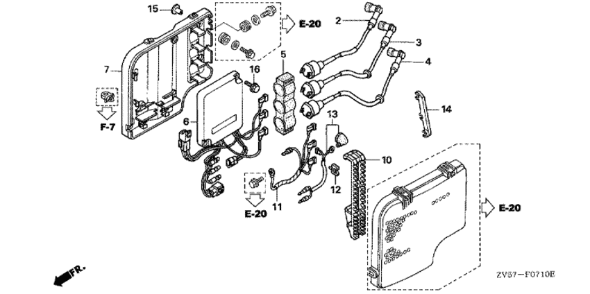
   Катушка зажигания / Блок управления C.D.I.
Ignition Coil / C.d.i. Unit      


ДЕТАЛИРОВКА ДЛЯ МОДЕЛИ: HONDA BF50A

Подвесной  лодочный мотор Honda BF50A - Ignition Coil / C.d.i. Unit - Катушка зажигания / Блок управления C.D.I.

Время выполнения запроса 0.18401503562927 сек.

 
 

данный сайт носит информационный характер и не является публичной офертой

склад запчастей для водомоторной техники