вконтакте

Контактный телефон: +7 (981) 121-46-93, +7 (800) 200-90-76 , Email: parts-katalog@yandex.ru, где купить

 
 

  Логин:

Пароль:

Регистрация

www.partskatalog.ru Все каталоги Запчасти Mercury Запчасти Suzuki Запчасти Tohatsu Запчасти Honda Контакты

назад Раздел:   вперёд

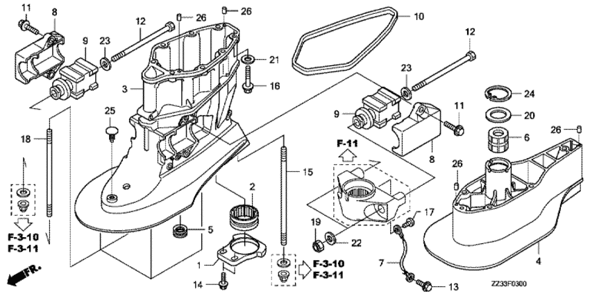
Модификация Вашего двигателя:   Honda BF60A LRTL
Модели с серийным номером двигателя от BEBFJ-1000001 до BEBFJ-
Модели с серийным номером рамы от BBFJ-1000001 до BBFJ-

Вернуться к выбору узлов мотора

   Удлинение корпуса
Extension Case      


ДЕТАЛИРОВКА ДЛЯ МОДЕЛИ: HONDA BF60A

Лодочный четырёх тактный мотор Honda BF60A - Extension Case / Удлинение корпуса
Номер на
рисунке
АртикулНаименованиеКол-во
на складе
Цена
118334-ZZ3-000

Держатель втулки выхлопной трубы (Holder, ex. pipe grommet)

под заказ0 руб. 
218337-ZZ3-000

Пыльник выхлопной трубы (Grommet, ex. pipe)

под заказ0 руб. 
340201-ZZ3-000ZB

Удлинитель копуса (l) *nh282mu* (Case, extension (l) *nh282mu*)

под заказ196230 руб. 
540204-ZV5-000

Пыльник удлинения корпуса (Grommet, extension case)

4 шт640 руб. 
740219-ZY3-013

Подводящий провод (1.5x116 мм) (Wire, lead (1.5x116mm))

под заказ1860 руб. 
740219-ZY3-023

(последний код) WIRE, LEAD (1.5X116MM)

1 шт1860 руб. 
850111-ZZ3-000

Кожух, установленный снизу (Housing, lower mounting)

под заказ13400 руб. 
950155-ZZ3-000

Крепление нижней резинки (Mount comp., lower rubber)

под заказ23500 руб. 
1063719-ZZ3-000

Сальник B под крышкой (Seal b, cover under)

под заказ1700 руб. 
1190101-HW1-671

Фланцевый болт, 8x25 (Bolt, flange, 8x25)

под заказ460 руб. 
1290102-ZY9-000

Болт под шестигранник., 12x186 (Bolt, hex., 12x186)

под заказ4040 руб. 
1390103-ZW9-000

Фланцевый болт, 6x12 (Bolt, flange, 6x12)

под заказ430 руб. 
1390103-ZW9-010

(последний код) BOLT, FLANGE, 6X12

5 шт430 руб. 
1490105-ZW9-000

Фланцевый болт, 6x20 (Bolt, flange, 6x20)

2 шт640 руб. 
1690114-HW1-671

Фланцевый болт, 8x35 (Bolt, flange, 8x35)

под заказ500 руб. 
1790119-ZV5-000

Винт с чашечкой, 6x8 (Screw, pan, 6x8)

под заказ200 руб. 
1990308-ZV5-003

Гайка с замком, 12 мм (Nut, self-lock, 12mm)

под заказ1180 руб. 
2190507-ZV4-000

Плоская шайба, 8 мм (Washer, plain, 8mm)

под заказ360 руб. 
2590651-ZZ3-003

Зажим, 7 мм (Clip, 7mm)

под заказ450 руб. 
2690756-ZV5-000

Шпонка, 6x10 (Dowel pin, 6x10)

1 шт220 руб. 
2290559-ZW1-000

Плоская шайба, 12 мм (Washer, plain, 12mm)

под заказ1070 руб. 
2390552-ZV5-000

Плоская шайба, 12 мм (Washer, plain, 12mm)

под заказ1480 руб. 

Время выполнения запроса 0.85114502906799 сек.

 
 

данный сайт носит информационный характер и не является публичной офертой

склад запчастей для водомоторной техники