вконтакте

Контактный телефон: +7 (981) 121-46-93, +7 (800) 200-90-76 , Email: parts-katalog@yandex.ru, где купить

 
 

  Логин:

Пароль:

Регистрация

www.partskatalog.ru Все каталоги Запчасти Mercury Запчасти Suzuki Запчасти Tohatsu Запчасти Honda Контакты

назад Раздел:   вперёд

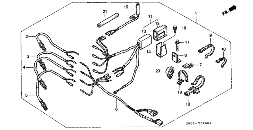
Модификация Вашего двигателя:   Honda BF75AX LRTD
Модели с серийным номером двигателя от BBAE-1000001 до BBAE-1999999
Модели с серийным номером рамы от BBAL-4000001 до BBAL-4399999

Вернуться к выбору узлов мотора

   Подогрев карбюратора
Carburetor Heater      


ДЕТАЛИРОВКА ДЛЯ МОДЕЛИ: HONDA BF75AX

Двигатель BF75AX - Подогрев карбюратора - Carburetor Heater
Номер на
рисунке
АртикулНаименованиеКол-во
на складе
Цена
106341-ZW1-900

Heater kit, Карбюратор (Heater kit, carburetor)

под заказпо запросу 
231860-ZW1-901

Heater в сборе., Карбюратор (#1) (Heater assy., carburetor (#1))

под заказпо запросу 
331870-ZW1-901

Heater в сборе., Карбюратор (#2) (Heater assy., carburetor (#2))

под заказпо запросу 
431880-ZW1-901

Heater в сборе., Карбюратор (#3) (Heater assy., carburetor (#3))

под заказпо запросу 
531890-ZW1-901

Heater в сборе., Карбюратор (#4) (Heater assy., carburetor (#4))

под заказпо запросу 
632105-ZW1-900

Sub Жгут проводов в сборе. (Sub harness assy.)

под заказпо запросу 
732114-ZW1-900

Кронштейн зажима (Bracket, clip)

под заказпо запросу 
832115-ZW1-900

Кронштейн зажима (Bracket, clip)

под заказпо запросу 
932161-404-000

Ремешок провода B1 (Band b1, wire)

под заказ420 руб. 
1032161-404-610

Ремешок провода B1 (Band b1, wire)

под заказ460 руб. 
1134180-ZW1-901

Control unit, heater (Control unit, heater)

под заказпо запросу 
1234184-ZW1-901

Suspension (Suspension)

под заказпо запросу 
1334185-ZW1-901

Control comp., heater (Control comp., heater)

под заказпо запросу 
1434187-ZW1-900

Кронштейн, unit (Bracket, unit)

под заказпо запросу 
1535680-ZW1-901

Thermistor в сборе (Thermistor assy)

под заказпо запросу 
1690013-ZV0-000

Фланцевый болт, 6x12 (Bolt, flange, 6x12)

под заказ350 руб. 
1790015-ZV0-000

Фланцевый болт, 6x28 (Bolt, flange, 6x28)

под заказ370 руб. 
1890649-SC2-003

Ремешок (Band)

под заказ920 руб. 
1990672-SA0-003

Хомут (Strap)

под заказ870 руб. 
2090683-SD9-781

Зажим (Clip)

под заказ860 руб. 
2195001-450-356-0

Топливный шланг, 4.5x35 (95001-45001-60m) (Tube, fuel, 4.5x35 (95001-45001-60m))

под заказпо запросу 

Время выполнения запроса 0.43568515777588 сек.

 
 

данный сайт носит информационный характер и не является публичной офертой

склад запчастей для водомоторной техники