Контактный телефон: +7 (981) 121-46-93, +7 (800) 200-90-76 , Email: parts-katalog@yandex.ru, где купить |
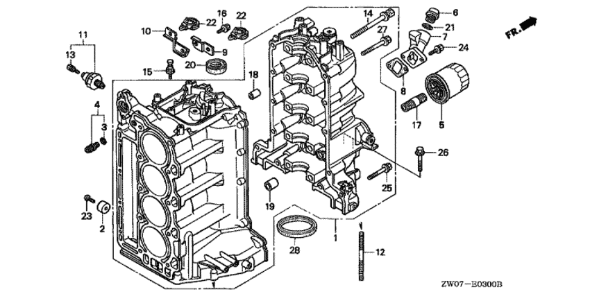
Модификация Вашего двигателя: Honda BF90A3 XRTC Вернуться к выбору узлов мотора Блок цилиндра |
||||||||||||||||||||||||||||||||||||||||||||||||||||||||||||||||||||||||||||||||||||||||||||||||||||||||||||||||||||||||||||||||||||||||||||||||||||||||||||||||||||||||||||||||||||||||||||||||||||||
| Номер на рисунке | Артикул | Наименование | Кол-во на складе | Цена | |
| 1 | 12000-ZW1-L00ZA | Блок цилиндров в сборе (частично) *nh8 * (Block assy., cylinder *nh8 *) | под заказ | 362990 руб. | |
| 2 | 12155-ZV5-000 | Металлический анод (Metal, anode) | 1 шт | 1370 руб. | |
| 3 | 15142-PH3-003 | Уплотнительное кольцо (O-ring) | под заказ | 330 руб. | |
| 4 | 15150-ZW1-000 | Сопло масляного пути (Orifice assy., oil path) | под заказ | 1700 руб. | |
| 5 | 15400-ZJ1-004 | Картридж масляного фильтра (toyo roki) (Cartridge, oil filter (toyo roki)) | под заказ | 2210 руб. | |
| 5 | 15400-PLM-A02PE | (последний код) FILTER,OIL | под заказ | 2200 руб. | |
| 5 | W814/80 | (не оригинальный аналог) Масляный фильтр MANN W814/80 (аналог 15400-ZJ1-004) | под заказ | 1100 руб. | |
| 6 | 15611-921-000 | Крышка заливной горловины масла (жёлтый) (Cap, oil (yellow)) | под заказ | 1030 руб. | |
| 7 | 15631-ZW1-000ZA | Расширение масляного фильтра *nh8 * (Extension, oil filler *nh8 *) | под заказ | по запросу | |
| 8 | 15635-ZG3-800 | Прокладка, extension oil filler (не asbestos) (Packing, extension oil filler (non asbestos)) | под заказ | 230 руб. | |
| 9 | 32119-ZW1-010 | Кронштейн клипсы жгута проводов (Bracket, harness clip) | под заказ | 1030 руб. | |
| 10 | 32743-ZW1-000 | Струбцина C на жгут проводов двигателя (Clamp c, engine wire harness) | под заказ | по запросу | |
| 11 | 37240-ZG3-E01 | Выключатель при низком давлении масла (Switch, oil pressure) | под заказ | 5670 руб. | |
| 12 | 90001-ZW1-000 | Болт под шпильку, 10x125 (Bolt, stud, 10x125) | под заказ | по запросу | |
| 13 | 90002-ZG5-004 | Винт с шайбой (Screw-washer) | под заказ | 1240 руб. | |
| 14 | 90008-ZW1-003 | Болт с шайбой, 10x112 (Bolt-washer, 10x112) | под заказ | 870 руб. | |
| 15 | 90012-ZV5-013 | Болт регулировочной пружины ремня распредвала (Bolt, timing belt adjusting spring) | под заказ | 670 руб. | |
| 16 | 90011-ZW9-000 | Фланцевый болт, 6x14 (ct200) (Bolt, flange, 6x14 (ct200)) | под заказ | 370 руб. | |
| 17 | 90015-PH1-013 | Держатель (Holder) | под заказ | 1140 руб. | |
| 18 | 90702-PE0-000 | Шпонка (Dowel pin) | под заказ | 480 руб. | |
| 19 | 90703-PE0-000 | Шпонка (Dowel pin) | под заказ | 680 руб. | |
| 20 | 91212-ZW1-L01 | Сальник, 38x50x8 (Oil seal, 38x50x8) | 2 шт | 2680 руб. | |
| 21 | 91301-805-000 | Уплотнительное кольцо, 26x2.7 (O-ring, 26x2.7) | под заказ | 380 руб. | |
| 22 | 91558-SD5-003 | Зажим (Clip) | под заказ | 560 руб. | |
| 23 | 93500-060184J | Винт с чашечкой, 6x18 (Screw, pan, 6x18) | под заказ | 240 руб. | |
| 24 | 90025-ZY3-000 | Фланцевый болт, 6x22 (Bolt, flange, 6x22) | под заказ | по запросу | |
| 25 | 90054-ZY3-000 | Фланцевый болт, 8x35 (Bolt, flange, 8x35) | под заказ | 330 руб. | |
| 26 | 90155-ZW4-000 | Фланцевый болт, 8x40 (Bolt, flange, 8x40) | под заказ | 250 руб. | |
| 27 | 90156-ZW4-000 | Фланцевый болт, 8x50 (Bolt, flange, 8x50) | под заказ | 0 руб. | |
| 28 | 91214-PL2-003 | Сальник (Oil seal) | под заказ | 5150 руб. | |
Время выполнения запроса 0.79300689697266 сек.
склад запчастей для водомоторной техники