Контактный телефон: +7 (981) 121-46-93, +7 (800) 200-90-76 , Email: parts-katalog@yandex.ru, где купить |
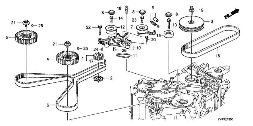
Модификация Вашего двигателя: Honda BF200AK1 XD Вернуться к выбору узлов мотора Ремень распредвала |
|||||||||||||||||||||||||||||||||||||||||||||||||||||||||||||||||||||||||||||||||||||||||||||||||||||||||||||||||||||||||||||||||||||||||||||||||||||||||||||||||||||||||||||||||||||||||||
| Номер на рисунке | Артикул | Наименование | Кол-во на складе | Цена | |
| 1 | 13621-ZY3-C01 | Шкиф привода ремня распредвала (Pulley, timing belt drive) | под заказ | 15730 руб. | |
| 2 | 13622-ZY3-C00 | Пластина направляющей ремня распредвала (Plate, timing belt guide) | под заказ | 11290 руб. | |
| 3 | 13811-ZY3-A00 | Шкив, Коленвал (Pulley, crankshaft) | под заказ | 23970 руб. | |
| 4 | 14261-ZY3-C00 | Шкив comp., r. Ремень распредвала driven (Pulley comp., r. timing belt driven) | под заказ | 20950 руб. | |
| 5 | 14270-ZY3-C00 | Шкив comp., l. Ремень распредвала driven (Pulley comp., l. timing belt driven) | под заказ | 30240 руб. | |
| 6 | 14400-P8A-A01 | Belt (Belt) | 2 шт | 13000 руб. | |
| 6 | 14400-P8A-A02 | (последний код) BELT, TIMING (197YU26 GB- | под заказ | 9400 руб. | |
| 7 | 14510-ZY3-003 | Натяжитель ремня распредвала (Tensioner comp., timing belt) | под заказ | 22720 руб. | |
| 7 | 14510-ZY3-013 | (последний код) КОМП. НАТЯЖИТЕЛЯ, ЗУБЧАТЫЙ РЕМЕНЬ 0 ПРИВОДА РАСПРЕДВАЛА | 1 шт | 15000 руб. | |
| 8 | 14515-ZY3-000 | Крышка натяжителя ремня распредвала (Cap, timing belt tensioner) | под заказ | 1220 руб. | |
| 9 | 14520-ZY3-000 | Пружина регулировки ремня распредвала, комплект (Spring comp., timing belt adjusting) | под заказ | 1030 руб. | |
| 10 | 14526-ZY3-405ZA | Основание comp., Ремень распредвала tensioner *nh8 * (Base comp., timing belt tensioner *nh8 *) | под заказ | 28150 руб. | |
| 11 | 14529-ZY3-000 | Уплотнительное кольцо, Ремень распредвала tensioner Основание (O-ring, timing belt tensioner base) | 1 шт | 1130 руб. | |
| 12 | 14550-ZY3-003 | Idler, Ремень распредвала (koyo seiko) (Idler, timing belt (koyo seiko)) | под заказ | 21790 руб. | |
| 13 | 14551-P8A-A01 | Болт (Bolt) | под заказ | 1280 руб. | |
| 14 | 14553-ZY3-003 | Болт, Ремень распредвала idler a (Bolt, timing belt idler a) | под заказ | 0 руб. | |
| 15 | 14555-ZY3-003 | Idler b, Ремень распредвала (Idler b, timing belt) | под заказ | 16790 руб. | |
| 16 | 31638-ZY3-003 | Belt, Генератор переменного тока (6pk745 m-180) (Belt, a.c. generator (6pk745 m-180)) | 2 шт | 8270 руб. | |
| 17 | 41122-ZV0-000 | Штифт вертикального вала (Pin, vertical shaft) | под заказ | 130 руб. | |
| 18 | 90012-ZV5-013 | Болт регулировочной пружины ремня распредвала (Bolt, timing belt adjusting spring) | под заказ | 670 руб. | |
| 19 | 90017-RJA-003 | Болт с шайбой (Bolt-washer) | под заказ | 2780 руб. | |
| 20 | 90030-ZY3-000 | Фланцевый болт, 6x22 (Bolt, flange, 6x22) | под заказ | 220 руб. | |
| 21 | 90031-P8A-A01 | Болт с шайбой (Bolt-washer) | под заказ | 2300 руб. | |
| 22 | 90039-ZY3-000 | Фланцевый болт, 10x40 (Bolt, flange, 10x40) | под заказ | 0 руб. | |
| 23 | 90040-ZY3-000 | Фланцевый болт, 10x43 (Bolt, flange, 10x43) | под заказ | 0 руб. | |
| 24 | 90704-RCA-A00 | Ключ (Key) | под заказ | 690 руб. | |
| 25 | 90741-ZY3-000 | Ключ, special (Key, special) | под заказ | 0 руб. | |
| 26 | 94301-06100 | Шпонка (Dowel pin) | 1 шт | 230 руб. | |
Время выполнения запроса 3.465096950531 сек.
склад запчастей для водомоторной техники