Контактный телефон: +7 (981) 121-46-93, +7 (800) 200-90-76 , Email: parts-katalog@yandex.ru, где купить |
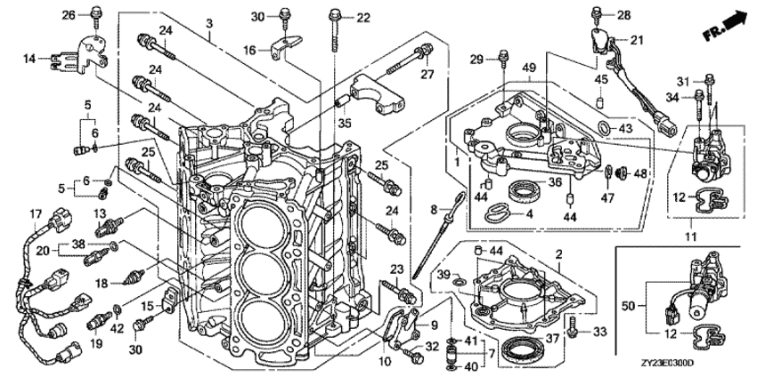
Модификация Вашего двигателя: Honda BF225A3 XC Вернуться к выбору узлов мотора Блок цилиндра |
|||||||||||||||||||||||||||||||||||||||||||||||||||||||||||||||||||||||||||||||||||||||||||||||||||||||||||||||||||||||||||||||||||||||||||||||||||||||||||||||||||||||||||||||||||||||||||||||||||||||||||||||||||||||||||||||||||||||||||||||||||||||||||||||||||||||||||||||||||||||||||||||||||||||||||||||||||||||||||||||||||||||||||||||||||||||
| Номер на рисунке | Артикул | Наименование | Кол-во на складе | Цена | |
| 1 | 11200-ZY3-010ZA | Крышка картера двигателя, в сборе вышеper *nh8 * (Cover assy., crankcase upper *nh8 *) | под заказ | 0 руб. | |
| 2 | 11300-ZY3-000 | Case в сборе., Сальник (Case assy., oil seal) | под заказ | по запросу | |
| 3 | 12000-ZY3-405ZA | Блок цилиндров в сборе (частично) *nh8 * (Block assy., cylinder *nh8 *) | под заказ | 374520 руб. | |
| 3 | 12000-ZY3-416ZA | (последний код) BLOCK ASSY., CYLINDER *NH | под заказ | 392130 руб. | |
| 4 | 15115-P8A-A01 | Прокладка (Packing) | 1 шт | 670 руб. | |
| 5 | 15140-P8A-A00 | Orifice в сборе (Orifice assy) | под заказ | 870 руб. | |
| 6 | 15142-P8A-A00 | Уплотнительное кольцо (O-ring) | под заказ | 320 руб. | |
| 7 | 15150-P8A-A00 | Joint в сборе. (Joint assy.) | под заказ | 4210 руб. | |
| 8 | 15655-ZY3-000 | Датчик уровня масла (Gauge comp., oil level) | под заказ | по запросу | |
| 9 | 15656-ZY3-000ZA | Крышка указателя уровня масла *nh8 * (Cover, oil level gauge *nh8 *) | под заказ | по запросу | |
| 10 | 15657-ZY3-000 | Прокладка, Прибор - указатель уровня масла (Packing, oil level gauge) | под заказ | 1240 руб. | |
| 11 | 15810-ZY3-003ZA | Клапан в сборе., Золотник *nh8 * (Valve assy., spool *nh8 *) | под заказ | 58190 руб. | |
| 12 | 15825-ZY3-003 | Фильтр в сборе., Золотник Клапан (Filter assy., spool valve) | под заказ | 5490 руб. | |
| 13 | 30530-P8F-A01 | Датчик в сборе (Sensor assy) | под заказ | 35690 руб. | |
| 14 | 32111-ZY3-000 | Кронштейн муфты d (Bracket, coupler d) | под заказ | по запросу | |
| 14 | 32111-ZY3-010 | Кронштейн муфты d (Bracket, coupler d) | под заказ | 0 руб. | |
| 15 | 32114-ZW9-730 | Кронштейн зажима b (Bracket, clip b) | под заказ | 560 руб. | |
| 16 | 32116-ZY3-000 | Кронштейн b, Жгут проводов Зажим (Bracket b, harness clip) | под заказ | 0 руб. | |
| 17 | 32193-ZY3-000 | Провод переключателя (Cord, switch) | под заказ | по запросу | |
| 18 | 35490-ZW9-003 | Выключатель при низком давлении масла (Switch assy., oil pressure) | под заказ | 6360 руб. | |
| 19 | 35490-ZY3-004 | Выключатель при низком давлении масла (Switch assy., oil pressure) | под заказ | 5820 руб. | |
| 20 | 35673-ZY3-003 | Датчик температуры воды, в сборе (Sensor assy., water temperature) | под заказ | 3700 руб. | |
| 21 | 35700-ZY3-003 | Датчик в сборе., crank (Sensor assy., crank) | под заказ | 23950 руб. | |
| 22 | 90001-ZY3-000 | Фланцевый болт, 12x95 (Bolt, flange, 12x95) | под заказ | 0 руб. | |
| 23 | 90006-ZY3-000 | Болт с шайбой, 10x109 (Bolt-washer, 10x109) | под заказ | 1320 руб. | |
| 23 | 90006-ZY3-003 | (последний код) BOLT-WASHER, 10X109 | под заказ | 1320 руб. | |
| 24 | 90008-ZY3-000 | Болт с шайбой, 10x60 (Bolt-washer, 10x60) | под заказ | 1060 руб. | |
| 24 | 90008-ZY3-003 | (последний код) BOLT-WASHER, 10X60 | под заказ | 1060 руб. | |
| 25 | 90009-ZY3-000 | Болт с шайбой, 10x80 (Bolt-washer, 10x80) | под заказ | 1150 руб. | |
| 25 | 90009-ZY3-003 | (последний код) BOLT-WASHER, 10X80 | под заказ | 1150 руб. | |
| 26 | 90011-ZW9-000 | Фланцевый болт, 6x14 (ct200) (Bolt, flange, 6x14 (ct200)) | под заказ | 370 руб. | |
| 27 | 90014-P8A-A01 | Болт с шайбой (Bolt-washer) | под заказ | 1130 руб. | |
| 28 | 90017-ZY3-000 | Фланцевый болт, 6x16 (Bolt, flange, 6x16) | под заказ | 220 руб. | |
| 29 | 90019-ZW9-000 | Фланцевый болт, 6x35 (Bolt, flange, 6x35) | под заказ | 530 руб. | |
| 30 | 90021-ZY3-000 | Фланцевый болт, 6x14 (Bolt, flange, 6x14) | под заказ | 220 руб. | |
| 31 | 90024-ZY3-000 | Фланцевый болт, 8x50 (Bolt, flange, 8x50) | под заказ | по запросу | |
| 32 | 90028-ZY3-000 | Фланцевый болт, 6x18 (Bolt, flange, 6x18) | под заказ | 250 руб. | |
| 33 | 90030-ZY3-000 | Фланцевый болт, 6x22 (Bolt, flange, 6x22) | под заказ | 220 руб. | |
| 34 | 90038-ZY3-000 | Фланцевый болт, 8x75 (Bolt, flange, 8x75) | под заказ | 0 руб. | |
| 35 | 90715-PH7-000 | Шпонка (Dowel pin) | под заказ | 680 руб. | |
| 36 | 91212-ZY3-003 | Сальник, 41x66x8 (Oil seal, 41x66x8) | 1 шт | 2760 руб. | |
| 37 | 91214-PL2-003 | Сальник (Oil seal) | под заказ | 5150 руб. | |
| 38 | 91307-PNA-003 | Уплотнительное кольцо (O-ring) | под заказ | 260 руб. | |
| 39 | 91308-PK1-003 | Уплотнительное кольцо (O-ring) | под заказ | 320 руб. | |
| 40 | 91308-P8A-A01 | Уплотнительное кольцо (O-ring) | под заказ | 230 руб. | |
| 41 | 91309-P8A-A01 | Уплотнительное кольцо (O-ring) | под заказ | 230 руб. | |
| 42 | 91319-PR3-003 | Уплотнительное кольцо (O-ring) | под заказ | 690 руб. | |
| 43 | 91321-P0X-003 | Уплотнительное кольцо (O-ring) | под заказ | 610 руб. | |
| 44 | 94301-06100 | Шпонка (Dowel pin) | 1 шт | 230 руб. | |
| 45 | 94303-05080 | Шпонка (Dowel pin) | под заказ | 140 руб. | |
| 46 | 95701-060-180-8 | Болт (Bolt) | под заказ | 110 руб. | |
| 47 | 12214-ZV5-000 | Шайба уплотнения (22 мм) (Washer, sealing (22mm)) | под заказ | 550 руб. | |
| 48 | 90081-ZV5-000 | Болт уплотнения, 22 мм (Bolt, sealing, 22mm) | под заказ | 980 руб. | |
| 48 | 90081-ZV5-010 | (последний код) BOLT, SEALING, 22MM | под заказ | 980 руб. | |
Время выполнения запроса 1.0352380275726 сек.
склад запчастей для водомоторной техники