вконтакте

Контактный телефон: +7 (981) 121-46-93, +7 (800) 200-90-76 , Email: parts-katalog@yandex.ru, где купить

 
 

  Логин:

Пароль:

Регистрация

www.partskatalog.ru Все каталоги Запчасти Mercury Запчасти Suzuki Запчасти Tohatsu Запчасти Honda Контакты

Раздел:   вперёд

Модификация Вашего двигателя:   Honda BF9.9AM XD
Модели с серийным номером двигателя от BABE-1200001 до BABE-1299999
Модели с серийным номером рамы от BABU-1000001 до BABU-1099999

Вернуться к выбору узлов мотора

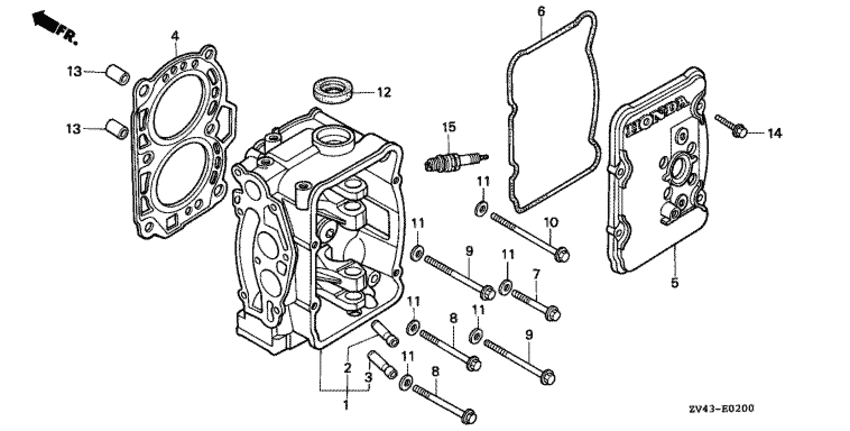
   Головка блока цилиндра
Cylinder Head      


ДЕТАЛИРОВКА ДЛЯ МОДЕЛИ: HONDA BF9.9AM

Подвесной лодочный fourstroke двигатель HONDA BF9.9AM - Головка блока цилиндра
Номер на
рисунке
АртикулНаименованиеКол-во
на складе
Цена
112200-ZV4-010ZA

Головка цилиндра, комплект *nh8 * (Head comp., cylinder *nh8 *)

под заказ56700 руб. 
212204-ZV4-305

Направляющая впускного клапана (os) (Guide, in. valve (os))

под заказпо запросу 
212204-ZV4-315

Направляющая впускного клапана (os) (Guide, in. valve (os))

под заказ1840 руб. 
312205-ZV4-305

Направляющая выпускного клапана (os) (Guide, ex. valve (os))

под заказпо запросу 
312205-ZV4-315

Направляющая выпускного клапана (os) (Guide, ex. valve (os))

под заказ1840 руб. 
412251-ZV4-610

Прокладка головки блока цилиндра (Gasket, cylinder head)

3 шт8450 руб. 
512301-ZV4-000ZA

Крышка головки цилиндра *nh8 * (Cover, cylinder head *nh8 *)

под заказ12150 руб. 
612391-ZV4-000

Прокладка крышки головки цилиндра (Packing, head cover)

1 шт1400 руб. 
790008-ZV4-000

Фланцевый болт, 8x57 (Bolt, flange, 8x57)

под заказпо запросу 
890009-ZV4-000

Фланцевый болт, 8x72 (Bolt, flange, 8x72)

под заказ650 руб. 
990010-ZV4-000

Фланцевый болт, 8x77 (Bolt, flange, 8x77)

под заказ650 руб. 
1090011-ZV4-000

Фланцевый болт, 8x87 (Bolt, flange, 8x87)

под заказпо запросу 
1190402-822-000

Шайба головки, 8 мм (Washer, head, 8mm)

под заказпо запросу 
1291206-ZV4-003

Сальник, 18x30x7 (Oil seal, 18x30x7)

под заказ870 руб. 
1291215-PHR-003

(последний код) OIL SEAL, 18X30X7 (NOK)

2 шт740 руб. 
1394301-10160

Шпонка (Dowel pin)

10 шт210 руб. 
1495701-060-220-2

Фланцевый болт, 6x22 (Bolt, flange, 6x22)

под заказпо запросу 
1598066-55716

Свеча зажигания (dr-5hs) (ngk) (Plug, spark (dr-5hs) (ngk))

под заказ600 руб. 
1598066-55726

Свеча зажигания (x16fsr-u) (denso) (Plug, spark (x16fsr-u) (denso))

под заказ650 руб. 

Время выполнения запроса 1.7012720108032 сек.

 
 

данный сайт носит информационный характер и не является публичной офертой

склад запчастей для водомоторной техники