Найти запчасти на подвесной мотор Suzuki DF2.5S модель 2014 года - Crankshaft
вконтакте

Контактный телефон: +7 (981) 121-46-93, +7 (800) 200-90-76 , Email: parts-katalog@yandex.ru, где купить

 
 

  Логин:

Пароль:

Регистрация

www.partskatalog.ru Все каталоги Запчасти Mercury Запчасти Suzuki Запчасти Tohatsu Запчасти Honda Контакты



УВАЖАЕМЫЕ КЛИЕНТЫ!
C 19 ДЕКАБРЯ 2025 ПО 02 МАРТА 2026 ГОДА ОТДЕЛ ЗАПЧАСТЕЙ И СЕРВИС РАБОТАТЬ НЕ БУДУТ
ПРОДАЖА ЛОДОЧНЫХ МОТОРОВ В ШТАТНОМ РЕЖИМЕ
ОБ ИЗМЕНЕНИЯХ В ГРАФИКЕ РАБОТЫ ЧИТАЙТЕ НА САЙТА



назад Раздел:   вперёд

Вернуться к выбору узлов мотора


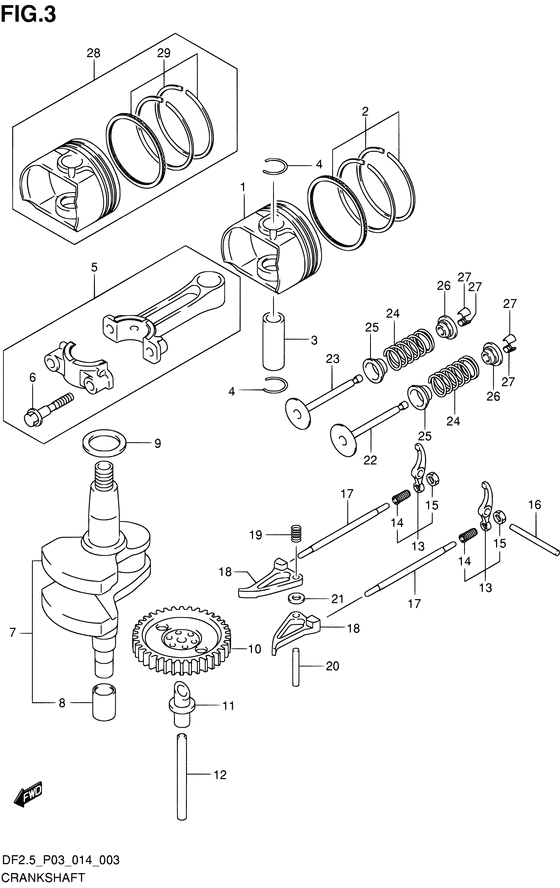
ДЕТАЛИРОВКА ДЛЯ МОДЕЛИ: SUZUKI DF2.5S FROM 00252F-410001~ (P03 014)

Коленвал


Код модели двигателя: DF2.5S

Год выпуска двигателя: 2014

Регион: USA/Thailand ,Код региона: P03/P014

Цвет: Shadow Black Metallic

Номер на
рисунке
АртикулНаименованиеQTYКол-во
на складе
Цена
112111-97J10-0B0

Поршень - Piston (NO PAINT # ) (Piston)

17 шт6240 руб.
212140-97J00-000

Поршневые кольца - Ring Set, Piston (Кольца поршневые)

21 шт4600 руб.
2SK12140-97J00

   (не оригинальный аналог) Кольца поршневые Skipper для Suzuki DF2.5 Размер: стандарт

0 шт525 руб.
312151-97J00-000

Поршневой палец - Pin, Piston (Палец поршня)

12 шт570 руб.
459382-97J00-000

Стопорное кольцо поршневого пальца - Circlip, Piston Pin (Circlip)

18 шт120 руб.
512160-97JL0-0A0

Шатун в сборе - Connecting Rod Assy (Шатун)

под заказ3830 руб.
612163-97JL0-000

Болт шатуна - Bolt, Connecting Rod (Bolt, connrod)

под заказ200 руб.
712220-97JL0-000

Коленвал - Crankshaft (Вал коленчатый)

под заказ29760 руб.
712220-97JL1-000

   (актуальный код замены) Коленвал - Crankshaft

4 шт35550 руб.
812242-97JL0-000

Шпонка коленвала - Spline, Crankshaft (Spline, crankshaft)

1 шт1920 руб.
812242-97JL1-000

   (актуальный код замены) Шпонка коленвала - Spline, Crankshaft

9 шт1800 руб.
908211-17241-000

Шайба - Washer (Washer, crankshaft thrust # ) (Thrust washer)

2 шт170 руб.
1012710-97J00-000

Распределительный вал - Camshaft (Camshaft)

1 шт2750 руб.
1112742-97J10-000

Вал масляного насоса - Shaft, Oil Pump (Вал масляной помпы)

12 шт440 руб.
1212743-97J00-000

Вал - Shaft (Shaft)

8 шт320 руб.
1312840-97J10-000

Рычаг коромысла клапана - Arm Assy, Valve Rocker (Arm assy, valve rocker)

4 шт2400 руб.
1412842-22G10-000

Винт регулировки толкателя клапана - Screw, Tappet Adjusting (Винт толкателя клапана)

под заказ320 руб.
1512843-27A00-000

Гайка регулировки толкателя клапана - Nut, Tappet Adjusting (Nut, tappet adjusting # ) (Гайка)

под заказ230 руб.
1609261-04017-000

Штифт (4x43) - Pin (4x43) (Вал)

8 шт230 руб.
1712894-97JL0-000

Тяга толкателя - Rod, Push (Rod, push)

5 шт640 руб.
1812845-97J00-000

Рычаг кулачка коромысла - Arm, Cam Rocker (Рычаг кулака)

3 шт960 руб.
1912847-22G00-000

Пружина кулачка рычага коромысла - Spring, Cam Rocker Arm (Пружина рукоятки)

под заказ170 руб.
2009261-04005-000

Ролик (4x23.8) - Roller (4x238) (Shaft, cam rocker arm # ) (Вал)

под заказ120 руб.
2108322-0104A-000

Шайба - Washer (Washer, cam rocker arm # ) (Шайба)

6 шт140 руб.
2212911-97JL0-000

Клапан, впускной - Valve, Intake (Valve, intake)

18 шт1880 руб.
2312915-97JL0-000

Клапан, выпускной - Valve, Exhaust (Valve, exhaust)

5 шт2340 руб.
2412921-97JL0-000

Пружина клапана - Spring, Valve (Spring, valve)

2 шт200 руб.
2509289-04006-000

Сальник (4x11.6x7.9) - Seal, Oil (4x116x79) (Seal, valve stem oil # ) (Сальник)

34 шт690 руб.
2612931-97JL0-000

Фиксатор пружины клапана - Retainer, Valve Spring (Retainer, valve spring)

7 шт400 руб.
2712932-05C00-000

Шпонка Клапан - Cotter Valve (Сухарь)

6 шт160 руб.
2812100-97J00-050

Комплект поршня (os: 0.5) - Piston Set (os:05) (OPT # ) (Piston set (os:0.50))

4 шт13110 руб.
2912140-97J00-050

Поршневые кольца (os: 0.50) - Ring Set, Piston (os:050) (OPT # ) (Кольца поршневые)

5 шт4160 руб.


Время выполнения запроса 2.0862221717834 сек.

 
 

данный сайт носит информационный характер и не является публичной офертой

склад запчастей для водомоторной техники