| |
 |
|
 |
Вернуться к выбору узлов мотора
ДЕТАЛИРОВКА ДЛЯ МОДЕЛИ: SUZUKI DF2.5SK8(P1) K8
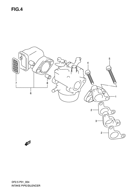
Всасывающий патрубок / глушитель
Код модели двигателя: DF2.5S
Год выпуска двигателя: 2008
Регион: General Export No.1 ,Код региона: P01
Цвет: Shadow Black Metallic
Номер на рисунке | Артикул | Наименование | QTY | Кол-во на складе | Цена |
| 1 | 13111-97J00-000 | Трубка, Система впуска - Pipe, Intake (Труба впускная) | | под заказ | 6960 руб. |
| 2 | 13119-97J00-000 | Прокладка впускной трубки - Gasket, Intake Pipe (Прокладка трубы впускной) | | 8 шт | 300 руб. |
| 2 | SM-13119-97J00-000 | (не оригинальный аналог) Прокладка SM-13119-97J00-000 впускной трубки на Suzuki DF2.5 | | под заказ | 70 руб. |
| 2 | SM-13119-97J00-000 | (аналог) Прокладка SM-13119-97J00-000 впускной трубки на Suzuki DF2.5 - код 13119-97J00-000 | | под заказ шт | 70 руб. |
| 3 | 13124-97J00-000 | Изолятор карбюратора - Insulator, Carburetor (Insulator, carburetor) | | 8 шт | 620 руб. |
| 4 | 07120-06257-000 | Болт - Bolt (Bolt, intake pipe; # ) (Bolt) | | под заказ | 230 руб. |
| 5 | 07120-06357-000 | Болт - Bolt (Bolt, intake pipe; # ) (Bolt) | | под заказ | 260 руб. |
| 6 | 13810-97J00-000 | Глушитель - Silencer (Глушитель) | | 4 шт | 1360 руб. |
| 7 | 13710-97J00-000 | Пламегаситель - Arrester, Flame (Предохранитель зажигания) | | 6 шт | 680 руб. |
| 8 | 09180-06348-000 | Проставка (6.1x8.5x12.5) - Spacer (61x85x125) (Кольцо/шайба) | | 5 шт | 190 руб. |
Время выполнения запроса 0.96313500404358 сек. |
|