Комплектующие на подвесной двигатель Suzuki DF2.5S модель 2011 года - Swivel bracket - Поворотный кронштейн
вконтакте

Контактный телефон: +7 (981) 121-46-93, +7 (800) 200-90-76 , Email: parts-katalog@yandex.ru, где купить

 
 

  Логин:

Пароль:

Регистрация

www.partskatalog.ru Все каталоги Запчасти Mercury Запчасти Suzuki Запчасти Tohatsu Запчасти Honda Контакты



УВАЖАЕМЫЕ КЛИЕНТЫ!
C 19 ДЕКАБРЯ 2025 ПО 02 МАРТА 2026 ГОДА ОТДЕЛ ЗАПЧАСТЕЙ И СЕРВИС РАБОТАТЬ НЕ БУДУТ
ПРОДАЖА ЛОДОЧНЫХ МОТОРОВ В ШТАТНОМ РЕЖИМЕ
ОБ ИЗМЕНЕНИЯХ В ГРАФИКЕ РАБОТЫ ЧИТАЙТЕ НА САЙТА



назад Раздел:   вперёд

Вернуться к выбору узлов мотора


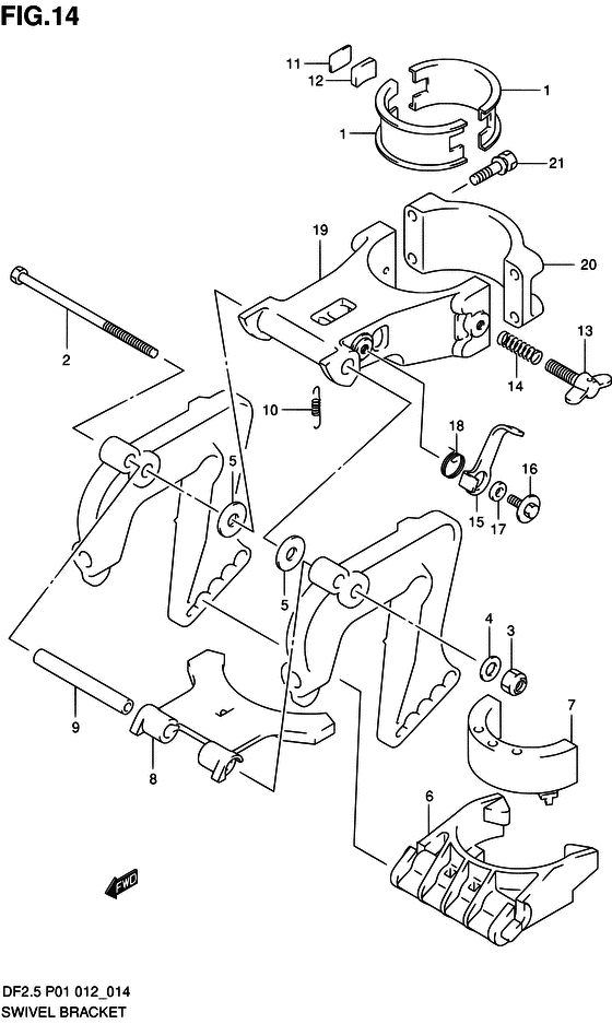
ДЕТАЛИРОВКА ДЛЯ МОДЕЛИ: SUZUKI DF2.5S FROM 00252F-110001~

Поворотный кронштейн


Код модели двигателя: DF2.5S

Год выпуска двигателя: 2011

Регион: General Export No.1 ,Код региона: P01

Цвет: Shadow Black Metallic

Номер на
рисунке
АртикулНаименованиеQTYКол-во
на складе
Цена
143111-97J00-0EP

Поворотный кронштейн в сборе - Bracket Assy, Swivel (MODEL:06, 07 ->43110-97J10-0EP BRACKET ASSY, SWIVEL # )

под заказ10080 руб.
143110-97J31-0EP

   (актуальный код замены) Поворотный кронштейн в сборе - Bracket Assy, Swivel

6 шт8880 руб.
143110-97J30-0EP

Поворотный кронштейн в сборе - Bracket Assy, Swivel (Bracket assy, swivel)

под заказ10080 руб.
143110-97J31-0EP

   (актуальный код замены) Поворотный кронштейн в сборе - Bracket Assy, Swivel

6 шт8880 руб.
243121-97J00-0EP

Запчасть снята с производства - The Spare Part Is Laid Off (MODEL:06, 07 ->43110-97J10-0EP BRACKET ASSY, SWIVEL # )

под заказ0 руб.
343711-97J00-000

Верхняя втулка рулевой системы - Bush, Steering Upr (Втулка нижняя)

под заказ350 руб.
409116-06121-000

Болт (6x25) - Bolt (6x25) (Bolt (6x25) # MODEL:06, 07 # ) (Bolt)

19 шт260 руб.
559111-97J00-000

Болт поворотного вала - Bolt, Swivel Shaft

под заказ740 руб.
559111-97JL0-000

   (актуальный код замены) Болт поворотного вала - Bolt, Swivel Shaft

1 шт740 руб.
559111-97JL0-000

Болт поворотного вала - Bolt, Swivel Shaft (Bolt, swivel shaft)

1 шт740 руб.
609159-08018-000

Гайка - Nut (Nut, swivel shaft # ) (Гайка вала)

10 шт210 руб.
709160-08091-000

Шайба (8.5x14x1.0) - Washer (85x14x10) (Washer (8.5x14x1.0) # ) (Шайба)

7 шт130 руб.
809160-08081-000

Шайба (8.5x23x1.5) - Washer (85x23x15) (Washer, clutch lever # ) (Шайба)

4 шт210 руб.
945411-97J00-000

Упорный блок - Block, Thrust (Блок опоры)

под заказ1160 руб.
945411-97J30-000

   (актуальный код замены) Упорный блок - Block, Thrust

5 шт1300 руб.
945411-97J20-000

Упорный блок - Block, Thrust (MODEL:09~10 # )

под заказ1270 руб.
945411-97J30-000

   (актуальный код замены) Упорный блок - Block, Thrust

5 шт1300 руб.
1054151-97J00-000

Крепление нижнего упора - Mount, Lwr Thrust

под заказ780 руб.
1054151-97JL0-000

   (актуальный код замены) Крепление нижнего упора - Mount, Lwr Thrust

7 шт940 руб.
1054151-97JL0-000

Крепление нижнего упора - Mount, Lwr Thrust (Mount, lower thrust)

7 шт940 руб.
1143751-97J01-000

Кронштейн блокировки поворота - Bracket, Swivel Stopper (Кронштейн стопора)

4 шт390 руб.
1243752-97J00-000

Поворотный вал Стопор - Shaft, Swivel Stopper (Вал)

1 шт360 руб.
1359443-97J00-000

Пружина, Swivel Стопор - Spring, Swivel Stopper (Стопор пружины)

4 шт130 руб.
1443415-97J00-000

Пластина рулевого управления Регулятор - Plate, Steering Adjuster

под заказ0 руб.
1443415-97J10-000

   (актуальный код замены) Запчасть снята с производства - The Spare Part Is Laid Off

под заказ0 руб.
1443415-97J10-000

Пластина рулевого управления Регулятор - Plate, Steering Adjuster (Плата регулятора)

под заказ0 руб.
1443415-97J10-000

Пластина рулевого управления Регулятор - Plate, Steering Adjuster (MODEL:08~ # ) (Плата регулятора)

под заказ0 руб.
1543416-97J00-000

Резинка регулировки рулевого управления - Rubber, Steering Adjuster

под заказ580 руб.
1543430-97L00-000

   (актуальный код замены) Резинка регулировки рулевого управления - Rubber, Steering Adjuster

20 шт780 руб.
1543416-97J10-000

Резинка регулировки рулевого управления - Rubber, Steering Adjuster (Резинка)

под заказ580 руб.
1543430-97L00-000

   (актуальный код замены) Резинка регулировки рулевого управления - Rubber, Steering Adjuster

20 шт780 руб.
1609119-06110-000

Болт - Bolt (Болт регулятора)

под заказ640 руб.
1609119-06130-000

   (актуальный код замены) Болт, Рулевая система Adjudter - Bolt, Steering Adjudter

10 шт640 руб.
1709440-09042-000

Пружина - Spring (Spring, steering adjuster # ) (Пружина)

10 шт190 руб.
1841221-97J10-000

Рычаг блокировки наклона - Lever, Tilt Lock (<-41221-97J00 # )

под заказ530 руб.
1841221-97JL0-000

   (актуальный код замены) Рычаг блокировки наклона - Lever, Tilt Lock

6 шт630 руб.
1841221-97JL0-000

Рычаг блокировки наклона - Lever, Tilt Lock (Lever, tilt lock)

6 шт630 руб.
1909116-06127-000

Болт (6x12) - Bolt (6x12) (Bolt (6x12) # ) (Болт 6X12)

1 шт290 руб.
2059181-97J10-000

Прокладка рычага блокировки наклона - Spacer, Tilt Lock Lever (Spacer, tilt lock # ) (Прокладка рукоятки)

2 шт300 руб.
2159444-97J00-000

Пружина фиксатора наклона - Spring, Tilt Lock (Пружина)

4 шт640 руб.
2159444-97J10-000

Пружина фиксатора наклона - Spring, Tilt Lock (MODEL:08~ # ) (Пружина)

23 шт180 руб.
2243111-97J10-0EP

Поворотный кронштейн - Bracket, Swivel (MODEL:08~09 # )

под заказ7010 руб.
2243111-97J31-0EP

   (актуальный код замены) Поворотный кронштейн - Bracket, Swivel

2 шт6520 руб.
2243111-97J30-0EP

Поворотный кронштейн - Bracket, Swivel (Кронштейн шарнирного соединения)

1 шт6520 руб.
2243111-97J31-0EP

   (актуальный код замены) Поворотный кронштейн - Bracket, Swivel

2 шт6520 руб.
2343121-97J10-0EP

Крышка поворотного кронштейна (чёрный) - Cover, Swivel Bracket (black) (MODEL:08~09 # ) (Крышка шарнирного соединения)

под заказ5960 руб.
2343121-97J30-0EP

   (актуальный код замены) Крышка поворотного кронштейна - Cover, Swivel Bracket

1 шт7550 руб.
2343121-97J30-0EP

Крышка поворотного кронштейна - Cover, Swivel Bracket (MODEL:10~ # ) (Cover, swivel bracket)

1 шт7550 руб.
2409116-06207-000

Болт (6x30) - Bolt (6x30) (MODEL:08~ # )

под заказ210 руб.
2409116-06232-000

   (актуальный код замены) Болт (6x30) - Bolt (6x30)

6 шт270 руб.
2409116-06232-000

Болт (6x30) - Bolt (6x30) (Bolt (6x30))

6 шт270 руб.
2543110-97J10-0EP

Поворотный кронштейн в сборе - Bracket Assy, Swivel (OPT, NOT SHOWN INC.NO.22, 23, 24 MODEL:08~09 # )

под заказ10080 руб.
2543110-97J31-0EP

   (актуальный код замены) Поворотный кронштейн в сборе - Bracket Assy, Swivel

6 шт8880 руб.
2543110-97J30-0EP

Поворотный кронштейн в сборе - Bracket Assy, Swivel (Bracket assy, swivel)

под заказ10080 руб.
2543110-97J31-0EP

   (актуальный код замены) Поворотный кронштейн в сборе - Bracket Assy, Swivel

6 шт8880 руб.


Время выполнения запроса 1.0622460842133 сек.

 
 

данный сайт носит информационный характер и не является публичной офертой

склад запчастей для водомоторной техники