| |
 |
|
 |
Вернуться к выбору узлов мотора
ДЕТАЛИРОВКА ДЛЯ МОДЕЛИ: SUZUKI DF2.5S FROM 00252F-210001~
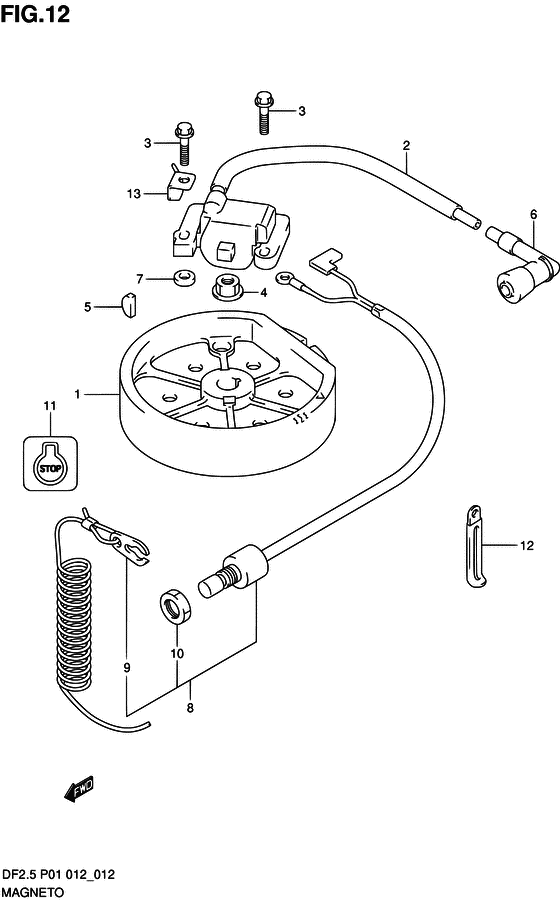
Магнето
Код модели двигателя: DF2.5S
Год выпуска двигателя: 2012
Регион: General Export No.1/Indonesia ,Код региона: P01/P012
Цвет: Shadow Black Metallic
Номер на рисунке | Артикул | Наименование | QTY | Кол-во на складе | Цена |
| 1 | 32102-97J10-000 | Маховик магнето - Flywheel, Magneto (Flywheel, magneto) | | под заказ | 15320 руб. |
| 2 | 33410-97J10-000 | Модуль зажигания - Unit, Ignitor | | под заказ | 9080 руб. |
| 2 | 33410-97J11-000 | (актуальный код замены) Модуль зажигания - Unit, Ignitor | | 11 шт | 15000 руб. |
| 2 | 33410-97J11-000 | Модуль зажигания - Unit, Ignitor (UNIT, IGNITOR) | | 11 шт | 15000 руб. |
| 3 | 01550-06307-000 | Болт - Bolt (Bolt # ) (Bolt (chrome)) | | 8 шт | 250 руб. |
| 4 | 08316-10107-000 | Гайка - Nut (Гайка) | | 10 шт | 180 руб. |
| 5 | 08341-31039-000 | Ключ - Key (Ключ) | | 86 шт | 180 руб. |
| 6 | 33500-07H00-000 | Колпачок свечи зажигания - Cap, Spark Plug (Cap, spark plug) | | под заказ | 3870 руб. |
| 7 | 09180-06363-000 | Проставка (6.2x12.6x6) - Spacer (62x126x6) (Spacer, igniter) | | под заказ | 270 руб. |
| 8 | 37830-97J20-000 | Выключатель аварийной остановки двигателя - Switch Assy, Emergency & Stop (Switch assy, emergency & stop) | | под заказ | 6340 руб. |
| 8 | 37830-97J21-000 | (актуальный код замены) Выключатель аварийной остановки двигателя - Switch Assy, Emergency & Stop | | 6 шт | 6340 руб. |
| 9 | 37823-97J00-000 | Плата блокировки - Plate, Lock (Plate, lock) | | 2 шт | 2230 руб. |
| 10 | 37826-97J00-000 | Гайка - Nut (Гайка) | | под заказ | 200 руб. |
| 10 | 37826-97J01-000 | (актуальный код замены) Гайка аварийного выключателя - Nut, Emergency Switch | | под заказ | 200 руб. |
| 11 | 37835-95D00-000 | Наклейка СТОП - Label, Stop (Label, stop # ) (Наклейка) | | под заказ | 130 руб. |
| 11 | 37835-91J00-YAY | (актуальный код замены) Наклейка СТОП - Label, Stop | | под заказ | 130 руб. |
| 12 | 29404-93J10-000 | Струбцина - Clamp (Clamp # ) (Струбцина переключателя) | | под заказ | 190 руб. |
| 12 | 29404-93J11-000 | (актуальный код замены) Струбцина - Clamp | | под заказ | 190 руб. |
| 13 | 19183-97J01-000 | Держатель тросика дросселя - Holder, Throttle Cable (Holder, throttle cable) | | под заказ | 420 руб. |
Время выполнения запроса 3.9751980304718 сек. |
|