Найти запчасти на подвесной двигатель Suzuki DF4S/L - Crankshaft
вконтакте

Контактный телефон: +7 (981) 121-46-93, +7 (800) 200-90-76 , Email: parts-katalog@yandex.ru, где купить

 
 

  Логин:

Пароль:

Регистрация

www.partskatalog.ru Все каталоги Запчасти Mercury Запчасти Suzuki Запчасти Tohatsu Запчасти Honda Контакты



УВАЖАЕМЫЕ КЛИЕНТЫ!
C 19 ДЕКАБРЯ 2025 ПО 02 МАРТА 2026 ГОДА ОТДЕЛ ЗАПЧАСТЕЙ И СЕРВИС РАБОТАТЬ НЕ БУДУТ
ПРОДАЖА ЛОДОЧНЫХ МОТОРОВ В ШТАТНОМ РЕЖИМЕ
ОБ ИЗМЕНЕНИЯХ В ГРАФИКЕ РАБОТЫ ЧИТАЙТЕ НА САЙТА



назад Раздел:   вперёд

Вернуться к выбору узлов мотора


ДЕТАЛИРОВКА ДЛЯ МОДЕЛИ: SUZUKI DF4L FROM 00402F-510001~

Коленвал


Код модели двигателя: DF4S/L

Год выпуска двигателя: 2015

Регион: General Export No.1/Finland ,Код региона: P01/P015

Цвет: Shadow Black Metallic

Номер на
рисунке
АртикулНаименованиеQTYКол-во
на складе
Цена
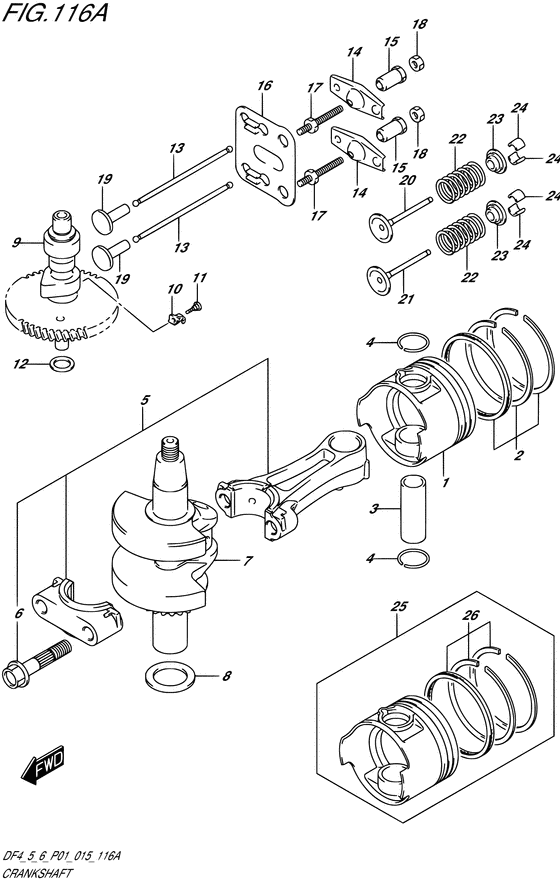
112111-91J01-0B0

Поршень - Piston (Piston)

14 шт6580 руб.
1SK12111-91J01-0B0

   (не оригинальный аналог) Поршень Skipper для Suzuki DF4-6

2 шт1644 руб.
212140-91J10-000

Поршневые кольца - Ring Set, Piston (Кольца поршневые)

12 шт4680 руб.
2SK12140-91J10

   (не оригинальный аналог) Кольца поршневые стандарт Skipper для Suzuki DF4-6

0 шт401 руб.
312151-90900-000

Поршневой палец - Pin, Piston (Палец поршня)

4 шт1070 руб.
409381-18002-000

Стопорное кольцо - Circlip (Палец поршня)

17 шт150 руб.
4SK09381-18002

   (не оригинальный аналог) Кольцо стопорное пальца поршня Skipper для Suzuki Модели техники: DT20-40 HP, DF4-6 HP, DF40A-90A HP

0 шт57 руб.
409381-18002

   (не оригинальный аналог) Комплект стопорных колец (2 шт.) поршневого пальца Suzuki 09381-18002

под заказ80 руб.
512160-91JL0-0A0

Шатун в сборе - Connecting Rod Assy (Шатун)

42 шт10190 руб.
612163-91JL0-000

Болт шатуна - Bolt, Connecting Rod (Bolt, connrod)

8 шт430 руб.
712200-91JL0-000

Коленвал в сборе - Crankshaft Assy (Вал коленчатый)

7 шт29280 руб.
808211-25361-000

Шайба - Washer (Washer # ) (Шайба)

10 шт240 руб.
912711-91J20-000

Распределительный вал - Camshaft (Camshaft)

4 шт14690 руб.
1012951-91J00-000

Кулачок декомпрессионный - Cam, Decomp (Кулачок декомпрессора)

под заказ320 руб.
1012951-91J01-000

   (актуальный код замены) Кулачок декомпрессионный - Cam, Decomp

8 шт680 руб.
1109106-02001-000

Болт (2x9.8) - Bolt (2x98) (Болт)

9 шт220 руб.
1208211-17251-000

Шайба - Washer (Washer # ) (Thrust washer)

13 шт210 руб.
1312894-91JL0-000

Тяга толкателя - Rod, Push (Rod, push)

5 шт690 руб.
1412961-90900-000

Рычаг коромысла - Arm, Rocker (Рычаг)

6 шт430 руб.
1512962-91JL0-000

Стержень - Pivot (Ось)

под заказ610 руб.
1612966-91J00-000

Направляющая тяги толкателя - Guide, Push Rod (Тяга)

3 шт320 руб.
1709108-06126-000

Болт под шпильку - Bolt, Stud (Болт заклепка)

под заказ510 руб.
1809140-06021-000

Гайка - Nut (Nut, pivot lock (m6) # ) (Гайка)

под заказ140 руб.
1912891-87C00-000

Толкатель клапана - Tappet (Стакан толкателя)

под заказ1040 руб.
2012911-91J01-000

Клапан, впускной - Valve, Intake (Valve, intake)

под заказ1290 руб.
2012911-91J02-000

   (актуальный код замены) Клапан, впускной - Valve, Intake

2 шт1520 руб.
2112915-91J01-000

Клапан, выпускной - Valve, Exhaust (Valve, exhaust)

1 шт2110 руб.
2112915-91J02-000

   (актуальный код замены) Клапан, выпускной - Valve, Exhaust

2 шт2110 руб.
2212921-91J00-000

Пружина клапана - Spring, Valve (Пружина клапана)

4 шт690 руб.
2312931-78G00-000

Фиксатор пружины клапана - Retainer, Valve Spring (Retainer, valve spring # ) (Шайба упорная)

6 шт420 руб.
2412932-24400-000

Шпонка клапана - Cotter, Valve (Сухарь)

36 шт190 руб.
2512100-91J10-050

Комплект поршня (os: 0.5) - Piston Set (os:05) (OPT # ) (Piston set (os:0.50))

1 шт6480 руб.
2512100-91J10-0.50

   (не оригинальный аналог) Поршневой комплект Suzuki +0,5 12100-91J10-0.50

под заказ3240 руб.
2612140-91J10-050

Поршневые кольца (os: 0.50) - Ring Set, Piston (os:050) (OPT # ) (Кольца поршневые)

под заказ4680 руб.


Время выполнения запроса 0.82998704910278 сек.

 
 

данный сайт носит информационный характер и не является публичной офертой

склад запчастей для водомоторной техники