Подобрать запчасти на лодочный мотор Suzuki DF4S/L модель 2011 года - Magneto
вконтакте

Контактный телефон: +7 (981) 121-46-93, +7 (800) 200-90-76 , Email: parts-katalog@yandex.ru, где купить

 
 

  Логин:

Пароль:

Регистрация

www.partskatalog.ru Все каталоги Запчасти Mercury Запчасти Suzuki Запчасти Tohatsu Запчасти Honda Контакты



УВАЖАЕМЫЕ КЛИЕНТЫ!
C 19 ДЕКАБРЯ 2025 ПО 02 МАРТА 2026 ГОДА ОТДЕЛ ЗАПЧАСТЕЙ И СЕРВИС РАБОТАТЬ НЕ БУДУТ
ПРОДАЖА ЛОДОЧНЫХ МОТОРОВ В ШТАТНОМ РЕЖИМЕ
ОБ ИЗМЕНЕНИЯХ В ГРАФИКЕ РАБОТЫ ЧИТАЙТЕ НА САЙТА



назад Раздел:   вперёд

Вернуться к выбору узлов мотора


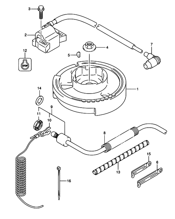
ДЕТАЛИРОВКА ДЛЯ МОДЕЛИ: SUZUKI DF4L FROM 00402F-110001~

Магнето


Код модели двигателя: DF4S/L

Год выпуска двигателя: 2011

Цвет: Shadow Black Metallic

Номер на
рисунке
АртикулНаименованиеQTYКол-во
на складе
Цена
132102-91J10-000

Маховик магнето - Flywheel, Magneto (<-32102-91J00 # ) (Маховик, зажигание)

под заказ0 руб.
233410-91J00-000

Модуль зажигания - Unit, Ignitor (DF4/5 MODEL:02~04 # ) (Блок зажигания)

1 шт19880 руб.
233410-91J10-000

Модуль зажигания - Unit, Ignitor (DF6 MODEL:03 # ) (Блок зажигания)

под заказ19880 руб.
233410-91J20-000

Модуль зажигания - Unit, Ignitor (DF4/5 MODEL:05~10 # ) (Блок зажигания)

2 шт19940 руб.
233410-91J30-000

Модуль зажигания - Unit, Ignitor (DF4:110001~ DF5:110001~ DF6:110001~ # ) (Unit, igniter)

2 шт21880 руб.
309103-06182-000

Болт (6x28) - Bolt (6x28) (Bolt (6x28) # ) (Болт (6X28))

под заказ180 руб.
409159-12059-000

Гайка - Nut (Гайка)

под заказ620 руб.
508341-31039-000

Ключ - Key (Ключ)

86 шт180 руб.
629404-93J20-000

Струбцина - Clamp (Clamp, fuel hose guard # <-09404-06433 # ) (Струбцина топливного шланга)

под заказ190 руб.
733510-98601-000

Колпачок свечи зажигания - Cap, Spark Plug (Cap, spark plug # ) (Свечной колпачек)

под заказ2860 руб.
733500-07H00-000

Колпачок свечи зажигания - Cap, Spark Plug (DF4:110001~ DF5:110001~ DF6:110001~ # ) (Cap, spark plug)

под заказ3870 руб.
833833-91J00-000

Трубка провода переключателя (l: 250) - Tube, Switch Lead (l:250) (Tube # ) (Труба)

под заказ610 руб.
937830-91J02-000

Выключатель аварийной остановки двигателя - Switch Assy, Emergency & Stop (Switch assy, emergency & stop)

под заказ7920 руб.
937830-91J04-000

   (актуальный код замены) Выключатель аварийной остановки двигателя - Switch Assy, Emergency & Stop

1 шт7920 руб.
937830-91J10-000

Выключатель аварийной остановки двигателя - Switch Assy, Emergency & Stop (DF4:110001~ DF5:110001~ DF6:110001~ # ) (Switch assy, emergency & stop)

под заказ7920 руб.
937830-91J11-000

   (актуальный код замены) Выключатель аварийной остановки двигателя - Switch Assy, Emergency & Stop

5 шт7920 руб.
1037823-92E01-000

Пластина блокировки аварийного выключателя - Plate Assy, Emergency Sw Lock (Plate)

под заказ2570 руб.
1037823-92E02-000

   (актуальный код замены) Пластина блокировки аварийного выключателя - Plate Assy, Emergency Sw Lock

3 шт2770 руб.
1037823-97J00-000

Плата блокировки - Plate, Lock (DF4:110001~ DF5:110001~ DF6:110001~ # ) (Plate, lock)

2 шт2230 руб.
1137826-92E00-000

Гайка - Nut (Гайка)

под заказ740 руб.
1137826-97J00-000

Гайка - Nut (DF4:110001~ DF5:110001~ DF6:110001~ # ) (Гайка)

под заказ200 руб.
1137826-97J01-000

   (актуальный код замены) Гайка аварийного выключателя - Nut, Emergency Switch

под заказ200 руб.
1237835-95D00-000

Наклейка СТОП - Label, Stop (Label, stop # ) (Наклейка)

под заказ130 руб.
1237835-91J00-YAY

   (актуальный код замены) Наклейка СТОП - Label, Stop

под заказ130 руб.
1333833-91J00-000

Трубка провода переключателя (l: 250) - Tube, Switch Lead (l:250) (Tube # L:250->150 <-38423-95510 # ) (Труба)

под заказ610 руб.
1409160-12067-000

Шайба (12.5x23x1) - Washer (125x23x1) (Washer, emergency sw # <-37831-91J00 ~MODEL:10 # ) (Шайба)

8 шт230 руб.
1529404-93J10-000

Струбцина - Clamp (Clamp # <-09404-06432 # ) (Струбцина переключателя)

под заказ190 руб.
1529404-93J11-000

   (актуальный код замены) Струбцина - Clamp

под заказ190 руб.
1609407-14407-000

Струбцина (l: 145) - Clamp (l:145) (Band # DF4:110001~ DF5:110001~ DF6:110001~ # ) (Clamp (l:145))

9 шт230 руб.


Время выполнения запроса 1.4611220359802 сек.

 
 

данный сайт носит информационный характер и не является публичной офертой

склад запчастей для водомоторной техники