| |
 |
|
 |
Вернуться к выбору узлов мотора
ДЕТАЛИРОВКА ДЛЯ МОДЕЛИ: SUZUKI DF4L FROM 00402F-210001~
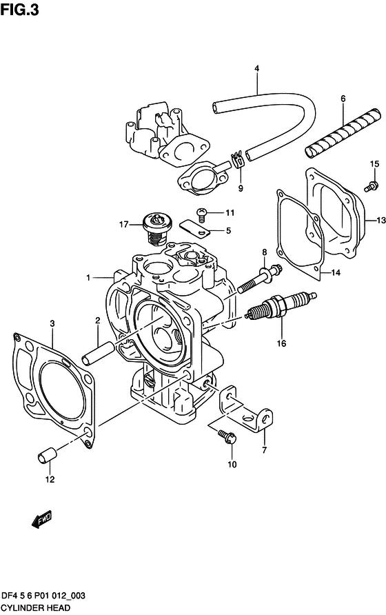
Головка блока цилиндра
Код модели двигателя: DF4S/L
Год выпуска двигателя: 2012
Регион: USA/General South East Asia ,Код региона: P03/P013
Цвет: Shadow Black Metallic
Номер на рисунке | Артикул | Наименование | QTY | Кол-во на складе | Цена |
| 1 | 11110-91J20-000 | Head Set, Цилиндр - Head Set, Cylinder | | под заказ | 51840 руб. |
| 1 | 11100-91J00-000 | (актуальный код замены) Head Set, Цилиндр - Head Set, Cylinder | | под заказ | 51840 руб. |
| 1 | 11100-91J00-000 | Head Set, Цилиндр - Head Set, Cylinder (Head set, cylinder) | | под заказ | 51840 руб. |
| 2 | 11114-90980-000 | Направляющая клапана - Guide, Valve (OPT # ) (Направляющая клапана) | | 12 шт | 1780 руб. |
| 3 | 11141-91JL0-000 | Прокладка головки блока цилиндра - Gasket, Cylinder Head (Gasket, cylinder head) | | 68 шт | 2690 руб. |
| 4 | 11174-91J00-000 | Шланг сапуна - Hose, Breather (Шланг) | | под заказ | 550 руб. |
| 5 | 11452-91J00-000 | Язычковый клапан - Valve, Reed (Клапан) | | 2 шт | 250 руб. |
| 6 | 18498-99E10-000 | Защита топливного шланга (610) - Protector, Fuel Hose (610) (Protector, fuel hose # L:610->180 # ) (Протектор топливный) | | под заказ | 1110 руб. |
| 6 | 18498-99E11-000 | (актуальный код замены) Защита топливного шланга (610) - Protector, Fuel Hose (610) | | под заказ | 1110 руб. |
| 7 | 61827-91J00-000 | Держатель, Lwr Крышка - Holder, Lwr Cover (Держатель крышка) | | под заказ | 650 руб. |
| 8 | 11117-91JL0-000 | Болты головки цилиндра - Bolt, Cylinder Head (Bolt, cylinder head) | | 7 шт | 470 руб. |
| 9 | 09401-11424-000 | Зажим - Clip (Clip) | | под заказ | 190 руб. |
| 10 | 01550-06167-000 | Болт - Bolt (Bolt) | | 9 шт | 210 руб. |
| 11 | 02112-0612A-000 | Винт - Screw (Болт) | | под заказ | 120 руб. |
| 12 | 04211-11169-000 | Штифт - Pin (Pin, dowel # ) (Pin) | | 6 шт | 130 руб. |
| 13 | 11171-91J00-000 | Крышка, Цилиндр - Cover, Cylinder (Крышка) | | под заказ | 2550 руб. |
| 14 | 11189-91J00-000 | Прокладка крышки головки блока цилиндра - Gasket, Cylinder Head Cover (Прокладка головки цилиндров) | | 39 шт | 470 руб. |
| 14 | SM-11189-91J00-000 | (не оригинальный аналог) Прокладка SM-11189-91J00-000 крышки головки блока цилиндра | | 6 шт | 150 руб. |
| 14 | SM-11189-91J00-000 | (аналог) Прокладка SM-11189-91J00-000 крышки головки блока цилиндра - код 11189-91J00-000 | | 6 шт шт | 150 руб. |
| 15 | 09103-06120-000 | Болт (6x25) - Bolt (6x25) (Bolt (6x12) # ) (Болт) | | под заказ | 160 руб. |
| 16 | 09482-00L04-000 | Свеча зажигания (cpr6ea-9) - Plug, Spark (cpr6ea-9) (Spark plug ( cpr6ea-9 )) | | 80 шт | 1470 руб. |
| 17 | 17670-91J20-000 | Термостат - Thermostat, Water (Thermostat, water) | | под заказ | 4800 руб. |
| 17 | 17670-91J22-000 | (актуальный код замены) Термостат Comp, Water 42 Deg - Thermostat Comp, Water 42 Deg | | 3 шт | 4800 руб. |
Время выполнения запроса 1.8904139995575 сек. |
|