| |
 |
|
 |
Вернуться к выбору узлов мотора
ДЕТАЛИРОВКА ДЛЯ МОДЕЛИ: SUZUKI DF4L FROM 00402F-210001~ (P03)
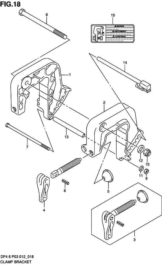
Кронштейн транца
Код модели двигателя: DF4S/L
Год выпуска двигателя: 2012
Регион: General Export No.1/General South East Asia ,Код региона: P01/P013
Цвет: Shadow Black Metallic
Номер на рисунке | Артикул | Наименование | QTY | Кол-во на складе | Цена |
| 1 | 41111-91J20-0EP | Кронштейн правого зажима - Bracket, Clamp Stbd (Bracket, clamp stbd) | | 1 шт | 13830 руб. |
| 2 | 41121-91J20-0EP | Кронштейн левого зажима - Bracket, Clamp Port (Bracket, clamp port) | | 1 шт | 8450 руб. |
| 3 | 41210-986L1-000 | Винт струбцины, в сборе - Screw Assy, Clamp (OPT # ) (Screw assy, clamp) | | под заказ | 2100 руб. |
| 4 | 41212-91J00-000 | Струбцина румпеля - Handle, Clamp (Рукоятка струбцины) | | 8 шт | 750 руб. |
| 5 | 41213-98100-000 | Пластина струбцины - Plate, Clamp (Plate, clamp # ) (Плата струбцины) | | под заказ | 390 руб. |
| 5 | 41213-94J01-000 | (актуальный код замены) Пластина струбцины - Plate, Clamp | | под заказ | 420 руб. |
| 6 | 09205-06007-000 | Стопор пружины (6x25) - Pin, Spring (6x25) (Pin (6x27) # ) (Pin) | | 13 шт | 170 руб. |
| 7 | 09100-06177-000 | Болт (6x140) - Bolt (6x140) (Bolt, clamp bracket lower (l140)) | | 9 шт | 470 руб. |
| 8 | 09100-10217-000 | Болт (10x150) - Bolt (10x150) (Bolt (10x150)) | | под заказ | 1870 руб. |
| 9 | 29141-93J00-000 | Гайка - Nut (Гайка) | | 18 шт | 480 руб. |
| 10 | 09159-10050-000 | Гайка - Nut (Гайка) | | 8 шт | 250 руб. |
| 11 | 09160-06082-000 | Шайба (6.5x13x1.0) - Washer (65x13x10) (Washer # ) (Шайба) | | 7 шт | 150 руб. |
| 12 | 09160-10082-000 | Шайба (10.5x19x2) - Washer (105x19x2) (Washer # ) (Gasket (10.5x19x2)) | | 19 шт | 120 руб. |
| 13 | 09180-06163-000 | Проставка (6.5x10.5x104) - Spacer (65x105x104) (Кольцо/шайба) | | под заказ | 540 руб. |
| 14 | 45420-92DL0-000 | Штифт блокировки наклона - Pin, Tilt Lock (Pin, tilt lock) | | 25 шт | 2890 руб. |
| 15 | 69911-91J00-000 | Маркировка на кронштейне транца - Mark, Clamp Bracket (Маркировка) | | под заказ | 320 руб. |
Время выполнения запроса 0.84269499778748 сек. |
|