| |
 |
|
 |
Вернуться к выбору узлов мотора
ДЕТАЛИРОВКА ДЛЯ МОДЕЛИ: SUZUKI DF4L FROM 00402F-310001~ (P03 013)
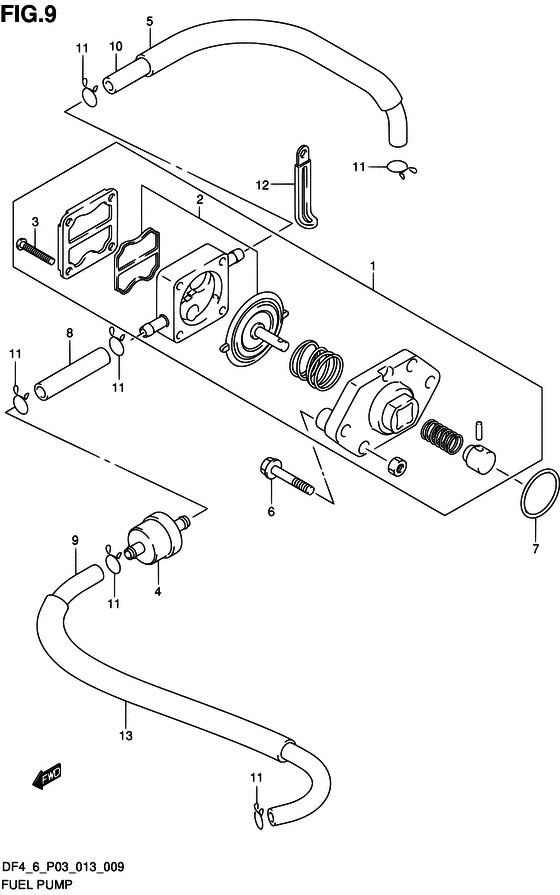
Топливный насос
Код модели двигателя: DF4S/L
Год выпуска двигателя: 2013
Регион: USA/General South East Asia ,Код региона: P03/P013
Цвет: Shadow Black Metallic
Номер на рисунке | Артикул | Наименование | QTY | Кол-во на складе | Цена |
| 1 | 15100-91J02-000 | Топливный насос, в сборе - Pump Assy, Fuel (Топливный насос) | | под заказ | 13780 руб. |
| 1 | 15100-91J03-000 | (актуальный код замены) Топливный насос, в сборе - Pump Assy, Fuel | | 24 шт | 14840 руб. |
| 2 | 15170-91J01-000 | Диафрагма Set - Diaphragm Set (Комплект диафрагмы) | | под заказ | 3080 руб. |
| 2 | 15170-91J02-000 | (актуальный код замены) Диафрагма Set - Diaphragm Set | | 9 шт | 3330 руб. |
| 3 | 15251-91J00-000 | Винт - Screw (Болт) | | под заказ | 250 руб. |
| 4 | 15410-98500-000 | Топливный фильтр - Filter, Fuel (Filter assy, fuel # ) (Фильтр топливный) | | 40 шт | 1600 руб. |
| 4 | 15410-98500 | (не оригинальный аналог) Топливный фильтр Suzuki 15410-98500 | | под заказ | 590 руб. |
| 5 | 18498-94JL0-130 | Защита топливного шланга - Protector, Fuel Hose (Protector, fuel hose) | | под заказ | 470 руб. |
| 5 | 18498-91J21-000 | (актуальный код замены) Защита топливного шланга (12x15x130) - Protector, Fuel Hose (12x15x130) | | под заказ | 470 руб. |
| 6 | 01550-06307-000 | Болт - Bolt (Bolt # ) (Bolt (chrome)) | | 8 шт | 250 руб. |
| 7 | 09280-27006-000 | Уплотнительное кольцо (d: 2, Id: 27.5) - O Ring (d:2, Id:275) (O ring (d:2.0 id:27.5)) | | 64 шт | 390 руб. |
| 8 | 09343-50L01-040 | Шланг - Hose (Hose, fuel (filter to pump)) | | под заказ | 250 руб. |
| 9 | 15191-91JM0-000 | Топливный шланг (tank To Фильтр) - Hose, Fuel (tank To Filter) (Hose, fuel (tank to filter)) | | под заказ | 1830 руб. |
| 10 | 09343-50L01-300 | Шланг - Hose (Hose, fuel (pump to carb)) | | под заказ | 1300 руб. |
| 11 | 59412-91J00-000 | Зажим топливного шланга - Clip, Fuel Hose (Clip, fuel hose # ) (Clip) | | 8 шт | 180 руб. |
| 12 | 29404-93J10-000 | Струбцина - Clamp (Clamp # ) (Струбцина переключателя) | | под заказ | 190 руб. |
| 12 | 29404-93J11-000 | (актуальный код замены) Струбцина - Clamp | | под заказ | 190 руб. |
| 13 | 18498-94JL0-100 | Защита топливного шланга - Protector, Fuel Hose (Protector, fuel hose) | | под заказ | 330 руб. |
| 13 | 18498-99J01-000 | (актуальный код замены) Защита топливного шланга (100) - Protector, Fuel Hose (100) | | под заказ | 330 руб. |
Время выполнения запроса 0.93724894523621 сек. |
|