| |
 |
|
 |
Вернуться к выбору узлов мотора
ДЕТАЛИРОВКА ДЛЯ МОДЕЛИ: SUZUKI DF5L FROM 00502F-510001~
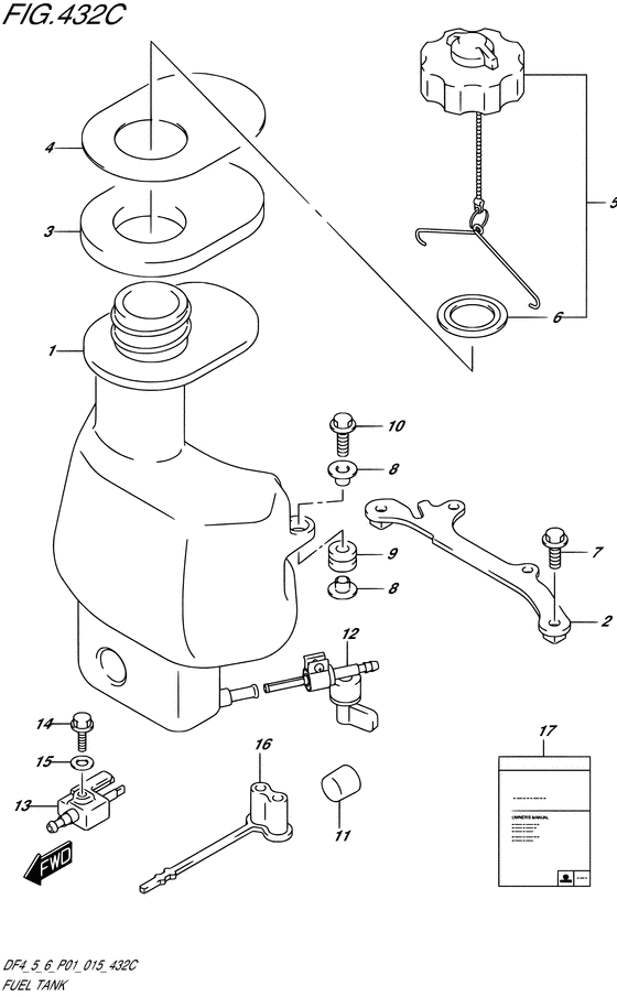
Топливный бак
Код модели двигателя: DF5S/L
Год выпуска двигателя: 2015
Регион: General Export No.1/Finland ,Код региона: P01/P015
Цвет: Shadow Black Metallic
Номер на рисунке | Артикул | Наименование | QTY | Кол-во на складе | Цена |
| 1 | 65110-91J50-000 | Топливный бак - Tank, Fuel (Tank, fuel) | | под заказ | 11670 руб. |
| 1 | 65110-91J40-000 | (актуальный код замены) Топливный бак - Tank, Fuel | | под заказ | 11670 руб. |
| 2 | 65260-91J00-000 | Кронштейн, Топливный бак - Bracket, Fuel Tank (Кронштейн топливного бака) | | 1 шт | 1890 руб. |
| 3 | 65281-91J11-000 | Пыльник топливного бака - Grommet, Fuel Tank (Резинка топливного бака) | | под заказ | 1870 руб. |
| 3 | 65281-91J12-000 | (актуальный код замены) Пыльник топливного бака - Grommet, Fuel Tank | | под заказ | 1870 руб. |
| 4 | 65284-91JL0-000 | Резинка пыльника топливного бака - Rubber, Fuel Tank Grommet (Rubber, fuel tank grommet) | | 9 шт | 470 руб. |
| 5 | 65510-91JL2-000 | Крышка горловины топливного бака, в сборе - Cap Assy, Fuel Tank (Cap assy, fuel tank) | | под заказ | 5380 руб. |
| 5 | 65510-97L20-000 | (актуальный код замены) Крышка горловины топливного бака, в сборе - Cap Assy, Fuel Tank | | 10 шт | 3550 руб. |
| 5 | SMO-65510-97L20-000 | (не оригинальный аналог) Крышка топливного бака на Suzuki DF2.5 / DF4 / DF5 / DF6 (не все года) оригинал | | под заказ | 2500 руб. |
| 5 | SMO-65510-97L20-000 | (аналог) Крышка топливного бака на Suzuki DF2.5 / DF4 / DF5 / DF6 (не все года) оригинал - код 65510-97L20-000 | | под заказ шт | 2500 руб. |
| 6 | 65561-91J00-000 | Прокладка крышка топливного бака - Gasket, Tank Cap (GASKET, TANK CAP) | | под заказ | 480 руб. |
| 6 | 65561-91J01-000 | (актуальный код замены) Прокладка крышка топливного бака - Gasket, Tank Cap | | под заказ | 480 руб. |
| 7 | 01550-06167-000 | Болт - Bolt (Bolt) | | 9 шт | 210 руб. |
| 8 | 09169-06088-000 | Шайба - Washer (Шайба) | | 4 шт | 220 руб. |
| 9 | 09320-09039-000 | Подушка - Cushion (Cushion, silencer cover # ) (Валик) | | 8 шт | 320 руб. |
| 9 | 09320-09059-000 | (актуальный код замены) Подушка (9x18x14) - Cushion (9x18x14) | | под заказ | 320 руб. |
| 10 | 01550-06257-000 | Болт - Bolt (Bolt) | | под заказ | 180 руб. |
| 11 | 61151-91J20-000 | Подушка - Cushion (Cushion) | | под заказ | 490 руб. |
| 12 | 66100-91JL0-000 | Топливный кран в сборе - Cock Assy, Fuel (Cock assy, fuel) | | 4 шт | 2350 руб. |
| 13 | 65720-986L0-000 | Разъем топливного коннектора - Plug, Fuel Connector (Plug, fuel connector) | | 5 шт | 6330 руб. |
| 14 | 09103-06237-000 | Болт (6x12.5) - Bolt (6x125) (Bolt, fuel connector plug # ) (Bolt (6x12.5)) | | под заказ | 260 руб. |
| 15 | 09160-06085-000 | Шайба (6.5x15x1) - Washer (65x15x1) (Washer (6.5x15x1.0) # ) (Шайба) | | под заказ | 120 руб. |
| 16 | 65727-91JL0-000 | Колпачок заглушки топливного коннектора - Cap, Fuel Connector Plug (Cap, fuel connector plug) | | 8 шт | 520 руб. |
| 17 | 99011-91J50-055 | Руководство пользователя - Manual, Owners (MANUAL, OWNER'S) | | под заказ | 1640 руб. |
Время выполнения запроса 1.8199670314789 сек. |
|