Купить комплектующие на лодочный подвесной мотор Suzuki DF5S/L - Топливный насос
вконтакте

Контактный телефон: +7 (981) 121-46-93, +7 (800) 200-90-76 , Email: parts-katalog@yandex.ru, где купить

 
 

  Логин:

Пароль:

Регистрация

www.partskatalog.ru Все каталоги Запчасти Mercury Запчасти Suzuki Запчасти Tohatsu Запчасти Honda Контакты

назад Раздел:   вперёд

Вернуться к выбору узлов мотора


ДЕТАЛИРОВКА ДЛЯ МОДЕЛИ: SUZUKI DF5L K8

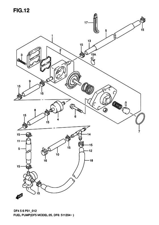
Топливный насос


Код модели двигателя: DF5S/L

Год выпуска двигателя: 2008

Цвет: Shadow Black Metallic

Номер на
рисунке
АртикулНаименованиеQTYКол-во
на складе
Цена
115100-91J02-000

Топливный насос, в сборе - Pump Assy, Fuel (Топливный насос)

под заказ13780 руб.
115100-91J03-000

   (актуальный код замены) Топливный насос, в сборе - Pump Assy, Fuel

24 шт14840 руб.
215170-91J01-000

Диафрагма Set - Diaphragm Set (Комплект диафрагмы)

под заказ3080 руб.
215170-91J02-000

   (актуальный код замены) Диафрагма Set - Diaphragm Set

9 шт3330 руб.
315251-91J00-000

Винт - Screw (Болт)

под заказ250 руб.
415410-98500-000

Топливный фильтр - Filter, Fuel (Filter assy, fuel # ) (Фильтр топливный)

40 шт1600 руб.
415410-98500

   (не оригинальный аналог) Топливный фильтр Suzuki 15410-98500

под заказ590 руб.
518498-89J10-000

Защита топливного шланга (12x15x180) - Protector, Fuel Hose (12x15x180) (Protector (pump to carb) # ) (Protector (l:180))

под заказ490 руб.
518498-89J11-000

   (актуальный код замены) Защита топливного шланга (12x15x180) - Protector, Fuel Hose (12x15x180)

под заказ490 руб.
609103-06182-000

Болт (6x28) - Bolt (6x28) (Bolt (6x28) # ) (Болт (6X28))

под заказ180 руб.
709280-27006-000

Уплотнительное кольцо (d: 2, Id: 27.5) - O Ring (d:2, Id:275) (<-59291-91J30 # ) (O ring (d:2.0 id:27.5))

62 шт390 руб.
809343-50001-600

Шланг (5x10x600) - Hose (5x10x600) (L:600->40 DF5:110001~ DF6:110001~ # ) (Hose, 5x10x600)

под заказ3940 руб.
809355-50109-600

Шланг (5x10x600) - Hose (5x10x600) (L:600->40 # ) (Шланг 5X10X600)

под заказ3720 руб.
909343-50001-600

Шланг (5x10x600) - Hose (5x10x600) (L:600->40 DF5:110001~ DF6:110001~ # ) (Hose, 5x10x600)

под заказ3940 руб.
909355-50109-600

Шланг (5x10x600) - Hose (5x10x600) (L:600->40 # ) (Шланг 5X10X600)

под заказ3720 руб.
1015192-91J00-000

Топливный шланг (Коннектор To Elb) - Hose, Fuel (connector To Elb)

под заказ590 руб.
1015192-91JL0-000

   (актуальный код замены) Топливный шланг (Коннектор To Elb) - Hose, Fuel (connector To Elb)

под заказ590 руб.
1015192-91JL0-000

Топливный шланг (Коннектор To Elb) - Hose, Fuel (connector To Elb) (Hose, fuel (conn to elb))

под заказ590 руб.
1015192-91J01-000

Топливный шланг (Коннектор To Elb) - Hose, Fuel (connector To Elb) (DF5:110001~ DF6:110001~ # )

под заказ590 руб.
1015192-91JL0-000

   (актуальный код замены) Топливный шланг (Коннектор To Elb) - Hose, Fuel (connector To Elb)

под заказ590 руб.
1015192-91JL0-000

Топливный шланг (Коннектор To Elb) - Hose, Fuel (connector To Elb) (Hose, fuel (conn to elb))

под заказ590 руб.
1109343-50001-600

Шланг (5x10x600) - Hose (5x10x600) (L:600->260 DF5:110001~ DF6:110001~ # ) (Hose, 5x10x600)

под заказ3940 руб.
1109355-50109-600

Шланг (5x10x600) - Hose (5x10x600) (L:600->260 # ) (Шланг 5X10X600)

под заказ3720 руб.
1209343-50001-600

Шланг (5x10x600) - Hose (5x10x600) (L:600->360 DF5:110001~ DF6:110001~ # ) (Hose, 5x10x600)

под заказ3940 руб.
1209355-50109-600

Шланг (5x10x600) - Hose (5x10x600) (L:600->360 # ) (Шланг 5X10X600)

под заказ3720 руб.
1309343-50001-600

Шланг (5x10x600) - Hose (5x10x600) (L:600->270 DF5:110001~ DF6:110001~ # ) (Hose, 5x10x600)

под заказ3940 руб.
1309355-50109-600

Шланг (5x10x600) - Hose (5x10x600) (L:600->270 # ) (Шланг 5X10X600)

под заказ3720 руб.
1409367-06007-000

Тройник - 3 Way (3 way (pump to carb) # ) (Joint)

10 шт320 руб.
1509401-09403-000

Зажим - Clip (Clip)

9 шт160 руб.
1559412-91J00-000

Зажим топливного шланга - Clip, Fuel Hose (Clip, fuel hose # DF5:680901~ DF6:681383~ # ) (Clip)

8 шт180 руб.
1609401-11422-000

Зажим - Clip (Clip)

под заказ190 руб.
1709404-06432-000

Струбцина (l: 65) - Clamp (l:65) (Clamp (l:80) # ) (Clamp (l:80))

8 шт170 руб.
1709404-06039-000

   (актуальный код замены) Струбцина (l: 65) - Clamp (l:65)

под заказ170 руб.
1818498-94J20-000

Защита топливного шланга (l: 320) - Protector, Fuel Hose (l:320) (Protector (l:320))

под заказ670 руб.
1818498-94J21-000

   (актуальный код замены) Защита топливного шланга (l: 320) - Protector, Fuel Hose (l:320)

под заказ670 руб.


Время выполнения запроса 0.99939298629761 сек.

 
 

данный сайт носит информационный характер и не является публичной офертой

склад запчастей для водомоторной техники