| |
 |
|
 |
Вернуться к выбору узлов мотора
ДЕТАЛИРОВКА ДЛЯ МОДЕЛИ: SUZUKI DF6L K3
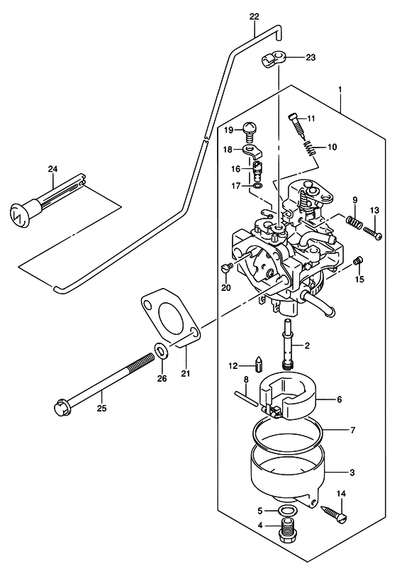
Карбюратор
Код модели двигателя: DF6S/L
Год выпуска двигателя: 2003
Цвет: Shadow Black Metallic
Номер на рисунке | Артикул | Наименование | QTY | Кол-во на складе | Цена |
| 1 | 13200-91J20-000 | Карбюратор в сборе - Carburetor Assy (Карбюратор) | | 4 шт | 21560 руб. |
| 2 | 13236-91J10-000 | Главная форсунка - Nozzle, Main (Распылитель главный) | | под заказ | 2790 руб. |
| 3 | 13245-986A0-000 | Поплавковая камера - Chamber, Float (Камера плавающая) | | под заказ | 6630 руб. |
| 4 | 13247-986A0-000 | Дренажная заглушка - Plug, Drain (Plug, drain # ) (Bolt, drain) | | под заказ | 830 руб. |
| 5 | 13249-90100-000 | Прокладка, Drain, Заглушка - Gasket, Drain, Plug (Gasket, drain plug # ) (Прокладка) | | 4 шт | 160 руб. |
| 6 | 13250-87420-000 | Поплавок - Float (Поплавок) | | 1 шт | 3650 руб. |
| 7 | 13251-87400-000 | Прокладка поплавковой камеры - Gasket, Float Chamber (Gasket, float chamber # ) (Прокладка) | | 1 шт | 620 руб. |
| 8 | 13254-98300-000 | Стопор поплавка - Pin, Float (Pin, float # ) (Штифт карбюратора) | | под заказ | 240 руб. |
| 9 | 13268-92910-000 | Пружина - Spring (Spring # ) (Пружина) | | под заказ | 310 руб. |
| 10 | 13268-96111-000 | Пружина, Дроссель Винт - Spring, Throttle Screw (Spring, throttle screw # ) (Пружина) | | под заказ | 350 руб. |
| 11 | 13662-91J00-000 | Регулятор - Adjuster (Регулятор) | | под заказ | 810 руб. |
| 12 | 13371-91J00-000 | Игольчатый клапан - Valve, Needle (Клапан) | | 1 шт | 3110 руб. |
| 13 | 13534-98900-000 | Винт дросселя Stop - Screw, Throttle Stop (Болт) | | под заказ | 470 руб. |
| 14 | 13279-90000-000 | Регулятор - Adjuster (Регулятор) | | под заказ | 600 руб. |
| 15 | 09491-85013-000 | Главная форсунка (85) - Jet, Main (85) (Жиклер главный (85)) | | под заказ | 1190 руб. |
| 16 | 09492-35028-000 | Контрольная форсунка (35) - Jet, Pilot (35) (Жиклер пропускной (35)) | | под заказ | 0 руб. |
| 17 | 13278-45010-000 | Уплотнительное кольцо - O Ring (O-ring # ) (O ring) | | под заказ | 410 руб. |
| 18 | 13272-91J00-000 | Пластина - Plate (Plate) | | под заказ | 0 руб. |
| 19 | 02112-35087-000 | Винт - Screw (Болт) | | под заказ | 170 руб. |
| 20 | 09493-80010-000 | Главная форсунка Air (0.8) - Jet, Main Air (08) (Jet, air (0.8) # ) ( (ca) jet, main) | | под заказ | 1380 руб. |
| 21 | 13125-91J00-000 | Прокладка карбюратора - Gasket, Carburetor (Прокладка карбюратора) | | 15 шт | 260 руб. |
| 22 | 13413-91J00-000 | Тяга дросселя - Rod, Choke (Штанга) | | 2 шт | 810 руб. |
| 23 | 13436-91J00-000 | Соединитель тяги дросселя - Connector, Choke Rod (Соединение отбойника) | | 10 шт | 360 руб. |
| 24 | 13631-91J00-000 | Регулятор дросселя - Knob, Choke (Knob, choke) | | 21 шт | 350 руб. |
| 25 | 01547-06807-000 | Болт - Bolt (Bolt) | | под заказ | 190 руб. |
| 26 | 08322-01067-000 | Шайба - Washer (Шайба) | | 10 шт | 160 руб. |
Время выполнения запроса 0.68364787101746 сек. |
|