Подобрать оригинальные запчасти на подвесной двигатель Suzuki DF6S/L модель 2006 года - Remote control
вконтакте

Контактный телефон: +7 (981) 121-46-93, +7 (800) 200-90-76 , Email: parts-katalog@yandex.ru, где купить

 
 

  Логин:

Пароль:

Регистрация

www.partskatalog.ru Все каталоги Запчасти Mercury Запчасти Suzuki Запчасти Tohatsu Запчасти Honda Контакты

назад Раздел:   вперёд

Вернуться к выбору узлов мотора


ДЕТАЛИРОВКА ДЛЯ МОДЕЛИ: SUZUKI DF6LK6(P1) K6

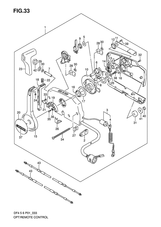
Дистанционное управление


Код модели двигателя: DF6S/L

Год выпуска двигателя: 2006

Регион: General Export No.1 ,Код региона: P01

Цвет: Shadow Black Metallic

Номер на
рисунке
АртикулНаименованиеQTYКол-во
на складе
Цена
167200-91J02-000

Дистанционное управление в сборе - Remote Control Assy

под заказ62880 руб.
167200-91J32-000

   (актуальный код замены) Дистанционное управление в сборе - Remote Control Assy

под заказ62880 руб.
167200-91J05-000

Дистанционное управление в сборе - Remote Control Assy (REMOTE CONTROL ASSY)

под заказ62880 руб.
167200-91J32-000

   (актуальный код замены) Дистанционное управление в сборе - Remote Control Assy

под заказ62880 руб.
236628-92E00-000

Пыльник на жгут проводов - Grommet, Wiring Harness (Grommet, wire harness; # ) (Grommet)

под заказ490 руб.
337830-95D02-000

Выключатель аварийной остановки двигателя - Switch Assy, Emergency & Stop

под заказ6340 руб.
337830-95D04-000

   (актуальный код замены) Выключатель аварийной остановки двигателя - Switch Assy, Emergency & Stop

под заказ6340 руб.
337830-95D03-000

Выключатель аварийной остановки двигателя - Switch Assy, Emergency & Stop (SWITCH ASSY, EMERGENCY & STOP)

2 шт6340 руб.
337830-95D04-000

   (актуальный код замены) Выключатель аварийной остановки двигателя - Switch Assy, Emergency & Stop

под заказ6340 руб.
437823-92E01-000

Пластина блокировки аварийного выключателя - Plate Assy, Emergency Sw Lock (Plate, lock; # ) (Plate)

под заказ2570 руб.
437823-92E02-000

   (актуальный код замены) Пластина блокировки аварийного выключателя - Plate Assy, Emergency Sw Lock

3 шт2770 руб.
567212-95600-000

Шайба - Washer (Шайба)

под заказ300 руб.
667220-95630-000

Пластина в сборе - Plate Assy (Plate assy # ) (Плата 15C)

под заказ8400 руб.
767223-99E10-000

Ручка регулировки тормоза - Knob, Brake Adjust (Knob, brake adjust; # ) (Рукоятка тормоза)

под заказ760 руб.
867229-95600-000

Ролик - Roller (Roller)

под заказ520 руб.
967232-95600-000

Втулка - Bush (Втулка)

под заказ570 руб.
1067238-87D00-000

Зубчатый привод - Gear, Drive (Gear, drive; # ) (Ведущая шестерня)

1 шт4080 руб.
1167241-99E10-000

Рычаг освобождения дросселя - Lever, Free Throttle (Рукоятка)

под заказ2280 руб.
1267243-95600-000

Втулка, Remo-con - Bush, Remo-con (Втулка)

2 шт390 руб.
1367244-95600-000

Волнистая шайба - Wave Washer (Wave washer; # ) (Шайба)

под заказ330 руб.
1467245-95600-000

Барабан освобождения дросселя - Drum, Free Throttle (Drum assy, free throttle # Drum, free throttle; # ) (Цилиндр дросселя)

под заказ2480 руб.
1567251-99E10-000

Рычаг блокировки - Lever, Handle (Рукоятка)

под заказ7200 руб.
1667252-95600-000

Втулка - Bush (Втулка)

2 шт480 руб.
1767253-95600-000

Шайба - Washer (Шайба)

под заказ460 руб.
1867255-99E00-000

Рычаг блокировки - Arm, Lock (Рычаг блокировки)

под заказ1680 руб.
1967256-95600-000

Держатель блокировки нейтрали - Holder, Neutral Lock (Holder, neut lock # Holder, neutral lock; # ) (Holder)

2 шт1140 руб.
2067257-99E00-000

Крышка рычага - Cap, Lever (Насадка рукоятки)

под заказ860 руб.
2167258-99E00-000

Кронштейн - Bracket (Bracket)

под заказ490 руб.
2267259-87D00-000

Пружина рычага нетрали - Spring, Neutral Arm (Spring, neutral arm # Spring, neutral arm; # ) (Пружина переключателя)

6 шт550 руб.
2367261-99E00-000

Рукоятка - Grip (Grip)

под заказ4130 руб.
2467296-94310-000

Винт - Screw (Screw # ) (Винт)

под заказ180 руб.
2567264-95600-000

Шайба - Washer (Шайба)

под заказ270 руб.
2667267-95610-000

Крышка проводов - Cover, Wire (Cover, wire (black) # ) (Крышка проводки)

под заказ580 руб.
2767273-95600-000

Проставка - Spacer (Кольцо/шайба)

под заказ460 руб.
2767273-95601-000

   (актуальный код замены) Проставка - Spacer

3 шт630 руб.
2867275-95600-000

Наконечник кабеля - End, Cable (Наконечник кабеля)

36 шт810 руб.
2967288-92E00-000

Шайба - Washer (Washer, brake adj knob; # ) (Шайба)

под заказ300 руб.
3067292-94300-000

Уплотнительное кольцо дистанционного управления - E Ring, Remo-con (E ring)

25 шт120 руб.
3167294-95600-000

Проставка - Spacer (Кольцо/шайба)

под заказ460 руб.
3267296-90J00-000

Винт задней крышки - Screw, Rr Cover (Screw, rear cover; # ) (Винт крышки)

под заказ300 руб.
3267296-90J10-000

   (актуальный код замены) Винт задней крышки - Screw, Rr Cover

под заказ300 руб.
3367296-94300-000

Винт (4x10) - Screw (4x10) (Screw # ) (Винт)

под заказ120 руб.
3467296-95600-000

Винт - Screw (Болт)

под заказ570 руб.
3567296-95610-000

Винт - Screw (Болт)

2 шт280 руб.
3667297-95600-000

Шайба - Washer (Шайба)

под заказ280 руб.
3768165-16B00-13L

Эмблема, Suzuki - Emblem, Suzuki (Emblem, suzuki (silver) # Emblem, suzuki; # ) (Emblem)

под заказ600 руб.
3768165-16B01-13L

   (актуальный код замены) Эмблема, Suzuk - Emblem, Suzuk

1 шт600 руб.
3809100-08232-000

Болт (8x30) - Bolt (8x30) (Bolt (8x30); # ) (Bolt)

6 шт350 руб.
3909126-05003-000

Винт (5x12) - Screw (5x12) (Screw (5x12); # ) (Болт)

под заказ160 руб.
4009140-06020-000

Гайка - Nut (Гайка)

9 шт150 руб.
4109160-06104-000

Шайба (6.5x24x2) - Washer (65x24x2) (Washer (6.5x24x2.0); # ) (Шайба)

под заказ220 руб.
4237859-90J00-000

Проставка - Spacer (Кольцо/шайба)

под заказ350 руб.
4367320-93J00-000

Тросик дистанционного управления (8f: 2.4m) - Cable Assy, Remocon (8f:24m) (Cable assy, remocon 8f (2.4m); # ) (Кабель дистанционный 8F (2.4M))

под заказ5760 руб.
4367320-93J10-000

Тросик дистанционного управления (10f: 3.1m) - Cable Assy, Remocon (10f:31m) (Cable assy, remocon 10f (3.1m); # ) (Кабель дистанционный 10F (3.1M))

под заказ6340 руб.
4367320-93J20-000

Тросик дистанционного управления (12f: 3.7m) - Cable Assy, Remocon (12f:37m) (Cable assy, remocon 12f (3.7m); # ) (Кабель дистанционный 12F (3.7M))

под заказ6920 руб.
4367320-93J30-000

Тросик дистанционного управления (14f: 4.2m) - Cable Assy, Remocon (14f:42m) (Cable assy, remocon 14f (4.3m); # ) (Кабель дистанционный 14F (4.3M))

3 шт7490 руб.
4367320-93J40-000

Тросик дистанционного управления (16f: 4.8m) - Cable Assy, Remocon (16f:48m) (Cable assy, remocon 16f (4.9m); # ) (Кабель дистанционный 16F (4.9M))

под заказ8020 руб.


Время выполнения запроса 7.0272109508514 сек.

 
 

данный сайт носит информационный характер и не является публичной офертой

склад запчастей для водомоторной техники