Найти запчасти на подвесной двигатель Suzuki DF6S/L модель 2008 года - Топливный насос
вконтакте

Контактный телефон: +7 (981) 121-46-93, +7 (800) 200-90-76 , Email: parts-katalog@yandex.ru, где купить

 
 

  Логин:

Пароль:

Регистрация

www.partskatalog.ru Все каталоги Запчасти Mercury Запчасти Suzuki Запчасти Tohatsu Запчасти Honda Контакты



УВАЖАЕМЫЕ КЛИЕНТЫ!
C 19 ДЕКАБРЯ 2025 ПО 02 МАРТА 2026 ГОДА ОТДЕЛ ЗАПЧАСТЕЙ И СЕРВИС РАБОТАТЬ НЕ БУДУТ
ПРОДАЖА ЛОДОЧНЫХ МОТОРОВ В ШТАТНОМ РЕЖИМЕ
ОБ ИЗМЕНЕНИЯХ В ГРАФИКЕ РАБОТЫ ЧИТАЙТЕ НА САЙТА



назад Раздел:   вперёд

Вернуться к выбору узлов мотора


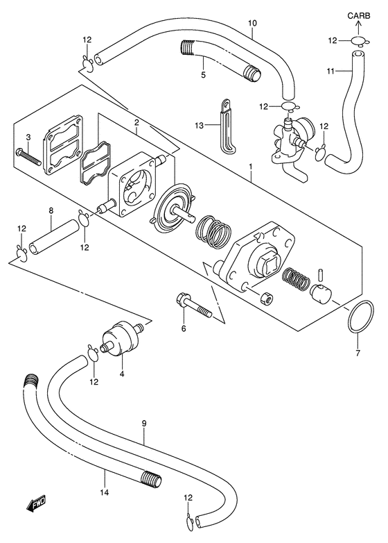
ДЕТАЛИРОВКА ДЛЯ МОДЕЛИ: SUZUKI DF6LK8(P1) K8

Топливный насос


Код модели двигателя: DF6S/L

Год выпуска двигателя: 2008

Регион: General Export No.1 ,Код региона: P01

Цвет: Shadow Black Metallic

Номер на
рисунке
АртикулНаименованиеQTYКол-во
на складе
Цена
115100-91J00-000

Топливный насос, в сборе - Pump Assy, Fuel

под заказ13780 руб.
115100-91J03-000

   (актуальный код замены) Топливный насос, в сборе - Pump Assy, Fuel

24 шт14840 руб.
115100-91J02-000

Топливный насос, в сборе - Pump Assy, Fuel (Топливный насос)

под заказ13780 руб.
115100-91J03-000

   (актуальный код замены) Топливный насос, в сборе - Pump Assy, Fuel

24 шт14840 руб.
215170-91J00-000

Диафрагма Set - Diaphragm Set

под заказ3080 руб.
215170-91J02-000

   (актуальный код замены) Диафрагма Set - Diaphragm Set

9 шт3330 руб.
215170-91J01-000

Диафрагма Set - Diaphragm Set (Комплект диафрагмы)

под заказ3080 руб.
215170-91J02-000

   (актуальный код замены) Диафрагма Set - Diaphragm Set

9 шт3330 руб.
315251-91J00-000

Винт - Screw (Болт)

под заказ250 руб.
415410-98500-000

Топливный фильтр - Filter, Fuel (Filter assy, fuel # ) (Фильтр топливный)

40 шт1600 руб.
415410-98500

   (не оригинальный аналог) Топливный фильтр Suzuki 15410-98500

под заказ590 руб.
533834-93E00-000

Трубка (14.1x10.7x180) - Tube (141x107x180) (Tube, switch lead # ) (Protector)

под заказ370 руб.
609103-06182-000

Болт (6x28) - Bolt (6x28) (Bolt (6x28) # Bolt (6x28); # ) (Болт (6X28))

под заказ180 руб.
709280-27006-000

Уплотнительное кольцо (d: 2, Id: 27.5) - O Ring (d:2, Id:275) (O ring (d:2.0 id:27.5); # ) (O ring (d:2.0 id:27.5))

64 шт390 руб.
809352-50903-600

Шланг (5x9x600) - Hose (5x9x600) (Hose # Hose, fuel (filter to pump); L:600->5 # ) (Шланг 5X9X600)

под заказ570 руб.
809352-50006-600

   (актуальный код замены) Шланг (5x9x600) - Hose (5x9x600)

1 шт570 руб.
915191-91J00-000

Топливный шланг - Hose, Fuel (Hose, fuel (tank to filter); # ) (Шланг топливный)

под заказ0 руб.
1009352-50903-600

Шланг (5x9x600) - Hose (5x9x600) (Hose # Hose, fuel (pump to cock); L:600->50 # ) (Шланг 5X9X600)

под заказ570 руб.
1009352-50006-600

   (актуальный код замены) Шланг (5x9x600) - Hose (5x9x600)

1 шт570 руб.
1109352-50903-600

Шланг (5x9x600) - Hose (5x9x600) (Hose # Hose, fuel (cock to carb); L:600->90 # ) (Шланг 5X9X600)

под заказ570 руб.
1109352-50006-600

   (актуальный код замены) Шланг (5x9x600) - Hose (5x9x600)

1 шт570 руб.
1209401-08410-000

Зажим - Clip (Clip)

под заказ130 руб.
1309404-06432-000

Струбцина (l: 65) - Clamp (l:65) (Clamp (l:80) # ) (Clamp (l:80))

8 шт170 руб.
1309404-06039-000

   (актуальный код замены) Струбцина (l: 65) - Clamp (l:65)

под заказ170 руб.
1433834-91J00-000

Защита топливного шланга - Protector, Fuel Hose (Protector)

под заказ0 руб.


Время выполнения запроса 1.152398109436 сек.

 
 

данный сайт носит информационный характер и не является публичной офертой

склад запчастей для водомоторной техники