Купить запчасти на подвесной лодочный мотор Suzuki DF6S/L - Кронштейн транца - Clamp bracket
вконтакте

Контактный телефон: +7 (981) 121-46-93, +7 (800) 200-90-76 , Email: parts-katalog@yandex.ru, где купить

 
 

  Логин:

Пароль:

Регистрация

www.partskatalog.ru Все каталоги Запчасти Mercury Запчасти Suzuki Запчасти Tohatsu Запчасти Honda Контакты



УВАЖАЕМЫЕ КЛИЕНТЫ!
C 19 ДЕКАБРЯ 2025 ПО 02 МАРТА 2026 ГОДА ОТДЕЛ ЗАПЧАСТЕЙ И СЕРВИС РАБОТАТЬ НЕ БУДУТ
ПРОДАЖА ЛОДОЧНЫХ МОТОРОВ В ШТАТНОМ РЕЖИМЕ
ОБ ИЗМЕНЕНИЯХ В ГРАФИКЕ РАБОТЫ ЧИТАЙТЕ НА САЙТА



назад Раздел:   вперёд

Вернуться к выбору узлов мотора


ДЕТАЛИРОВКА ДЛЯ МОДЕЛИ: SUZUKI DF6LK10(P1) K10

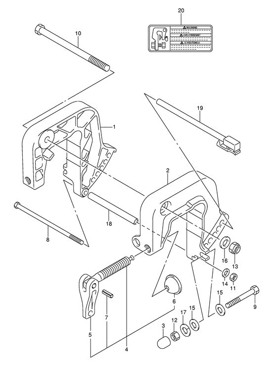
Кронштейн транца


Код модели двигателя: DF6S/L

Год выпуска двигателя: 2010

Регион: General Export No.1 ,Код региона: P01

Цвет: Shadow Black Metallic

Номер на
рисунке
АртикулНаименованиеQTYКол-во
на складе
Цена
141111-91J00-0EP

Кронштейн правого зажима - Bracket, Clamp Stbd (Bracket, clamp stbd (black); # )

под заказ13830 руб.
141111-91J20-0EP

   (актуальный код замены) Кронштейн правого зажима - Bracket, Clamp Stbd

1 шт13830 руб.
141111-91J20-0EP

Кронштейн правого зажима - Bracket, Clamp Stbd (Bracket, clamp stbd)

1 шт13830 руб.
141111-91J20-0EP

Кронштейн правого зажима - Bracket, Clamp Stbd (Bracket, clamp stbd (black); Model:10~ # ) (Bracket, clamp stbd)

1 шт13830 руб.
241121-91J00-0EP

Кронштейн левого зажима - Bracket, Clamp Port (Bracket, clamp port (black); # )

под заказ8450 руб.
241121-91J20-0EP

   (актуальный код замены) Кронштейн левого зажима - Bracket, Clamp Port

1 шт8450 руб.
241121-91J20-0EP

Кронштейн левого зажима - Bracket, Clamp Port (Bracket, clamp port)

1 шт8450 руб.
241121-91J20-0EP

Кронштейн левого зажима - Bracket, Clamp Port (Bracket, clamp port (black); Model:10~ # ) (Bracket, clamp port)

1 шт8450 руб.
341153-96300-000

Колпачок транцевого болта - Cap, Transom Bolt (Cap, transom bolt; # ) (Наконечник болта)

под заказ370 руб.
441210-98610-000

Винт струбцины, в сборе - Screw Assy, Clamp

под заказ2100 руб.
441210-986L1-000

   (актуальный код замены) Винт струбцины, в сборе - Screw Assy, Clamp

под заказ2100 руб.
441210-986L1-000

Винт струбцины, в сборе - Screw Assy, Clamp (Screw assy, clamp)

под заказ2100 руб.
441210-986L0-000

Винт струбцины, в сборе - Screw Assy, Clamp (Df4:110001~, df5:110001~, df6:110001~ # )

1 шт2100 руб.
441210-986L1-000

   (актуальный код замены) Винт струбцины, в сборе - Screw Assy, Clamp

под заказ2100 руб.
441210-986L1-000

Винт струбцины, в сборе - Screw Assy, Clamp (Screw assy, clamp)

под заказ2100 руб.
541212-98602-000

Струбцина румпеля - Handle, Clamp

под заказ500 руб.
541212-91J00-000

   (актуальный код замены) Струбцина румпеля - Handle, Clamp

8 шт750 руб.
541212-91J00-000

Струбцина румпеля - Handle, Clamp (Рукоятка струбцины)

8 шт750 руб.
641213-98100-000

Пластина струбцины - Plate, Clamp (Plate, clamp # Plate, clamp; # ) (Плата струбцины)

под заказ390 руб.
641213-94J01-000

   (актуальный код замены) Пластина струбцины - Plate, Clamp

под заказ420 руб.
709205-06007-000

Стопор пружины (6x25) - Pin, Spring (6x25) (Pin (6x27) # ) (Pin)

13 шт170 руб.
809100-06125-000

Болт (6x140) - Bolt (6x140) (Bolt (6x140); # )

под заказ470 руб.
809100-06177-000

   (актуальный код замены) Болт (6x140) - Bolt (6x140)

9 шт470 руб.
809100-06177-000

Болт (6x140) - Bolt (6x140) (Bolt, clamp bracket lower (l140))

9 шт470 руб.
909100-08239-000

Болт (8x90) - Bolt (8x90) (Bolt (8x90); # )

под заказ420 руб.
909100-08311-000

   (актуальный код замены) Болт (8x90) - Bolt (8x90)

8 шт420 руб.
909100-08311-000

Болт (8x90) - Bolt (8x90) (Bolt, 8x90)

8 шт420 руб.
1009100-10217-000

Болт (10x150) - Bolt (10x150) (Bolt (10x150); # ) (Bolt (10x150))

под заказ1870 руб.
1129141-93J00-000

Гайка - Nut (Nut (6mm); # ) (Гайка)

18 шт480 руб.
1209140-08023-XC0

Гайка - Nut (Nut (8mm); # ) (Гайка)

14 шт190 руб.
1309159-10050-000

Гайка - Nut (Гайка)

8 шт250 руб.
1409160-06082-000

Шайба (6.5x13x1.0) - Washer (65x13x10) (Washer # Washer (6.5x13x1.0); # ) (Шайба)

7 шт150 руб.
1509160-08081-000

Шайба (8.5x23x1.5) - Washer (85x23x15) (Washer, clutch lever # Washer (8.5x23x1.5); # ) (Шайба)

4 шт210 руб.
1629160-93J00-000

Шайба (10.5x19x2) - Washer (105x19x2) (Washer (10.5x19x2.0); # )

под заказ120 руб.
1609160-10082-000

   (актуальный код замены) Шайба (10.5x19x2) - Washer (10.5x19x2)

19 шт120 руб.
1609160-10082-000

Шайба (10.5x19x2) - Washer (105x19x2) (Washer # ) (Gasket (10.5x19x2))

19 шт120 руб.
1729162-93J10-000

Шайба (8.2x21.5x3) - Washer (82x215x3) (Lock washer (8.2x15.4x2.0) # ) (Пластина замка)

4 шт130 руб.
1809180-06163-000

Проставка (6.5x10.5x104) - Spacer (65x105x104) (Кольцо/шайба)

под заказ540 руб.
1945420-92D03-000

Штифт блокировки наклона - Pin, Tilt Lock

под заказ2370 руб.
1945420-92DL0-000

   (актуальный код замены) Штифт блокировки наклона - Pin, Tilt Lock

25 шт2890 руб.
1945420-92DL0-000

Штифт блокировки наклона - Pin, Tilt Lock (Pin, tilt lock)

25 шт2890 руб.
2069911-91J20-000

Маркировка на кронштейне транца - Mark, Clamp Bracket

под заказ320 руб.
2069911-91J00-000

   (актуальный код замены) Маркировка на кронштейне транца - Mark, Clamp Bracket

под заказ320 руб.
2069911-91J00-000

Маркировка на кронштейне транца - Mark, Clamp Bracket (Маркировка)

под заказ320 руб.
2069911-91J00-000

Маркировка на кронштейне транца - Mark, Clamp Bracket (Mark, clamp brkt; Model:04~10 # ) (Маркировка)

под заказ320 руб.
2069911-91J40-000

Маркировка на кронштейне транца - Mark, Clamp Bracket (Mark, clamp brkt; Df4:110001~, df5:110001~, df6:110001~ # ) (Mark, clamp bracket)

1 шт320 руб.


Время выполнения запроса 1.5537559986115 сек.

 
 

данный сайт носит информационный характер и не является публичной офертой

склад запчастей для водомоторной техники