Комплектующие на лодочный подвесной мотор SUZUKI DF6S/L - Fuel pump
вконтакте

Контактный телефон: +7 (981) 121-46-93, +7 (800) 200-90-76 , Email: parts-katalog@yandex.ru, где купить

 
 

  Логин:

Пароль:

Регистрация

www.partskatalog.ru Все каталоги Запчасти Mercury Запчасти Suzuki Запчасти Tohatsu Запчасти Honda Контакты



УВАЖАЕМЫЕ КЛИЕНТЫ!
C 19 ДЕКАБРЯ 2025 ПО 02 МАРТА 2026 ГОДА ОТДЕЛ ЗАПЧАСТЕЙ И СЕРВИС РАБОТАТЬ НЕ БУДУТ
ПРОДАЖА ЛОДОЧНЫХ МОТОРОВ В ШТАТНОМ РЕЖИМЕ
ОБ ИЗМЕНЕНИЯХ В ГРАФИКЕ РАБОТЫ ЧИТАЙТЕ НА САЙТА



назад Раздел:   вперёд

Вернуться к выбору узлов мотора


ДЕТАЛИРОВКА ДЛЯ МОДЕЛИ: SUZUKI DF6L(P01) PRD

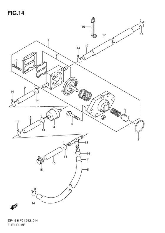
Топливный насос


Код модели двигателя: DF6S/L

Год выпуска двигателя: 2011

Регион: General Export No.1 ,Код региона: P01

Цвет: Shadow Black Metallic

Номер на
рисунке
АртикулНаименованиеQTYКол-во
на складе
Цена
115100-91J02-000

Топливный насос, в сборе - Pump Assy, Fuel (Топливный насос)

под заказ13780 руб.
115100-91J03-000

   (актуальный код замены) Топливный насос, в сборе - Pump Assy, Fuel

24 шт14840 руб.
215170-91J01-000

Диафрагма Set - Diaphragm Set (Комплект диафрагмы)

под заказ3080 руб.
215170-91J02-000

   (актуальный код замены) Диафрагма Set - Diaphragm Set

9 шт3330 руб.
315251-91J00-000

Винт - Screw (Болт)

под заказ250 руб.
415410-98500-000

Топливный фильтр - Filter, Fuel (Filter assy, fuel # ) (Фильтр топливный)

40 шт1600 руб.
415410-98500

   (не оригинальный аналог) Топливный фильтр Suzuki 15410-98500

под заказ590 руб.
518498-99J00-000

Защита топливного шланга (100) - Protector, Fuel Hose (100) (Protector (l:100); # ) (Protector, fuel hose (100))

под заказ330 руб.
518498-99J01-000

   (актуальный код замены) Защита топливного шланга (100) - Protector, Fuel Hose (100)

под заказ330 руб.
609103-06182-000

Болт (6x28) - Bolt (6x28) (Bolt (6x28) # Bolt (6x28); # ) (Болт (6X28))

под заказ180 руб.
709280-27006-000

Уплотнительное кольцо (d: 2, Id: 27.5) - O Ring (d:2, Id:275) (O ring (d:2, id:27.5); # ) (O ring (d:2.0 id:27.5))

64 шт390 руб.
809343-50001-600

Шланг (5x10x600) - Hose (5x10x600) (Hose (5x10x600); L:600->40 # ) (Hose, 5x10x600)

под заказ3940 руб.
909343-50001-600

Шланг (5x10x600) - Hose (5x10x600) (Hose (5x10x600); L:600->40 # ) (Hose, 5x10x600)

под заказ3940 руб.
1015192-91J01-000

Топливный шланг (Коннектор To Elb) - Hose, Fuel (connector To Elb) (Hose, fuel (conn to elb); # )

под заказ590 руб.
1015192-91JL0-000

   (актуальный код замены) Топливный шланг (Коннектор To Elb) - Hose, Fuel (connector To Elb)

под заказ590 руб.
1015192-91JL0-000

Топливный шланг (Коннектор To Elb) - Hose, Fuel (connector To Elb) (Hose, fuel (conn to elb))

под заказ590 руб.
1115191-91J22-000

Топливный шланг (tank To Фильтр) - Hose, Fuel (tank To Filter)

под заказ1540 руб.
1115191-91JL0-000

   (актуальный код замены) Топливный шланг (tank To Фильтр) - Hose, Fuel (tank To Filter)

под заказ1540 руб.
1115191-91JL0-000

Топливный шланг (tank To Фильтр) - Hose, Fuel (tank To Filter) (Hose, fuel (tank to filter))

под заказ1540 руб.
1209343-50001-600

Шланг (5x10x600) - Hose (5x10x600) (Hose (5x10x600); L:600->300 # ) (Hose, 5x10x600)

под заказ3940 руб.
1309367-06007-000

Тройник - 3 Way (3 way (pump to carb) # ) (Joint)

10 шт320 руб.
1459412-91J00-000

Зажим топливного шланга - Clip, Fuel Hose (Clip, fuel hose # ) (Clip)

8 шт180 руб.
1509401-11422-000

Зажим - Clip (Clip)

под заказ190 руб.
1629404-93J10-000

Струбцина - Clamp (Clamp # ) (Струбцина переключателя)

под заказ190 руб.
1629404-93J11-000

   (актуальный код замены) Струбцина - Clamp

под заказ190 руб.
1718498-91J20-000

Защита топливного шланга - Protector, Fuel Hose (Protector (l:130); # ) (Protector, fuel hose)

под заказ470 руб.
1718498-91J21-000

   (актуальный код замены) Защита топливного шланга (12x15x130) - Protector, Fuel Hose (12x15x130)

под заказ470 руб.


Время выполнения запроса 1.1871831417084 сек.

 
 

данный сайт носит информационный характер и не является публичной офертой

склад запчастей для водомоторной техники