Купить запчасти на подвесной двигатель SUZUKI DF6S/L модель 2013 года - Fuel tank
вконтакте

Контактный телефон: +7 (981) 121-46-93, +7 (800) 200-90-76 , Email: parts-katalog@yandex.ru, где купить

 
 

  Логин:

Пароль:

Регистрация

www.partskatalog.ru Все каталоги Запчасти Mercury Запчасти Suzuki Запчасти Tohatsu Запчасти Honda Контакты



УВАЖАЕМЫЕ КЛИЕНТЫ!
C 19 ДЕКАБРЯ 2025 ПО 02 МАРТА 2026 ГОДА ОТДЕЛ ЗАПЧАСТЕЙ И СЕРВИС РАБОТАТЬ НЕ БУДУТ
ПРОДАЖА ЛОДОЧНЫХ МОТОРОВ В ШТАТНОМ РЕЖИМЕ
ОБ ИЗМЕНЕНИЯХ В ГРАФИКЕ РАБОТЫ ЧИТАЙТЕ НА САЙТА



назад Раздел:   вперёд

Вернуться к выбору узлов мотора


ДЕТАЛИРОВКА ДЛЯ МОДЕЛИ: SUZUKI DF6L FROM 00602F-310001~

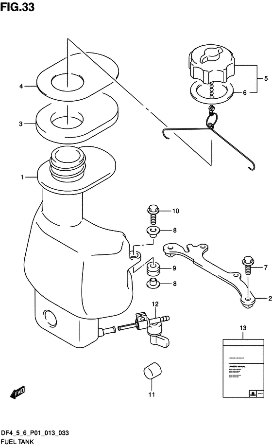
Топливный бак


Код модели двигателя: DF6S/L

Год выпуска двигателя: 2013

Цвет: Shadow Black Metallic

Номер на
рисунке
АртикулНаименованиеQTYКол-во
на складе
Цена
165110-91J31-000

Топливный бак - Tank, Fuel (Tank, fuel)

под заказ11670 руб.
165110-91J40-000

   (актуальный код замены) Топливный бак - Tank, Fuel

под заказ11670 руб.
265260-91J00-000

Кронштейн, Топливный бак - Bracket, Fuel Tank (Кронштейн топливного бака)

1 шт1890 руб.
365281-91J11-000

Пыльник топливного бака - Grommet, Fuel Tank (Резинка топливного бака)

под заказ1870 руб.
365281-91J12-000

   (актуальный код замены) Пыльник топливного бака - Grommet, Fuel Tank

под заказ1870 руб.
465284-91JL0-000

Резинка пыльника топливного бака - Rubber, Fuel Tank Grommet (Rubber, fuel tank grommet)

9 шт470 руб.
565510-91JL1-000

Крышка горловины топливного бака, в сборе - Cap Assy, Fuel Tank

под заказ5380 руб.
565510-97L20-000

   (актуальный код замены) Крышка горловины топливного бака, в сборе - Cap Assy, Fuel Tank

10 шт3550 руб.
5SMO-65510-97L20-000

   (не оригинальный аналог) Крышка топливного бака на Suzuki DF2.5 / DF4 / DF5 / DF6 (не все года) оригинал

под заказ2500 руб.
5SMO-65510-97L20-000

  (аналог) Крышка топливного бака на Suzuki DF2.5 / DF4 / DF5 / DF6 (не все года) оригинал - код 65510-97L20-000

 под заказ шт2500 руб.
565510-91JL2-000

Крышка горловины топливного бака, в сборе - Cap Assy, Fuel Tank (Cap assy, fuel tank)

под заказ5380 руб.
565510-97L20-000

   (актуальный код замены) Крышка горловины топливного бака, в сборе - Cap Assy, Fuel Tank

10 шт3550 руб.
5SMO-65510-97L20-000

  (аналог) Крышка топливного бака на Suzuki DF2.5 / DF4 / DF5 / DF6 (не все года) оригинал - код 65510-97L20-000

 под заказ шт2500 руб.
609168-32001-000

Прокладка (32x48x2.5) - Gasket (32x48x25) (Прокладка бака)

под заказ250 руб.
609168-32003-000

   (актуальный код замены) Прокладка (32x48x2.5) - Gasket (32x48x2.5)

10 шт250 руб.
709103-06125-000

Болт (6x16) - Bolt (6x16) (Bolt (6x16))

под заказ180 руб.
809169-06088-000

Шайба - Washer (Шайба)

4 шт220 руб.
909320-09039-000

Подушка - Cushion (Cushion, silencer cover # ) (Валик)

8 шт320 руб.
909320-09059-000

   (актуальный код замены) Подушка (9x18x14) - Cushion (9x18x14)

под заказ320 руб.
1001550-06257-000

Болт - Bolt (Bolt)

под заказ180 руб.
1161151-91J20-000

Подушка - Cushion (Cushion)

под заказ490 руб.
1266100-91JL0-000

Топливный кран в сборе - Cock Assy, Fuel (Cock assy, fuel)

4 шт2350 руб.
1399011-91J30-055

Руководство пользователя - Manual, Owners (Manual, owner's)

под заказ2020 руб.


Время выполнения запроса 1.0682170391083 сек.

 
 

данный сайт носит информационный характер и не является публичной офертой

склад запчастей для водомоторной техники