Купить комплектующие на подвесной двигатель Suzuki DF8AS/L; DF8ARS/L - Opt:electrical
вконтакте

Контактный телефон: +7 (981) 121-46-93, +7 (800) 200-90-76 , Email: parts-katalog@yandex.ru, где купить

 
 

  Логин:

Пароль:

Регистрация

www.partskatalog.ru Все каталоги Запчасти Mercury Запчасти Suzuki Запчасти Tohatsu Запчасти Honda Контакты



УВАЖАЕМЫЕ КЛИЕНТЫ!
C 19 ДЕКАБРЯ 2025 ПО 02 МАРТА 2026 ГОДА ОТДЕЛ ЗАПЧАСТЕЙ И СЕРВИС РАБОТАТЬ НЕ БУДУТ
ПРОДАЖА ЛОДОЧНЫХ МОТОРОВ В ШТАТНОМ РЕЖИМЕ
ОБ ИЗМЕНЕНИЯХ В ГРАФИКЕ РАБОТЫ ЧИТАЙТЕ НА САЙТА



назад Раздел:   вперёд

Вернуться к выбору узлов мотора


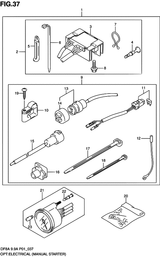
ДЕТАЛИРОВКА ДЛЯ МОДЕЛИ: SUZUKI DF8AL K10/DF8ARL K10

Опции: электрика


Код модели двигателя: DF8AS/L; DF8ARS/L

Год выпуска двигателя: 2010

Регион: General Export No.1 ,Код региона: P01

Цвет: Shadow Black Metallic

Номер на
рисунке
АртикулНаименованиеQTYКол-во
на складе
Цена
132000-99J00-000

Комплект для зарядки баттареи - Kit, Battery Charging (Kit, battery charging)

3 шт20980 руб.
132000-99J01-000

   (актуальный код замены) Комплект для зарядки баттареи - Kit, Battery Charging

под заказ20980 руб.
232801-95J01-000

Выпрямитель & Регулятор Set - Rectifier & Regulator Set (Выпрямитель и регулятор)

1 шт17380 руб.
232801-95J02-000

   (актуальный код замены) Выпрямитель & Регулятор Set - Rectifier & Regulator Set

под заказ17380 руб.
332800-95J01-000

Выпрямитель & Регулятор в сборе - Rectifier & Regulator Assy (Выпрямитель и регулятор)

под заказ18580 руб.
436615-96300-000

Клемма - Terminal (Контакт)

под заказ120 руб.
529404-93J10-000

Струбцина - Clamp (Clamp # ) (Струбцина переключателя)

под заказ190 руб.
529404-93J11-000

   (актуальный код замены) Струбцина - Clamp

под заказ190 руб.
609407-14407-000

Струбцина (l: 145) - Clamp (l:145) (Band # ) (Clamp (l:145))

9 шт230 руб.
709408-00024-000

Зажим (id: 23) - Clip (id:23) (Clip, ptt sw terminal # ) (Шланг топливный)

под заказ120 руб.
801550-06257-000

Болт - Bolt (Bolt)

под заказ180 руб.
939600-94J01-000

Установочная коробка - Receptacle Set (Комплект коробки)

1 шт8400 руб.
1033816-94J01-000

Зажим кабеля - Clamp, Cable (Струбцина кабеля)

под заказ520 руб.
1136740-94J00-000

Корпус предохранителя - Case Assy, Fuse (Корпус предохранителя)

под заказ4300 руб.
1237801-98300-000

Провод выключателя двигателя - Lead, Stop Switch (Lead, rect & reg gnd # ) (Проводка)

под заказ320 руб.
1237801-98301-000

   (актуальный код замены) Провод выключателя двигателя - Lead, Stop Switch

под заказ320 руб.
1339601-95D00-000

Внешняя розетка - Receptacle (Receptacle assy, lighting # ) (Receptacle)

под заказ4660 руб.
1339601-95D01-000

   (актуальный код замены) Внешняя розетка - Receptacle

под заказ4660 руб.
1436634-93910-000

Колпачок - Cap (Cap)

под заказ340 руб.
1539602-93900-000

Разьем провода нагрузки - Plug Assy, Lamp Cord (Plug, lighting # ) (Заглушка лампы)

под заказ5000 руб.
1639603-94400-000

Пыльник розеткиe - Grommet, Receptaclee (Grommet, receptacle cable # ) (Втулка кабеля)

под заказ840 руб.
1639603-94401-000

   (актуальный код замены) Пыльник розеткиe - Grommet, Receptaclee

под заказ840 руб.
1709407-14407-000

Струбцина (l: 145) - Clamp (l:145) (Band # ) (Clamp (l:145))

9 шт230 руб.
1709407-25402-000

Струбцина (l: 250) - Clamp (l:250) (Clamp, tilt sw # ) (Clamp)

под заказ350 руб.
1809407-14403-000

Струбцина (l: 125) - Clamp (l:125) (Clamp, spark plug cap # ) (Clamp)

под заказ170 руб.
1903241-0625A-000

Винт - Screw (Screw # ) (Винт)

под заказ150 руб.
2036990-87D00-000

Клемма / Гильза Set - Terminal / Sleeve Set (Terminal & sleeve set # ) (Стержень и гильза)

1 шт1720 руб.
2134200-93J20-000

Тахометр в сборе, B - Tachometer Assy, B (BLACK # ) (Tachometer assy)

под заказ27600 руб.
2134200-93J22-000

   (актуальный код замены) Тахометр в сборе, чёрный - Tachometer Assy, Black

под заказ27600 руб.
2134200-93J31-000

Тахометр в сборе, W - Tachometer Assy, W (WHITE # )

под заказ27600 руб.
2134200-93J34-000

   (актуальный код замены) Тахометр в сборе, белый - Tachometer Assy, White

под заказ27600 руб.
2134200-93J32-000

Тахометр в сборе, W - Tachometer Assy, W (TACHOMETER ASSY, W)

под заказ27600 руб.
2134200-93J34-000

   (актуальный код замены) Тахометр в сборе, белый - Tachometer Assy, White

под заказ27600 руб.
2236615-96300-000

Клемма - Terminal (Контакт)

под заказ120 руб.
2309471-12028-000

Лампочка (12v3.4w, T10) - Bulb (12v34w, T10) (Bulb # ) (Лампочка)

под заказ140 руб.


Время выполнения запроса 1.9132790565491 сек.

 
 

данный сайт носит информационный характер и не является публичной офертой

склад запчастей для водомоторной техники