| |
 |
|
 |
Вернуться к выбору узлов мотора
ДЕТАЛИРОВКА ДЛЯ МОДЕЛИ: SUZUKI DF8AL/DF8ARL FROM 00801F-210001~ (P01)
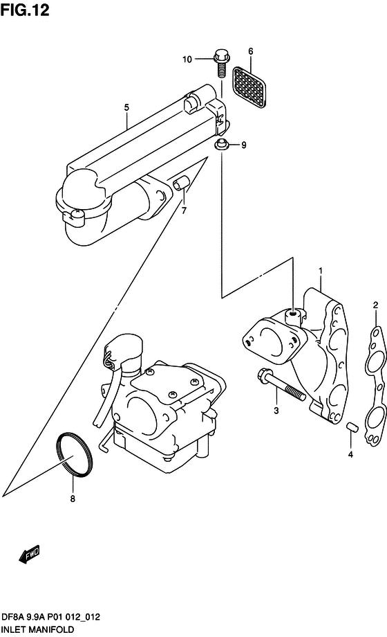
Впускной коллектор
Код модели двигателя: DF8AS/L; DF8ARS/L
Год выпуска двигателя: 2012
Регион: General Export No.1 ,Код региона: P01
Цвет: Shadow Black Metallic
Номер на рисунке | Артикул | Наименование | QTY | Кол-во на складе | Цена |
| 1 | 13111-99J00-000 | Впускной коллектор - Manifold, Inlet (Коллектор входа) | | под заказ | 6290 руб. |
| 2 | 13119-99J00-000 | Прокладка впускного коллектора - Gasket, Inlet Manifold (Gasket, inlet manifold) | | 5 шт | 350 руб. |
| 3 | 01550-06457-000 | Болт - Bolt (Bolt) | | под заказ | 210 руб. |
| 4 | 04221-05109-000 | Штифт - Pin (Pin) | | 3 шт | 190 руб. |
| 5 | 13810-99J00-000 | Глушитель - Silencer (Глушитель) | | под заказ | 1980 руб. |
| 6 | 13710-99J00-000 | Пламегаситель - Arrester, Flame (Arrester, flame) | | под заказ | 590 руб. |
| 7 | 09180-06290-000 | Проставка (6.5x10x12) - Spacer (65x10x12) (Spacer, 6.5x10x12 # ) (Кольцо/шайба) | | под заказ | 160 руб. |
| 8 | 13832-94J00-000 | Сальник глушителя - Seal, Silencer (Уплотнение глушителя) | | 1 шт | 350 руб. |
| 8 | 13832-94J01-000 | (актуальный код замены) Сальник глушителя - Seal, Silencer | | под заказ | 350 руб. |
| 9 | 09169-06082-000 | Шайба - Washer (Шайба) | | под заказ | 260 руб. |
| 10 | 01550-06167-000 | Болт - Bolt (Bolt) | | 9 шт | 210 руб. |
Время выполнения запроса 0.56077003479004 сек. |
|