Комплектующие на подвесной лодочный мотор Suzuki DF8AS/L; DF8ARS/L модель 2012 года - Поворотный кронштейн
вконтакте

Контактный телефон: +7 (981) 121-46-93, +7 (800) 200-90-76 , Email: parts-katalog@yandex.ru, где купить

 
 

  Логин:

Пароль:

Регистрация

www.partskatalog.ru Все каталоги Запчасти Mercury Запчасти Suzuki Запчасти Tohatsu Запчасти Honda Контакты



УВАЖАЕМЫЕ КЛИЕНТЫ!
C 19 ДЕКАБРЯ 2025 ПО 02 МАРТА 2026 ГОДА ОТДЕЛ ЗАПЧАСТЕЙ И СЕРВИС РАБОТАТЬ НЕ БУДУТ
ПРОДАЖА ЛОДОЧНЫХ МОТОРОВ В ШТАТНОМ РЕЖИМЕ
ОБ ИЗМЕНЕНИЯХ В ГРАФИКЕ РАБОТЫ ЧИТАЙТЕ НА САЙТА



назад Раздел:   вперёд

Вернуться к выбору узлов мотора


ДЕТАЛИРОВКА ДЛЯ МОДЕЛИ: SUZUKI DF8AL/DF8ARL FROM 00801F-210001~ (P01)

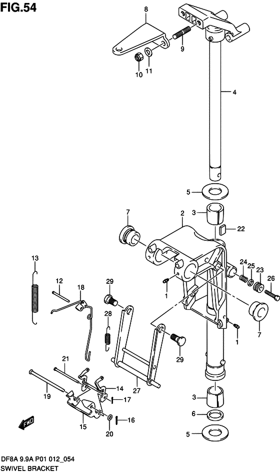
Поворотный кронштейн


Код модели двигателя: DF8AS/L; DF8ARS/L

Год выпуска двигателя: 2012

Регион: General Export No.1 ,Код региона: P01

Цвет: Shadow Black Metallic

Номер на
рисунке
АртикулНаименованиеQTYКол-во
на складе
Цена
122511-99011-000

Ниппель смазки - Nipple, Grease (Ниппель)

9 шт400 руб.
243111-99J00-0EP

Поворотный кронштейн (s) - Bracket, Swivel (s) (W/TRANSOM (S) # ) (Bracket, swivel (s))

под заказ19300 руб.
243111-99J10-0EP

Поворотный кронштейн (l) - Bracket, Swivel (l) (W/TRANSOM (L) # )

под заказ21270 руб.
243111-99J11-0EP

   (актуальный код замены) Поворотный кронштейн (l) - Bracket, Swivel (l)

под заказ21270 руб.
243111-99J11-0EP

Поворотный кронштейн (l) - Bracket, Swivel (l) (Bracket, swivel (l) (black))

под заказ21270 руб.
343711-99J00-000

Втулка рулевой системы - Bush, Steering (Втулка)

15 шт370 руб.
443750-99J20-0EP

Кронштейн рулевого управления (s) (чёрный) - Bracket, Steering (s) (black) (W/TRANSOM (S) # ) (Bracket, steering (s) (black))

под заказ0 руб.
443700-99J20-0EP

   (актуальный код замены) Запчасть снята с производства - The Spare Part Is Laid Off

под заказ0 руб.
443750-99J30-0EP

Кронштейн рулевого управления (l) (чёрный) - Bracket, Steering (l) (black) (W/TRANSOM (L) # ) (Bracket, steering (l) (black))

под заказ0 руб.
443700-99J30-0EP

   (актуальный код замены) Запчасть снята с производства - The Spare Part Is Laid Off

под заказ0 руб.
509160-27009-000

Шайба (27.5x47x2) - Washer (275x47x2)

под заказ320 руб.
509160-27013-000

   (актуальный код замены) Шайба (27.5x47x2) - Washer (27.5x47x2)

9 шт350 руб.
509160-27013-000

Шайба (27.5x47x2) - Washer (275x47x2) (Washer, 27.5x47x2)

9 шт350 руб.
609282-27002-000

Сальник (26x39x5) - Seal, Oil (26x39x5) (Seal, oil, 26x39x5)

12 шт570 руб.
743211-87JL0-000

Втулка поворотного кронштейна - Bush, Swivel Bracket (Bush, swivel bracket)

8 шт1770 руб.
7SK43211-87JL0

   (не оригинальный аналог) Втулка поворотного механизма Skipper для Suzuki DT9,9-15/ DF9,9-DF30a

0 шт148 руб.
843755-99J00-000

Соединитель кронштейна рулевой системы - Attachment, Steering Bracket (Attachment, steering bracket)

3 шт5570 руб.
843755-99J01-000

   (актуальный код замены) Соединитель кронштейна рулевой системы - Attachment, Steering Bracket

2 шт5570 руб.
909108-08286-000

Болт под шпильку - Bolt, Stud (Болт)

16 шт380 руб.
1009159-08059-000

Гайка - Nut (Nut, clutch lever # ) (Гайка)

13 шт390 руб.
1109160-08082-000

Шайба (8.5x16x1.2) - Washer (85x16x12) (Шайба)

13 шт120 руб.
1241225-94502-000

Стопор пружины блокировки наклона - Pin, Tilt Lock Spring (Pin, tilt lock spring)

под заказ570 руб.
1345212-99J10-000

Пружина рычага блокировки задней передачи - Spring, Reverse Lock Arm

1 шт820 руб.
1345212-99JL0-000

   (актуальный код замены) Пружина рычага блокировки задней передачи - Spring, Reverse Lock Arm

6 шт820 руб.
1345212-99JL0-000

Пружина рычага блокировки задней передачи - Spring, Reverse Lock Arm (Spring, reverse lock arm)

6 шт820 руб.
1445231-99J10-000

Рычаг блокировки реверса - Arm, Reverse Lock

под заказ4230 руб.
1445231-99JL0-000

   (актуальный код замены) Рычаг блокировки реверса - Arm, Reverse Lock

под заказ4230 руб.
1445231-99JL0-000

Рычаг блокировки реверса - Arm, Reverse Lock (Arm, reverse lock)

под заказ4230 руб.
1545241-99JL1-000

Тяга рычага блокировки реверса - Link, Reverse Lock Arm (Link, reverse lock arm)

под заказ3510 руб.
1609204-01002-000

Штифт - Pin (Cotter pin # ) (Стопор)

24 шт140 руб.
1745247-99J00-000

Стопор блокировки поворотного механизма - Pin, Rev Lock Arm Cotter (Pin, rev lock arm cotter)

2 шт130 руб.
1845250-94J00-000

Освобождающая тяга - Link, Release (Тяга)

под заказ1320 руб.
1909200-06061-000

Штифт - Pin (Pin # ) (Pin (sus))

9 шт780 руб.
2009160-06082-000

Шайба (6.5x13x1.0) - Washer (65x13x10) (Washer # ) (Шайба)

7 шт150 руб.
2109200-05014-000

Штифт - Pin (Pin)

7 шт370 руб.
2243411-939L0-000

Пластина рулевого управления Регулятор - Plate, Steering Adjuster (Plate, steering adjuster)

6 шт200 руб.
2343412-93900-000

Крышка регулировки рулевой системыer - Cover, Steering Adjuster (Cover, steering adjust # ) (Крышка регулятора)

под заказ340 руб.
2343412-93901-000

   (актуальный код замены) Крышка регулировки рулевой системыer - Cover, Steering Adjuster

под заказ340 руб.
2429440-93J00-000

Пружина регулятора рулевой системы - Spring, Steering Adjuster (Пружина регулятора)

под заказ190 руб.
2509160-08082-000

Шайба (8.5x16x1.2) - Washer (85x16x12) (Шайба)

13 шт120 руб.
2609100-08232-000

Болт (8x30) - Bolt (8x30) (Bolt)

6 шт350 руб.
2745710-99JL0-000

Ручка движения по мелководью - Arm, Shallow Drive (Arm, shallow drive)

под заказ3940 руб.
2745710-99JL1-000

   (актуальный код замены) Рычаг привода движения по мелководью - Arm Comp, Shallow Drive

4 шт4300 руб.
2845722-94J11-000

Пружина, Shallow Water Рычаг привода - Spring, Shallow Water Drive Arm (Spring, shallow water drive arm)

4 шт1900 руб.
2909111-10032-000

Болт (10x20.5) - Bolt (10x205)

под заказ400 руб.
2909111-10067-000

   (актуальный код замены) Болт (10x20.5) - Bolt (10x20.5)

2 шт430 руб.
2909111-10067-000

Болт (10x20.5) - Bolt (10x205) (Bolt, 10x20.4)

2 шт430 руб.


Время выполнения запроса 0.93776702880859 сек.

 
 

данный сайт носит информационный характер и не является публичной офертой

склад запчастей для водомоторной техники