| |
|
|
 |
Вернуться к выбору узлов мотора
ДЕТАЛИРОВКА ДЛЯ МОДЕЛИ: SUZUKI DF8AL/DF8ARL FROM 00801F-210001~ (P03)
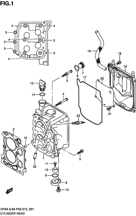
Головка блока цилиндра
Код модели двигателя: DF8AS/L; DF8ARS/L
Год выпуска двигателя: 2012
Регион: USA ,Код региона: P03
Цвет: Shadow Black Metallic
Номер на рисунке | Артикул | Наименование | QTY | Кол-во на складе | Цена |
| 1 | 11110-99J00-000 | Головка цилиндра - Head, Cylinder (Головка цилиндров) | | под заказ | 115680 руб. |
| 2 | 11141-99J00-000 | Прокладка головки блока цилиндра - Gasket, Cylinder Head (Прокладка головки цилиндра) | | 5 шт | 6100 руб. |
| 3 | 11118-99JL0-000 | Болты головки цилиндра №1 - Bolt, Cylinder Head No1 (Bolt, cylinder head no.1) | | под заказ | 560 руб. |
| 4 | 11119-99JL0-000 | Болты головки цилиндра №2 - Bolt, Cylinder Head No2 (Bolt, cylinder head no.2) | | под заказ | 550 руб. |
| 5 | 01550-06257-000 | Болт - Bolt (Bolt) | | под заказ | 180 руб. |
| 6 | 11216-90J00-000 | Прокладка масляной галерии Заглушка - Gasket, Oil Gallery Plug (Gasket, oil gallery plug) | | под заказ | 330 руб. |
| 7 | 09248-22002-000 | Заглушка (22x11) - Plug (22x11) (Plug, lh # ) (Plug) | | под заказ | 960 руб. |
| 8 | 11261-93J00-000 | Крышка защитного анода - Cover, Protection Anode (Крышка протектора) | | под заказ | 1600 руб. |
| 9 | 09280-22019-000 | Уплотнительное кольцо (d: 1.9, Id: 21.8) - O Ring (d:19, Id:218) (O ring # ) (Кольцо уплотнительное) | | 16 шт | 210 руб. |
| 9 | SK09280-22019 | (не оригинальный аналог) Кольцо уплотнительное головки блока цилиндров Skipper для Suzuki Модели техники: 4-stroke 8-350HP | | 0 шт | 64 руб. |
| 10 | 55321-87J00-000 | Защитный анод - Anode, Protection (Протекторная защита) | | 1 шт | 750 руб. |
| 10 | 55321-87J01-000 | (актуальный код замены) Защитный анод - Anode, Protection | | под заказ | 850 руб. |
| 10 | SMO-55321-87J01-000 | (не оригинальный аналог) Защитный анод SMO-55321-87J01-000 (оригинал) | | под заказ | 590 руб. |
| 10 | SMO-55321-87J01-000 | (аналог) Защитный анод SMO-55321-87J01-000 (оригинал) - код 55321-87J01-000 | | под заказ шт | 585 руб. |
| 11 | 09103-06281-000 | Болт (6x14) - Bolt (6x14) (Bolt, protection anode # ) (Bolt) | | 6 шт | 270 руб. |
| 12 | 01550-08207-000 | Болт - Bolt (Bolt) | | 10 шт | 240 руб. |
| 13 | 11382-93E00-000 | Колпачок масляного фильтра - Cap, Oil Filler (Cap, oil filler) | | 9 шт | 430 руб. |
| 14 | 09280-17003-000 | Уплотнительное кольцо (d: 3.1, Id: 16.8) - O Ring (d:31, Id:168) (O ring, oil filler cap # ) (O ring (d:3.1, id:16.8)) | | 15 шт | 180 руб. |
| 15 | 04211-09109-000 | Штифт - Pin (Knock pin # ) (Pin) | | под заказ | 120 руб. |
| 16 | 11170-99J00-000 | Крышка головки цилиндра - Cover, Cylinder Head (Крышка головки цилиндра) | | под заказ | 3650 руб. |
| 17 | 11178-99J00-000 | Уплотнительное кольцо крышки головки блока цилиндра - O Ring, Cylinder Head Cover (O-ring, cylinder head cover) | | 3 шт | 600 руб. |
| 18 | 01550-06207-000 | Болт - Bolt (Bolt # ) (Bolt (chrome)) | | 17 шт | 220 руб. |
| 19 | 11196-99J00-000 | Шланг сапуна - Hose, Breather (Шланг) | | под заказ | 600 руб. |
| 20 | 11173-99J00-000 | Пластина сапуна - Plate, Breather (Плата сапуна) | | под заказ | 440 руб. |
| 21 | 01550-0612A-000 | Болт - Bolt (Bolt) | | под заказ | 150 руб. |
| 22 | 09482-00528-000 | Свеча зажигания (cr6e) - Plug, Spark (cr6e) (Spark plug (ngk, cr6e)) | | 1 шт | 1740 руб. |
| 23 | 11115-09G00-001 | Направляющая клапана (os) - Guide, Valve (os) (OPT # ) (Guide, valve os) | | под заказ | 3340 руб. |
| 23 | 11115-94L00-001 | (актуальный код замены) Направляющая клапана (os) - Guide, Valve (os) | | под заказ | 3340 руб. |
Время выполнения запроса 1.4987289905548 сек. |
|