|
 |
Раздел:
|
 |
Вернуться к выбору узлов мотора
ДЕТАЛИРОВКА ДЛЯ МОДЕЛИ: SUZUKI DF8AL/DF8ARL FROM 00801F-210001~ (P03)
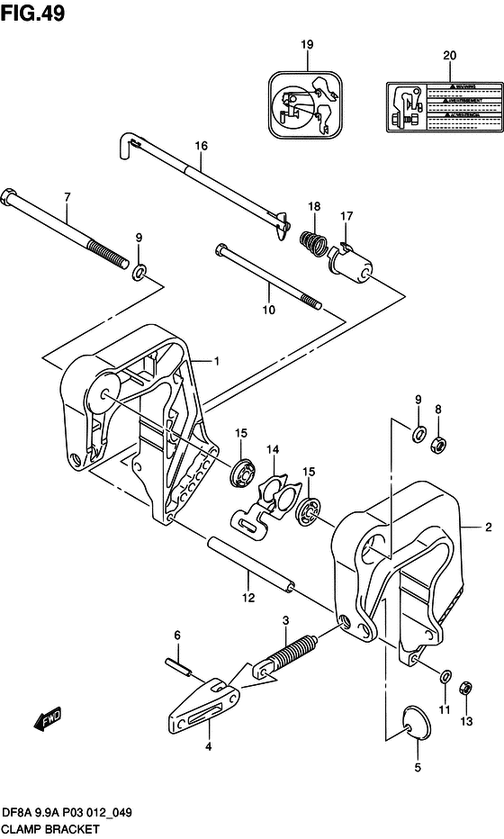
Кронштейн транца
Код модели двигателя: DF8AS/L; DF8ARS/L
Год выпуска двигателя: 2012
Регион: USA ,Код региона: P03
Цвет: Shadow Black Metallic
Номер на рисунке | Артикул | Наименование | QTY | Кол-во на складе | Цена |
1 | 41111-99J00-0EP | Кронштейн правого зажима - Bracket, Clamp Stbd (Bracket, clamp stbd) | | под заказ | 12150 руб. |
2 | 41121-99J00-0EP | Кронштейн левого зажима - Bracket, Clamp Port (Bracket, clamp port) | | под заказ | 12150 руб. |
3 | 41211-99JL0-000 | Винт зажима - Screw, Clamp (Screw, clamp) | | под заказ | 1480 руб. |
4 | 41212-91J00-000 | Струбцина румпеля - Handle, Clamp (Рукоятка струбцины) | | 8 шт | 750 руб. |
5 | 41213-98100-000 | Пластина струбцины - Plate, Clamp (Plate, clamp # ) (Плата струбцины) | | под заказ | 390 руб. |
5 | 41213-94J01-000 | (актуальный код замены) Пластина струбцины - Plate, Clamp | | под заказ | 420 руб. |
6 | 09205-06007-000 | Стопор пружины (6x25) - Pin, Spring (6x25) (Pin (6x27) # ) (Pin) | | 13 шт | 170 руб. |
7 | 09100-10320-000 | Болт (10x145) - Bolt (10x145) (Bolt (10x145)) | | под заказ | 1660 руб. |
8 | 09159-10050-000 | Гайка - Nut (Гайка) | | 8 шт | 250 руб. |
9 | 09160-10082-000 | Шайба (10.5x19x2) - Washer (105x19x2) (Washer # ) (Gasket (10.5x19x2)) | | 19 шт | 120 руб. |
10 | 09100-06177-000 | Болт (6x140) - Bolt (6x140) (Bolt, clamp bracket lower (l140)) | | 9 шт | 470 руб. |
11 | 09160-06082-000 | Шайба (6.5x13x1.0) - Washer (65x13x10) (Washer # ) (Шайба) | | 8 шт | 150 руб. |
12 | 09180-06357-000 | Проставка (6.5x10.5x104) - Spacer (65x105x104) (Spacer, 6.5x10.5x104) | | под заказ | 1860 руб. |
13 | 29141-93J00-000 | Гайка - Nut (Гайка) | | 18 шт | 480 руб. |
14 | 45261-94J00-000 | Освобождающий рычаг - Lever, Release (Рукоятка заднего хода) | | под заказ | 1530 руб. |
15 | 09306-10023-000 | Втулка - Bush (Втулка) | | 3 шт | 430 руб. |
16 | 45420-99JM0-000 | Штифт блокировки наклона - Pin, Tilt Lock (Pin comp, tilt lock) | | 10 шт | 3890 руб. |
16 | 45420-99JM1-000 | (актуальный код замены) Штифт Comp, Tilt Lock - Pin Comp, Tilt Lock | | 1 шт | 3890 руб. |
17 | 45425-94J00-000 | Стопор штифта ограничителя наклона - Stopper, Tilt Lock Pin | | под заказ | 160 руб. |
17 | 45425-94J01-000 | (актуальный код замены) Стопор штифта ограничителя наклона - Stopper, Tilt Lock Pin | | 17 шт | 190 руб. |
18 | 09441-17001-000 | Пружина - Spring (Пружина) | | 11 шт | 220 руб. |
19 | 45269-94J20-000 | Маркировка - блокировка задней передачи - Mark, Reverse Lock (Маркировка ручки) | | под заказ | 180 руб. |
20 | 69911-91J00-000 | Маркировка на кронштейне транца - Mark, Clamp Bracket (Маркировка) | | под заказ | 320 руб. |
21 | 41210-99JL1-000 | Винт струбцины, в сборе - Screw Assy, Clamp (OPT NOT ILLUSTRATED # ) (Screw assy, clamp) | | 1 шт | 2910 руб. |
Время выполнения запроса 2.4258708953857 сек. |
|