| |
 |
|
 |
Вернуться к выбору узлов мотора
ДЕТАЛИРОВКА ДЛЯ МОДЕЛИ: SUZUKI DF8A/DF8AR FROM 00801F-510001~
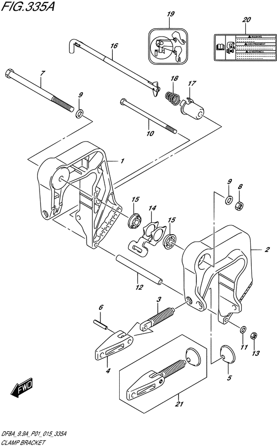
Кронштейн транца
Код модели двигателя: DF8AS/L; DF8ARS/L
Год выпуска двигателя: 2015
Регион: General Export No.1/Finland ,Код региона: P01/P015
Цвет: Shadow Black Metallic
Номер на рисунке | Артикул | Наименование | QTY | Кол-во на складе | Цена |
| 1 | 41111-99J00-0EP | Кронштейн правого зажима - Bracket, Clamp Stbd (Bracket, clamp stbd) | | под заказ | 12150 руб. |
| 2 | 41121-99J00-0EP | Кронштейн левого зажима - Bracket, Clamp Port (Bracket, clamp port) | | под заказ | 12150 руб. |
| 3 | 41211-99JL0-000 | Винт зажима - Screw, Clamp (Screw, clamp) | | под заказ | 1480 руб. |
| 4 | 41212-91J00-000 | Струбцина румпеля - Handle, Clamp (Рукоятка струбцины) | | 8 шт | 750 руб. |
| 5 | 41213-94J01-000 | Пластина струбцины - Plate, Clamp (PLATE, CLAMP) | | под заказ | 420 руб. |
| 6 | 09205-06021-000 | Стопор пружины (6x25) - Pin, Spring (6x25) (PIN, SPRING (6X25)) | | 8 шт | 210 руб. |
| 7 | 09100-10320-000 | Болт (10x145) - Bolt (10x145) (Bolt (10x145)) | | под заказ | 1660 руб. |
| 8 | 09159-10050-000 | Гайка - Nut (Гайка) | | 8 шт | 250 руб. |
| 9 | 09160-10082-000 | Шайба (10.5x19x2) - Washer (105x19x2) (Washer # ) (Gasket (10.5x19x2)) | | 19 шт | 120 руб. |
| 10 | 09100-06177-000 | Болт (6x140) - Bolt (6x140) (Bolt, clamp bracket lower (l140)) | | 9 шт | 470 руб. |
| 11 | 09160-06082-000 | Шайба (6.5x13x1.0) - Washer (65x13x10) (Washer # ) (Шайба) | | 7 шт | 150 руб. |
| 12 | 09180-06357-000 | Проставка (6.5x10.5x104) - Spacer (65x105x104) (Spacer, 6.5x10.5x104) | | под заказ | 1860 руб. |
| 13 | 29141-93J00-000 | Гайка - Nut (Гайка) | | 18 шт | 480 руб. |
| 14 | 45261-94J00-000 | Освобождающий рычаг - Lever, Release (Рукоятка заднего хода) | | под заказ | 1530 руб. |
| 15 | 09306-10023-000 | Втулка - Bush (Втулка) | | 3 шт | 430 руб. |
| 16 | 45420-99JM0-000 | Штифт блокировки наклона - Pin, Tilt Lock (Pin comp, tilt lock) | | 10 шт | 3890 руб. |
| 16 | 45420-99JM1-000 | (актуальный код замены) Штифт Comp, Tilt Lock - Pin Comp, Tilt Lock | | 1 шт | 3890 руб. |
| 17 | 45425-94J01-000 | Стопор штифта ограничителя наклона - Stopper, Tilt Lock Pin (STOPPER, TILT LOCK PIN) | | 17 шт | 190 руб. |
| 18 | 09441-17001-000 | Пружина - Spring (Пружина) | | 11 шт | 220 руб. |
| 19 | 45269-94J20-000 | Маркировка - блокировка задней передачи - Mark, Reverse Lock (Маркировка ручки) | | под заказ | 180 руб. |
| 20 | 69911-91J40-000 | Маркировка на кронштейне транца - Mark, Clamp Bracket (Mark, clamp bracket) | | 1 шт | 320 руб. |
| 21 | 41210-99JL1-000 | Винт струбцины, в сборе - Screw Assy, Clamp (OPT # ) (Screw assy, clamp) | | 1 шт | 2910 руб. |
Время выполнения запроса 1.4274919033051 сек. |
|