| |
 |
|
 |
Вернуться к выбору узлов мотора
ДЕТАЛИРОВКА ДЛЯ МОДЕЛИ: SUZUKI DF8AL(P01) PRD
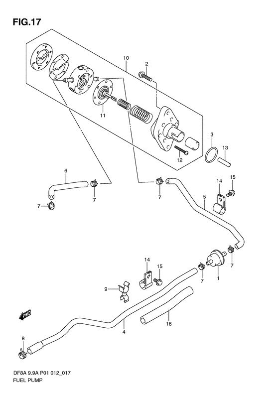
Топливный насос
Код модели двигателя: DF8AS/L; DF8ARS/L
Год выпуска двигателя: 2011
Регион: General Export No.1 ,Код региона: P01
Цвет: Shadow Black Metallic
Номер на рисунке | Артикул | Наименование | QTY | Кол-во на складе | Цена |
| 1 | 15410-98500-000 | Топливный фильтр - Filter, Fuel (Filter assy, fuel # Filter, fuel; # ) (Фильтр топливный) | | 40 шт | 1600 руб. |
| 1 | 15410-98500 | (не оригинальный аналог) Топливный фильтр Suzuki 15410-98500 | | под заказ | 590 руб. |
| 2 | 01550-06257-000 | Болт - Bolt (Bolt) | | под заказ | 180 руб. |
| 3 | 09280-26005-000 | Уплотнительное кольцо (d: 2.4, Id: 26.2) - O Ring (d:24, Id:262) (O ring (d:2.4, id:26.2) # O ring (d:2.4, id:26.2); # ) (O ring (dd:2.4, id:26.2)) | | 11 шт | 200 руб. |
| 4 | 15192-99J11-000 | Топливный шланг (Коннектор To Фильтр) - Hose, Fuel (connector To Filter) (Hose, fuel (conn to filter); # ) | | под заказ | 1480 руб. |
| 4 | 15192-99JL0-000 | (актуальный код замены) Топливный шланг (Коннектор To Фильтр) - Hose, Fuel (connector To Filter) | | под заказ | 1480 руб. |
| 5 | 15193-99J11-000 | Топливный шланг (Фильтр To Помпа) - Hose, Fuel (filter To Pump) (Hose, fuel (filter to pump); # ) | | под заказ | 1160 руб. |
| 5 | 15193-99JL0-000 | (актуальный код замены) Топливный шланг (Фильтр To Помпа) - Hose, Fuel (filter To Pump) | | под заказ | 1160 руб. |
| 6 | 15191-99J11-000 | Топливный шланг (от насоса к карбюратору) - Hose, Fuel (pump To Carb) (Hose, fuel (pump to carb); # ) (Hose, fuel (pump to carb)) | | под заказ | 850 руб. |
| 7 | 09401-09404-000 | Зажим - Clip (Clip) | | под заказ | 190 руб. |
| 8 | 09401-11422-000 | Зажим - Clip (Clip) | | под заказ | 190 руб. |
| 9 | 09408-00054-000 | Струбцина - Clamp (Clamp) | | под заказ | 250 руб. |
| 10 | 15100-94J02-000 | Топливный насос, в сборе - Pump Assy, Fuel (Pump assy, fuel) | | под заказ | 14400 руб. |
| 10 | 15100-94J03-000 | (актуальный код замены) Топливный насос, в сборе - Pump Assy, Fuel | | 2 шт | 14400 руб. |
| 11 | 15170-94J02-000 | Диафрагма Set - Diaphragm Set (Комплект диафрагмы) | | 1 шт | 3170 руб. |
| 11 | 15170-94J03-000 | (актуальный код замены) Диафрагма Set - Diaphragm Set | | 1 шт | 3170 руб. |
| 12 | 15251-93E00-000 | Винт - Screw | | под заказ | 230 руб. |
| 12 | 15251-93E01-000 | (актуальный код замены) Винт - Screw | | под заказ | 230 руб. |
| 13 | 15131-99J00-000 | Тяга топливного насоса - Rod, Fuel Pump (Штанга топливного насоса) | | под заказ | 270 руб. |
| 14 | 09403-12406-000 | Струбцина - Clamp (Clamp) | | под заказ | 370 руб. |
| 14 | 09403-12417-000 | (актуальный код замены) Струбцина - Clamp | | под заказ | 370 руб. |
| 15 | 01550-06127-000 | Болт - Bolt (Bolt, rect # ) (Bolt) | | 10 шт | 180 руб. |
| 16 | 18498-99J00-000 | Защита топливного шланга (100) - Protector, Fuel Hose (100) (Protector, fuel hose (100); # ) (Protector, fuel hose (100)) | | под заказ | 330 руб. |
| 16 | 18498-99J01-000 | (актуальный код замены) Защита топливного шланга (100) - Protector, Fuel Hose (100) | | под заказ | 330 руб. |
Время выполнения запроса 0.69195008277893 сек. |
|