| |
 |
|
 |
Вернуться к выбору узлов мотора
ДЕТАЛИРОВКА ДЛЯ МОДЕЛИ: SUZUKI DF8AL(P01) PRD
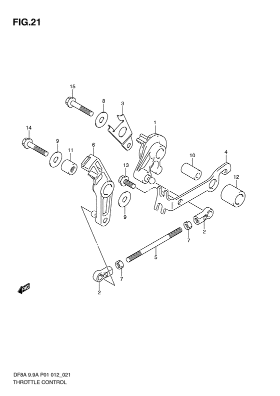
Управление дросселем
Код модели двигателя: DF8AS/L; DF8ARS/L
Год выпуска двигателя: 2011
Регион: General Export No.1 ,Код региона: P01
Цвет: Shadow Black Metallic
Номер на рисунке | Артикул | Наименование | QTY | Кол-во на складе | Цена |
| 1 | 19120-99J00-000 | Барабан управление дросселем - Drum, Throttle Control (Drum, throttle control) | | под заказ | 740 руб. |
| 2 | 19131-95502-000 | Коннектор - Connector (Connector, oil pump no.2 # Connector, throttle rod; # ) (Коннектор) | | 21 шт | 530 руб. |
| 3 | 19148-99J00-000 | Соединитель рычага дросселя №1 - Lever, Interlink Throttle No1 (Lever, interlink throttle no.1) | | под заказ | 300 руб. |
| 4 | 19184-99J00-000 | Кронштейн тросика газа - Bracket, Throttle Cable (Кронштейн кабеля) | | под заказ | 950 руб. |
| 5 | 19656-99J00-000 | Тяга дросселя Стопор - Rod, Throttle Stopper (Rod, throttle stopper) | | под заказ | 370 руб. |
| 6 | 19810-99J00-000 | Стопор, Дроссель - Stopper, Throttle (Stopper, throttle) | | под заказ | 740 руб. |
| 7 | 09140-05005-000 | Гайка - Nut (Гайка) | | 10 шт | 270 руб. |
| 8 | 09160-06046-000 | Шайба (6.5x20x1.5) - Washer (65x20x15) (Washer (6.5x20x1.5) # Washer (6.5x20x1.5); # ) (Шайба) | | 20 шт | 150 руб. |
| 9 | 09160-06046-000 | Шайба (6.5x20x1.5) - Washer (65x20x15) (Washer (6.5x20x1.5) # Washer (6.5x20x1.5); # ) (Шайба) | | 20 шт | 150 руб. |
| 10 | 09180-06186-000 | Проставка (6.2x12.6x21) - Spacer (62x126x21) (Spacer, throttle lever no.2 # Spacer (6.2x12.6x21); # ) (Кольцо/шайба) | | 4 шт | 610 руб. |
| 11 | 09180-06361-000 | Проставка (6.2x12.6x12.5) - Spacer (62x126x125) (Spacer (6.2x12.6x12.5); # ) | | под заказ | 610 руб. |
| 11 | 09180-06230-000 | (актуальный код замены) Проставка (6.2x12.6x12.5) - Spacer (6.2x12.6x12.5) | | 7 шт | 750 руб. |
| 11 | 09180-06230-000 | Проставка (6.2x12.6x12.5) - Spacer (62x126x125) (Spacer, throttle lever # ) (Spacer (6.2x12x12.5)) | | 7 шт | 750 руб. |
| 12 | 09180-12158-000 | Проставка (12.2x20x19.9) - Spacer (122x20x199) (Spacer (12.2x20x19.9); # ) (Spacer, 12.2x20x19.9) | | под заказ | 130 руб. |
| 13 | 01550-06167-000 | Болт - Bolt (Bolt) | | 9 шт | 210 руб. |
| 14 | 01550-06307-000 | Болт - Bolt (Bolt # ) (Bolt (chrome)) | | 8 шт | 250 руб. |
| 15 | 01550-06357-000 | Болт - Bolt (Bolt, throttle lever no.2 # ) (Bolt) | | 9 шт | 210 руб. |
Время выполнения запроса 0.64585900306702 сек. |
|